| Автор | Сообщение |
ilsur
Завсегдатай
Сообщения: 900
|
Всем доброго дня ! Имеется данный усил, как можно заменить ступенчатый регулятор громкости (а то уже совсем сох) , на регулятор другого типа??
PS Желательно с сохранением тонокомпенсации.
Заранее спасибо ! |
|
serega-64
Старший модератор
Сообщения: 10180
|
ilsur, Ты,регулятор,видел или так,на ура.В кумире стоит псевдо-ступенчатый, скока мне не попадались ремонтить,там стоит просто трещетка,а сам рег. не совсем обычный.Менял на обычный,тонкомпенсированный с отводами,что нашел у себя,приблиз. по сопротивлению.Больше ни как,родные все на свалке.  |
|
ilsur
Завсегдатай
Сообщения: 900
|
| serega-64, видел, в том то и дело что он уже раскрошился совсем, и почти уже не пашет... |
|
БАРК
Старший модератор
Сообщения: 13337
|
Я родной регулятор чистил трижды, проходило на ура... Удалил заклёпки и сделал его разборным на длинных винтах...
Как начинает шуршать - разбирал и чистил керамическую пластину с напыленными графитовыми резисторами...
Последний раз перепутал бутылочки с химией, макнул тампон в спирт, мазнул - дорожки размазались, вобщем, убил регулятор... Пришлось менять на обычный СП3-4 с тонкомпенсацией, но параметры ухудшились, естественно... |
|
serega-64
Старший модератор
Сообщения: 10180
|
| ilsur, Вот на амфитоне стоит реальный ступенчатый с кучей резисторов. |
|
RomanRB
Модератор
Сообщения: 31879
|
| СП3-33 с отводами (для тонкомпенсации) Килоом на 240 |
|
KRAB
Распугиватель клиентов
Сообщения: 21704
|
| ilsur, поскольку ты тут паришь мозги нам - я и тебе попарю. Берешь галетник "совковый", удаляешь фиксаторы и прижим ослабляешь, напаиваешь резисторы и вперед! |
|
-20 dB
Фанат форума
Сообщения: 7674
|
| ilsur, ф самом деле, ты сознательно моцк паришь чи так, издеваисси? Если руки не под половой орган заточены - то на любой сдвоенный с характеристикой В (экспоненциальной) меняй (хоть советские СП-III). Нет В - ставь А с линейной хар-кой. Ну, регулирование звука будет несколько нелинейным (крутым в начале и хиленьким в конце) - так ты же регулятор, наверное, не как вентилятор крутить собрался? А то и вообще - выпилил переключатель из убитого мультиметра да напаял резюков - вот те ступенчатый. 30 ступеней тебе хватит? |
|
ilsur
Завсегдатай
Сообщения: 900
|
| -20 dB, давайте полегче ! |
|
БЕЗЫМЯННЫЙ
Бегущий по граблям
Сообщения: 7608
|
ilsur, есть такой замечательный форум г-на Клячина, сходи туда, там тоже ету тему обсуждали, может чего подскажут.
ЗЫ: смайликов потом навставляю.... |
|
-20 dB
Фанат форума
Сообщения: 7674
|
ilsur, полегче - только делитель напряжения на двух постоянных резисторах. Могу потяжелее предложить, но при таком уровне познаний не прокатит: К174УН12 и подобные. Однако тебе это вряд ли по зубам.
ДОБАВЛЕНО 24/03/2011 0:32 AM
А... Сообразил вдруг... Это ты насчёт формы рук? Ну дык, мил человек, как ещё-то легче, если сначала ты спрашиваешь, как убить усилитель, а потом - как теми же руками его восстановить. Причём - не зная даже, как заменить регулятор громкости. Как же ты собственно усил восстанавливать собрался? Ломать-то ведь - не строить! |
|
KRAB
Распугиватель клиентов
Сообщения: 21704
|
| БЕЗЫМЯННЫЙ писал: | | есть такой замечательный форум г-на Клячина | - там его и похоронят, обмотав медноправильными проводами в нужном направлении! |
|
БЕЗЫМЯННЫЙ
Бегущий по граблям
Сообщения: 7608
|
KRAB, PS в конце моего поста видел?  |
|
KRAB
Распугиватель клиентов
Сообщения: 21704
|
| БЕЗЫМЯННЫЙ писал: | | в конце моего поста видел? | - видел ... я "усугубил" твою мысль ....  |
|
|
jeffjanet
|
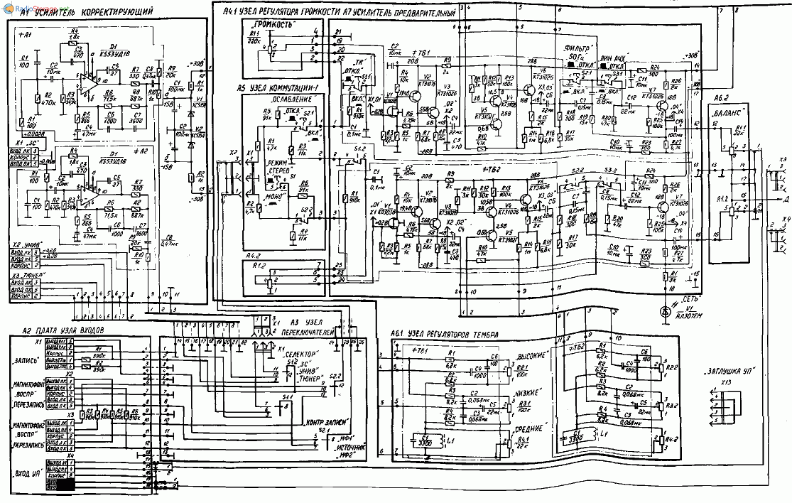
ничего в поиске не нашел, решил поднять старую тему, принесли в ремонт тот самый кумир, регулятор убитый - разобрал - в нем скобки рассыпались. Оконечники работают, но не могу добится звука от преда, все напряжения в норме, транзисторы все перепроверил, КП303В поменял, никакого результата, вместо музыки, тихий хрип, смотрю на схему и не могу понять, как подавалось смещение на V1 в преде, на кп303В, прошу подсказки и помощи
| power-amplifiers-1121.png |
| Описание: |
|
| Размер файла: |
426.55 КБ |
| Просмотрено: |
1333 раз(а) |

|
|
|