ESpec - мир электроники для профессионалов


17mb25 v3 питающие напряжения.

  Список форумов » Нарушения правил

Следующая тема · Предыдущая тема
АвторСообщение
lexx2810 
Новичок
Сообщения: 17
 
Сообщение #1 От 20/05/2017 17:33 цитата  

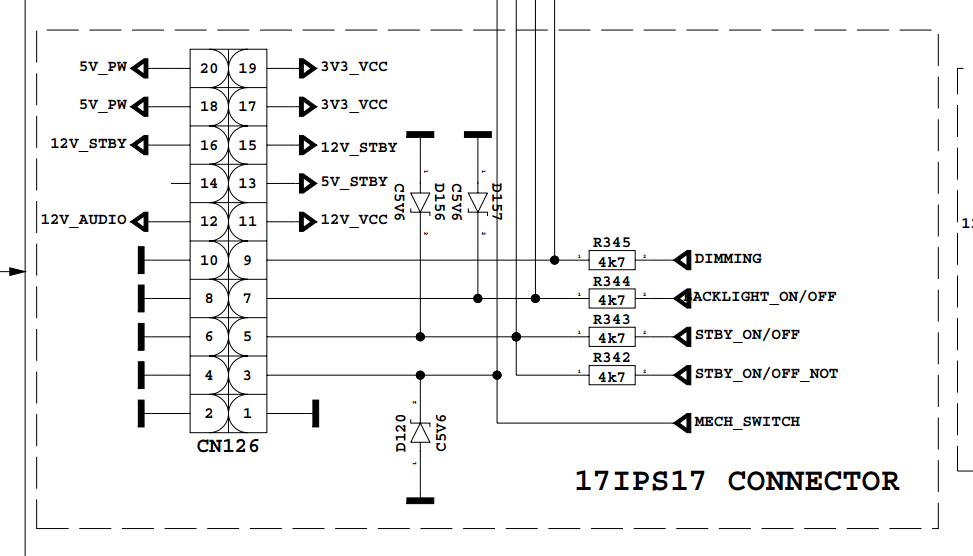
Помогите пожалуйста. Есть плата 17mb25 , купил на ебее . Но плата пришла с питанием от внутреннего источника питания ( в корпусе телевизора).

Мой телевизор с внешним источником 12 вольт. Развязка питаний 3,3 вольта и 5 вольт на рабочей плате не распаяна.

Подскажите какие напряжения нужны обязательно на коннекторе чтоб телевизор заработал .
Схема вот.

  2017-05-20_14-23-07.png  58.99 КБ  Скачано: 157 раз(а)

Перейти: 
Следующая тема · Предыдущая тема
Показать/скрыть Ваши права в разделе

Интересное от ESpec


Другие темы раздела Нарушения правил

000
000
13
2
67
67
67


Rambler's Top100 Рейтинг@Mail.ru liveinternet.ru