ELECTRON 21FTC треск трансформатора питания

YKKY
22/11/2012 00:04
ELECTRON 21FTC
СОСТАВ ШАССИ:

Micom - даташит на PCA84C440P/401
Memory - AT24C02
SMPS - JS-8017 & 2SC4237
TR Chopper - KPW-1118A
SAW - K2950M
Secam - TDA4650
Delay -TDA4661
Colour transient - TDA4565
Video - даташит на TDA3505
VIF - TDA8341
Vertical - TDA3653B
Horizontal/Vertical sync - TDA2579B

Треск трансформатора KPW-1118A в дежурном режиме уже достал.да и в рабочем тоже.при нажатии на сердечник звук трещания уменьшается. что то можно сделать с этим? Да еще в периодичностью увеличения трещания появляются горизонтальные полосы на изображении.

gilan
22/11/2012 00:30
YKKY, копипастить всё подряд зачем? Что за "даташит на"? Исправь.

KRAB
22/11/2012 00:32
YKKY писал:
при нажатии на сердечник звук трещания уменьшается. что то можно сделать с этим?
- пеной задуй строительной через отверстие в задней стенке. улыбка

YKKY
22/11/2012 00:41
KRAB вырвет ведь улыбка пеной

eduard2
22/11/2012 02:05
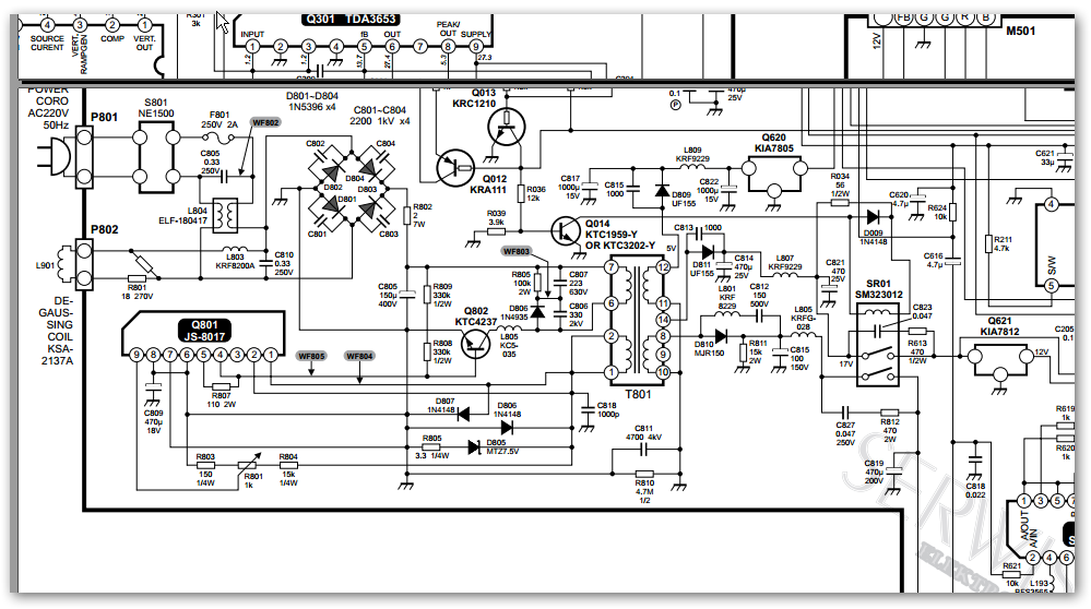
YKKY - треск в трасформаторе KPW-1118A ,что это означает? какой треск (свист или гул?) ты пиши по понятливие-это у тебя вибрация сердечника происходит -но с какой частотой ? если писк- то самовозбудуха по первичке ,если гул то перегруз по вторичке. Отключи транзик С4237(оторви один конец дросселя L806 по схеме на chassis PW1672) и померяй сколько вольт на сетевой банке С805 (и диоднный мост проверь) если около 310 в ,потом транзик подключи поставь лямпочку 60вт на +В и по вторичке (оторви один конец дроссель L805 и подключи паралейно С815 лампочку) все напруги выключи (кроме +В) и посмотри как с лампочкой треск твой будет ( вообще ты пишешь как клиент или ламер)

Варнава
22/11/2012 08:57
eduard2 писал:
какой треск (свист или гул?)

Треск есть треск! И ни когда он не будет ни свистом ни гулом. Свисток издает свист когда в него дуешь, а треск когда на него наступишь. улыбка

YKKY
22/11/2012 09:15
звук как от всерчка можно сравнить низкочастотный с такой же периодичностью.если хорошо на сердечник транса надавить то становится меньше.

aze1959
22/11/2012 09:48
YKKY, в первичке ИП лит 470мкф заменить, сетевой проверить. во вторичке по B+ литы заменой. лит по питанию видеоусилителей проверь заменой. и огласи В+ в вольтах, а не "нормах"

KRAB
22/11/2012 10:41
Кому эти советы НИ О ЧЕМ - тут чистейшая "работа пачками" ... за остальным на Монитор - все расписано!

валентин-сибиряк
22/11/2012 10:41
YKKY писал:
Да еще в периодичностью увеличения трещания появляются горизонтальные полосы на изображении.

YKKY,Сделай,как советует aze1959

YKKY
22/11/2012 11:35
ок

moroz-1963
22/11/2012 15:58
А вот это правильное решение KRAB, писал пеной задуй строительной через отверстие в задней стенке. Только не пеной а чем то другим
YKKY, писал при нажатии на сердечник звук трещания уменьшается Не чего смертельного тут нет пошевили мозгами?

Wassaby
23/11/2012 01:22
Возможно шо ТПИ расклеился мли треснул сердечник магнитопровода. Проверь.

мастер-ломастер
25/11/2012 16:36
YKKY, лет примерно 25 назад мне попался Рубин-Ц-208. Там тоже гудел силовой трансформатор, я сделал так: вытащил полностью ТС и поместил его на 1час в ведро с лаком, потом вытащил, дал постоять до утра и поставил обратно в ТВ, гул пропал классно! классно! классно! классно!

Варнава
26/11/2012 05:44
YKKY писал:
Да еще в периодичностью увеличения трещания появляются горизонтальные полосы на изображении.

Уберешь полосы,-пропаде треск.
В певую очередь прислушайся к совету
KRAB писал:
тут чистейшая "работа пачками" ... за остальным на Монитор - все расписано!


zubr
26/11/2012 14:51
А что такое "работа пачками", я недопонял?

ДОБАВЛЕНО 26/11/2012 13:54

Пачками телевизоры такие делать, или пачки импульсов на трансе, или еще какие пачки? Просветите, пож, темного, а то некоторые тоже не понимают, но боясь прослыть ламерами, важно кивают улыбка

LordLostr
26/11/2012 15:22
zubr писал:
А что такое "работа пачками", я недопонял?

Помехи с Б.П. ,попадётся увидишь. Осциллом не вторичках,пачки импульсов,проявляется по разному (в дежурке,в раб.реж.) Последний раз попадалось из за дохлого 10/25v. подшучивать, дразнить но сначала бывает слышишь звук. Автору не мешает осцилл. посмотреть.

zubr
26/11/2012 15:42
Мне не встречалось такое... А мож и встречалось, но до осцилла дело не дошло. Поменял литы и все... Вообще, если ТПИ грязно свистит или трещит, 99 процентов литы... И вообще, процентов 80 причин неисправностей - это литы улыбка

KRAB
26/11/2012 15:49
В Гугле можно все прочесть ...

LordLostr
26/11/2012 16:04
zubr, Не только литы,бывают причины разные.
zubr писал:
Вообще, если ТПИ грязно свистит или трещит,
Бывает ТПИ молчит,а помехи лезут :строка,звук,странный цыкличный шелест. улыбка Ну, KRAB тебе сказал,а как попадётся будет наглядней.

LordLostr
26/11/2012 16:36
YKKY, И долго эта тема (трещать) тут бедет? Халявщику уже всё подсказали. недовольство, огорчение

agent007
26/11/2012 18:07
в этих нет , а в китайце недавно менял ТПИ , перед этим перелопатив кучу деталей , не верилось что ТПИ может так трещать

Варнава
26/11/2012 19:03
http://monitor.espec.ws/download.php?id=105983
В схеме обмотка ТПИ 1-2 закорочена. С809 не получает подпитки вот вам и "пачки". улыбка Да и ещё кое где имеются ненужные сообщения. И как только БП работал???

JYRIJJ
26/11/2012 19:21
Коллеги! Да ладно вам улыбка от Т.C третьи сутки, ни ответа ни привета недовольство, огорчение

Варнава
27/11/2012 04:24
JYRIJJ писал:
от Т.C третьи сутки, ни ответа ни привета

Интернет в эти числа отключают при неоплате. Не успел видно заменить кондеры.

YKKY
30/11/2012 15:09
помогла строительная пена.запенил его аккуратно со всех сторон.треска почти не стало слышно.

ДОБАВЛЕНО 30/11/2012 16:11

видать гдето сердечник отклеился.всем спасибо.

LordLostr
30/11/2012 16:31
Думайте сами ...

ДОБАВЛЕНО 30/11/2012 17:34

А лучше,забетонировать. смех

liveinternet.ru Rambler's Top100 –ейтинг@Mail.ru