БИБЛИОТЕКА
•
ФАЙЛЫ
•
ФОРУМ
•
ССЫЛКИ
•
ЧАТ
Регистрация
•
Вход
Поиск
•
Пользователи
•
Справка
SHARP CV-3710S Отсутствует цвет в СЕКАМе
Список форумов
»
Нарушения правил
Следующая тема
·
Предыдущая тема
Автор
Сообщение
vladmas
Заглянувший
Сообщения: 1
#1 От 14/12/2009 16:57
цитата
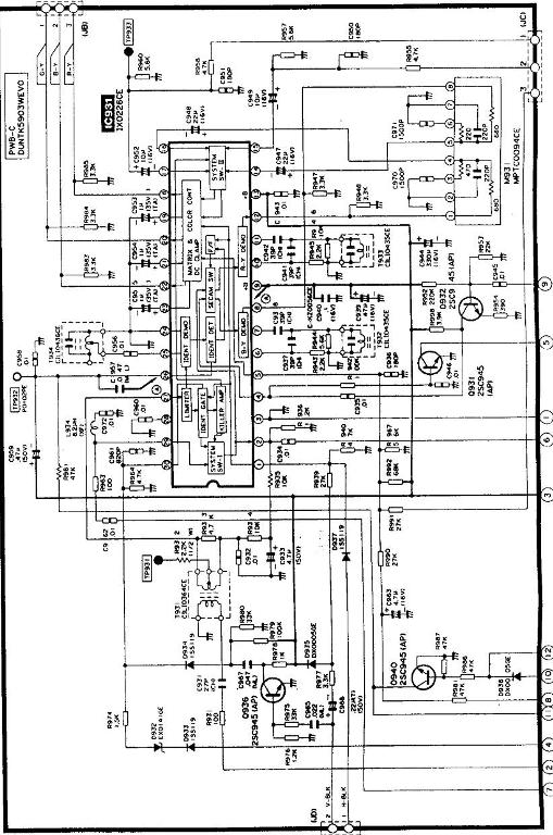
В системе PAL цвет нормальный, микросхема декодера IX0226CE. Что нужно сделать, чтоб появился цвет в системе SECAM?
Схема прилагается.
IX0226CE.JPG
100.83 КБ
Скачано: 757 раз(а)
C1-65A
Фанат форума
Сообщения: 4561
#2 От 14/12/2009 17:20
цитата
vladmas
,
Сообщение Администрации :
Следует ознакомится и блюсти
ПРАВИЛА
!!! Вы уж извините, но у нас с этим строго, исправте тему и побеседуем. ОК?
Alexasha
Нелегал
Сообщения: 13962
#3 От 14/12/2009 17:20
цитата
vladmas писал:
Что нужно сделать
Читать
http://monitor.espec.ws/section1/topic133974.html
C1-65A
Фанат форума
Сообщения: 4561
#4 От 14/12/2009 17:57
цитата
vladmas
, мы тоже долго ждать не будем!
C1-65A
Фанат форума
Сообщения: 4561
#5 От 14/12/2009 20:16
цитата
Не дождались.
Список форумов
»
Нарушения правил
Перейти:
Выберите форум
CRT-телевизоры
LCD-телевизоры и плазменные панели
Проекционные телевизоры
Сервисные меню телевизоров
TFT-мониторы
CRT-мониторы
Настольные компьютеры
Ноутбуки и КПК
Периферийные устройства
DVD-проигрыватели и видеомагнитофоны
Видеокамеры
Фотоаппараты
Стационарные и радиотелефоны
Мобильные телефоны и смартфоны
Стиральные и посудомоечные машины
Холодильники и кондиционеры
Газовые и электроплиты
Микроволновые печи
Газовые котлы
Прочие бытовые приборы
Музыкальные центры и усилители
Автомобильные аудиосистемы
Портативная аудиотехника
Раскодировка
Цифровые приставки, спутниковое оборудование
Измерительные приборы
Медицинская техника
Другая аппаратура
Схемы и сервис-мануалы
Прошивки
Даташиты
Торговые ряды
Стол заказов
Свободное общение
Программаторы
Электроника от А до Я
Мастерская Самоделкина
Программное обеспечение
Новости, обьявления, важные темы
Центр связи и информации
Некомпетентные вопросы
Нарушения правил
Следующая тема
·
Предыдущая тема
Версия для печати
Ваши права в разделе
Вы
не можете
начинать темы
Вы
не можете
отвечать на сообщения
Вы
не можете
редактировать свои сообщения
Вы
не можете
удалять свои сообщения
Вы
не можете
голосовать в опросах
Вы
не можете
добавлять файлы
Вы
можете
скачивать файлы
Интересное от ESpec
Другие темы раздела
Нарушения правил
1
Acer AL1916 проблемы с цветом
canon hdv 20 не извлекается кассета
Garbage
LG CF-21F82 - проблема со звуком
LG mutiplex kz21fc70rx
Panasonic TC-21D2 - проблема с уровнем громкости
PHILIPS 14GX37A Размер по вертикали увеличивается
Philips 28PT5001 (MD1.1?) пробило C 2433 -тёмное изображение
Rolsen C2118 (проблема со звуком 0/1)
Samsung 757NF изображение перемещается по вертикали
Soni KV-21M1 вышыбает ПЗУ!!!!
Запчасти в крыму на СМА
Звонарь -колокольщик на форуме
Проблема с LG LH-CK6530 нет изображения в режиме DVD
сма Whirpool AWT 5108/4 выгорели детали нужна помощь
Стиральная машина Bosch WMV 1600 не греет воду
Тв Горизонт Выключактся при просмотре DVD
Тиристорные регуляторы мощности( напряжения, тока) от произв
Чем отлечаются KDL-32W5500 и KDL-32V5500