ESpec - мир электроники для профессионалов


LE-3245 (tp.vst59.p83) нет подсветки

  Список форумов » Нарушения правил

Следующая тема · Предыдущая тема
АвторСообщение
Вася2012 
Заглянувший
Сообщения: 4
 
Сообщение #1 От 24/08/2016 14:54 цитата  

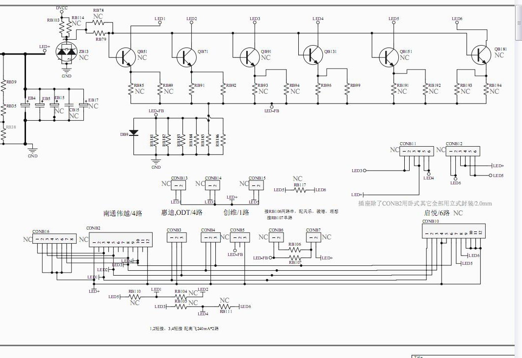
Телевизор после другого мастера. Включаеться, только подсветка не работает. В дежурке после нажатия на пульте кнопки включение, телевизор включается. на мгновение вспихивает подсветка и видно логотип бренда. После этого телевизор работает без подсветки. При включении в сеть на выводе conb15 19 вольт. При нажатии на пульте включение напряжение увеличиваеться сначала до 20 вольт потом скачек к 57 вольтам и снижаеться (розряд конденсаторов) и останавливаеться на 20 вольтах. Подсветка состоит из двух km0315ldhh44 соединеных последоватильно все светодиоды перепаяные (некоторые не светятся) на левые по 3,5 вольт. Без подключенной подсветки показания напряжния аналогичны. Одну km0315ldhh44 нашел сдесь нужна еще одна, но сначала востановить нужно схему питания подсветки. Кто чем может помочь?

ДОБАВЛЕНО 24/08/2016 16:00

Схема подсветки

  85_0.jpg  122.4 КБ  Скачано: 2612 раз(а)
  shem1.jpg  75.68 КБ  Скачано: 3202 раз(а)
  shem2.jpg  126.45 КБ  Скачано: 2219 раз(а)
пугачев емельян иванович 
Бывалый
Сообщения: 40
 
Сообщение #2 От 24/08/2016 15:55 цитата  

ты с линейками разберись. скорее всего больше ничего и чинить не придется.
Вася2012 
Заглянувший
Сообщения: 4
 
Сообщение #3 От 24/08/2016 17:18 цитата  

пугачев емельян иванович писал:
ты с линейками разберись. скорее всего больше ничего и чинить не придется.


То может подскажеш ихние параметры? По 10 светодиодов на планке, последовательно - паралельное соединение. На подсветку подается 50 вольт я так полагаю. Но для даной самопальной подсветке 50 будет много.

ДОБАВЛЕНО 24/08/2016 18:19

Кто подскажет параметры светодиодов km0315ldhh44?
dobr27058@mail.ru 
Новичок
Сообщения: 26
 
Сообщение #4 От 07/09/2018 10:06 цитата  

Сейчас такой в ремонте. Там две линейки по 10 светиков. Светики 3 Вольтовые на 1 Ватт. На подсветку подается около 60 Вольт. Вот такие ставил я, только потом полярность менял http://ali.pub/2qs186 (не реклама)

Перейти: 
Следующая тема · Предыдущая тема
Показать/скрыть Ваши права в разделе

Интересное от ESpec


Другие темы раздела Нарушения правил

000
123
123
13
2
321


Rambler's Top100 Рейтинг@Mail.ru liveinternet.ru