ESpec - мир электроники для профессионалов


Газовая горелка mvl rg148, проблемы с запуском турбины

  Список форумов » Нарушения правил

Следующая тема · Предыдущая тема
АвторСообщение
kilovolt_vasiliy 
Новичок
Сообщения: 22
 
Сообщение #1 От 15/09/2018 17:37 цитата  

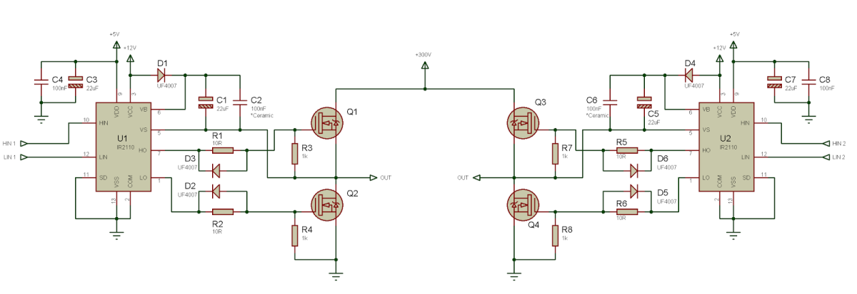
Трепанирую сей PCB. может кому и пригодится.. ответ на последний пост.. диоды в параллель с резисторами стоят..гляньте _ttps://habr.com/post/256353/[/img]

ДОБАВЛЕНО 15/09/2018 18:39

https://habr.com/post/256353/ ну или тут читайте...

  51b02eac581240869d6941d9f907d2ea.png  72.37 КБ  Скачано: 187 раз(а)
xarl 
Модератор
<B>Модератор</B>
Сообщения: 21861
xarl
 
Сообщение #2 От 15/09/2018 17:40 цитата  

kilovolt_vasiliy, Род занятий: .......................................?

Перейти: 
Следующая тема · Предыдущая тема
Показать/скрыть Ваши права в разделе

Интересное от ESpec


Другие темы раздела Нарушения правил

000
1
1
123
67
67


Rambler's Top100 Рейтинг@Mail.ru liveinternet.ru