ESpec - мир электроники для профессионалов


EPSON T50 не включается. CA45 Main

  Список форумов » Периферийные устройства

Следующая тема · Предыдущая тема
АвторСообщение
ValdemarKravets 
Новичок
Сообщения: 19
 
Сообщение #1 От 08/05/2021 00:59 цитата  

Принесли T50 с проблемой:
Epson Status Monitor постоянно матерится на неоригинальные картриджи.
было принято решение переделать в L800
Купил пару NOR flash KH29LV800CBTC-70 уже прошитых под L800 в магазине
у меня Артисан 50 - решил тоже запилить одним разом)
впаял сначала себе, прописал серийный номер и ID головки - работает отлично.
впаиваю вторую KH29LV800CBTC-70 в Т50 - не включается вообще. КЗ нет.
на разъеме питания при включенном шнуре в розетку: 1pin - 2.5В / 2pin - земля / 3 pin - 0.7В
пр нажатии кнопки включения напряжения поднимаются до 42В и плавно падают до значений 2,5 и 0,7 соответственно.
транзисторы в порядке, F2, сопротивления в обвязке транзисторов.
поменял KH29LV800CBTC-70 местами.
на моем Артисане второй KH29LV800CBTC-70 завелся, все работает. решил замерять напряжения
на рабочей плате там все также: 1pin - 2.5В / 2pin - земля / 3 pin - 0.7В, при включении загорается зеленый светодиод и напряжения поднимаются до 42В и остаются такими.
ставлю свою плату в Т50 - работает. ставлю плату Т50 в артисан - нет старта. вопрос только к "майну".
решил впаять "родную норку" в Т50 - не включается( в сервис мануале power - on sequence нужной информации не нашел(
anatoliy_61 
Завсегдатай
Сообщения: 475
 
Сообщение #2 От 11/05/2021 11:43 цитата  

Похоже на перегруз по питанию.
ValdemarKravets 
Новичок
Сообщения: 19
 
Сообщение #3 От 11/05/2021 15:04 цитата  

я сделал замеры по питанию на рабочей плате и этой. все идентично.
на норку приходит 3,3В. 37 pin (напряжение поднимается до 3.3В при нажатии включения и падает плавно до 0)
на еепром 93s56 - 3,3В. 8 pin (напряжение поднимается до 3.3В при нажатии включения и падает плавно до 0)
Драйвер ПГ E09A7218A - 2,8В (15 pin) - напряжение поднимается до 42В при нажатии включения и падает плавно до 2,8В
Драйвер ПГ E09A7218A - 3.3В (22 pin) - (напряжение поднимается до 3.3В при нажатии включения и падает плавно до 0)

осталось замерять питание (попробую сегодня после работы)
E01A69BE (ПРОЦ)
winbond w9864g6jh-6
IC4 25P05VP и IC8 A6627SJPT
<vlad> 
Завсегдатай
Сообщения: 629
 
Сообщение #4 От 11/05/2021 16:05 цитата  

по пробуй поменять IC4 25P05VP
ValdemarKravets 
Новичок
Сообщения: 19
 
Сообщение #5 От 12/05/2021 01:08 цитата  

победил. возможно кому-то поможет...
выпаял E09A7218A - включился. впаял ее же назад включился.
почему не включался с ней (ведь я ее вообще не трогал) - дупля не отстрелю.
почему включился после выпаивания E09A7218A и впаивания ее же назад - тем более.

попутный вопрос:
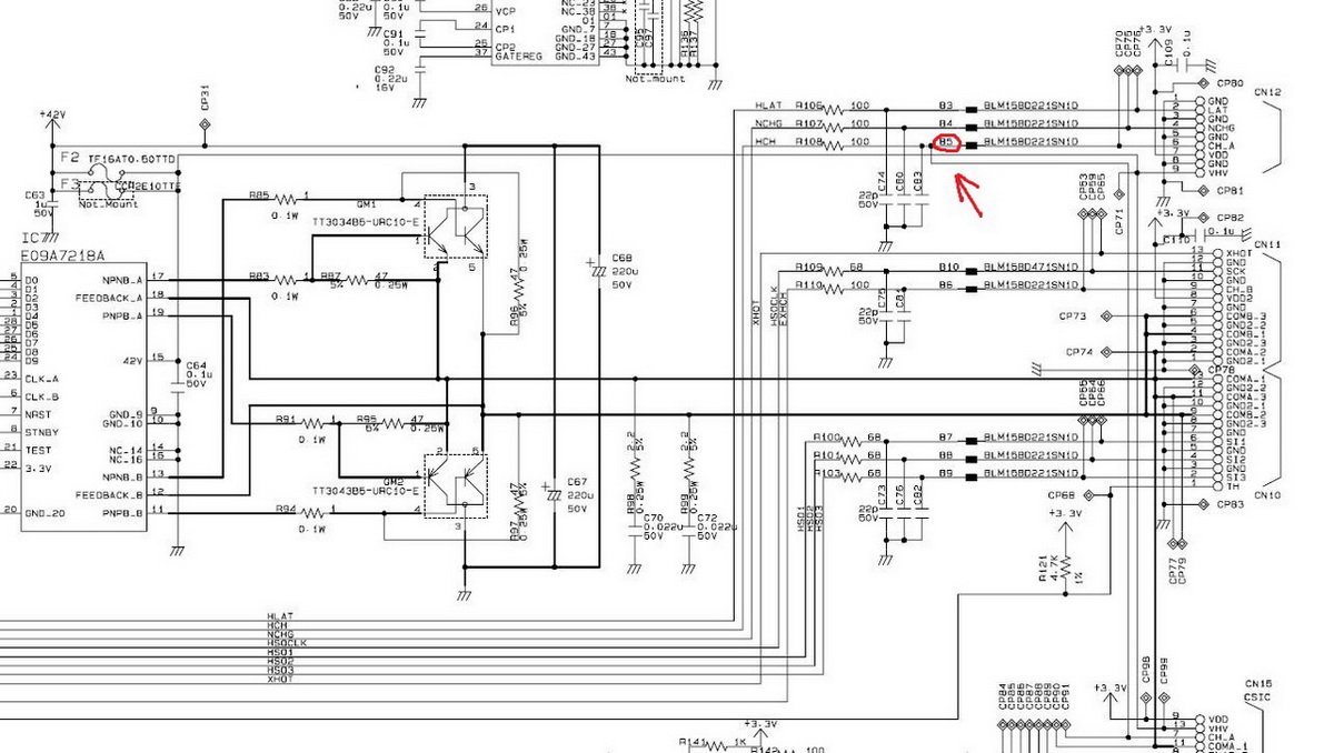
ферритовое кольцо В5 BLM15BD221SN1D на майне чем можно заменить? я заказал. ждать долго.
есть на майне XP-432 )B1. отличается по замеру мультиметром.
схемы на XP-432 не нашел. пробовать не стал.

  epson t50 (B5).jpg  199.54 КБ  Скачано: 396 раз(а)
ValdemarKravets 
Новичок
Сообщения: 19
 
Сообщение #6 От 12/05/2021 19:52 цитата  

поставил сопротивление 220 Ом. полет нормальный. приедут кольца - запаяю кольцо

Перейти: 
Следующая тема · Предыдущая тема
Показать/скрыть Ваши права в разделе

Интересное от ESpec


Другие темы раздела Периферийные устройства



Rambler's Top100 Рейтинг@Mail.ru liveinternet.ru