ESpec - мир электроники для профессионалов


Модуль управления стиральной машины LG (6871ER1081H)

  Список форумов » Некомпетентные вопросы

Следующая тема · Предыдущая тема
АвторСообщение
malayvka 
Новичок
Сообщения: 13
 
Сообщение #1 От 13/09/2021 21:41 цитата  

Помогите
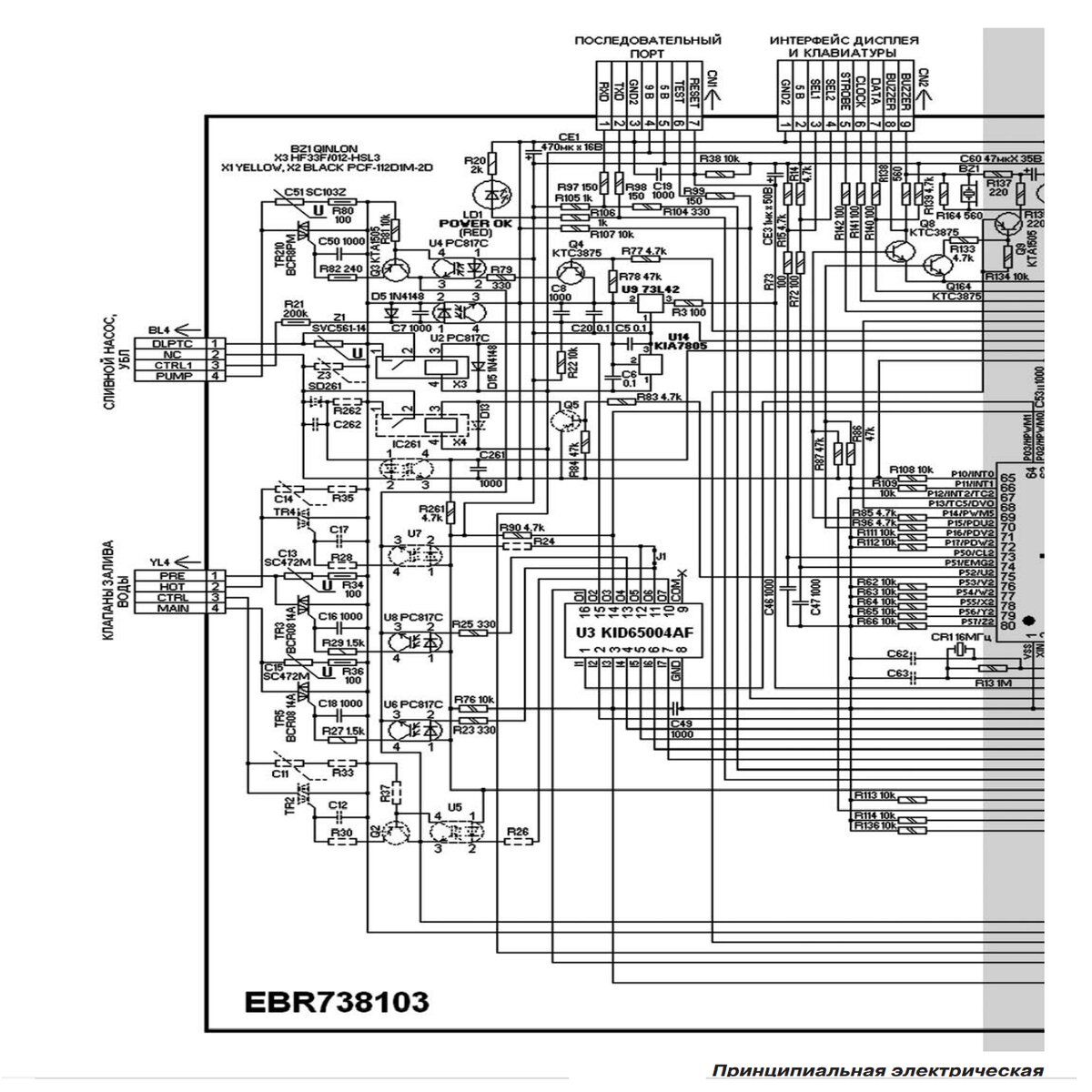
Какой номинал конденсатора С151

  _viber_2021-09-13_18-00-11-219 (2).jpg  192.86 КБ  Скачано: 187 раз(а)
Fanttom 
Передовик
Сообщения: 1441
Fanttom
 
Сообщение #2 От 13/09/2021 21:55 цитата  

А что за элемент ic5?
malayvka 
Новичок
Сообщения: 13
 
Сообщение #3 От 13/09/2021 22:05 цитата  

kia7805a
Fanttom 
Передовик
Сообщения: 1441
Fanttom
 
Сообщение #4 От 13/09/2021 22:23 цитата  

На входе стабилизатора стоит 0,33 мкф(330 нф),на выходе 0,1мкф(100нф).Вместо KIA лучше ставить LM7805,78L05.
xarl 
Модератор
<B>Модератор</B>
Сообщения: 21874
xarl
 
Сообщение #5 От 14/09/2021 10:56 цитата  

malayvka, удаление...
malayvka 
Новичок
Сообщения: 13
 
Сообщение #6 От 14/09/2021 20:57 цитата  

Благодарю за ответ
Вот нашел




Fanttom 
Передовик
Сообщения: 1441
Fanttom
 
Сообщение #7 От 14/09/2021 22:41 цитата  

классно!
malayvka 
Новичок
Сообщения: 13
 
Сообщение #8 От 15/09/2021 22:20 цитата  

Вот еще нарыл
https://forum.hyipinvest.net/threads/4918/

lg - f.d.p 06.jpg
 Описание:
 Размер файла:  237.57 КБ
 Просмотрено:  298 раз(а)

lg - f.d.p 06.jpg



Перейти: 
Следующая тема · Предыдущая тема
Показать/скрыть Ваши права в разделе

Интересное от ESpec


Другие темы раздела Некомпетентные вопросы

1


Rambler's Top100 Рейтинг@Mail.ru liveinternet.ru