| Автор | Сообщение |
|
john-yug
|
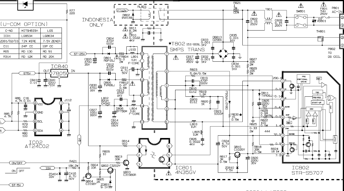
ТВ. LG CF-20E40. на шасси MC-64A. Возможна ли замена ТПИ ? 151-B06Q (шасси MC-64A), -- на 151-B05F (Шасси MC-41A). Размеры одинаковые. Есс-но кое что перекинуть. Как Вы думаете ??? Схемы БП приложены.
| 2012-12-10_153526.png |
| Описание: |
|
| Размер файла: |
587.8 КБ |
| Просмотрено: |
481 раз(а) |

|
2012-12-10_152925.png 95.58 КБ Скачано: 403 раз(а)
|
|
moroz-1963
Завсегдатай
Сообщения: 642
|
| john-yug, Аналогами 151-B06Q -151-B06L 151-B06T |
|
|
john-yug
|
| moroz-1963 . Аналогами - это понятно. А вот подойдёт ли 151-В05F ??? Для того и схемы приложены. Чтобы взглянуть. По размеру 1 - 1. |
|
aze1959
Распугиватель "гениев"
Сообщения: 6574
|
john-yug, можно попробывать. вроде как подходит. Вторичка В+, 25 вольт, 12 вольт.
первичка питание ключа, питание на коллектор стабилизатора (транзистора), питание на эмиттер стабилизатора (транзистора) |
|
LordLostr
Модератор
Сообщения: 8673
|
| john-yug писал: | | Размеры одинаковые. |
Что-то новое.Ну,ты и лентяй.  |
|
валентин-сибиряк
Фанат форума
Сообщения: 9027
|
| john-yug,если с выводами не запутаешься конечно можно. |
|
LordLostr
Модератор
Сообщения: 8673
|
Похоже,в датащиты.  |
|
|
john-yug
|
| Похоже можно и закрывать тему. ТВ завёлся. Проблема была в том, что сердечник ТПИ раскололся. Подклеил и всё ОК !!!!! Работает. А Другой ТПИ будет пока в запасе. |
|