ESpec - мир электроники для профессионалов


Помогите опознать диод или найти аналог Panasonic sa-vk660

  Список форумов » Даташиты

Следующая тема · Предыдущая тема
АвторСообщение
KONONS 
Заглянувший
Сообщения: 2
 
Сообщение #1 От 22/03/2018 15:46 цитата  

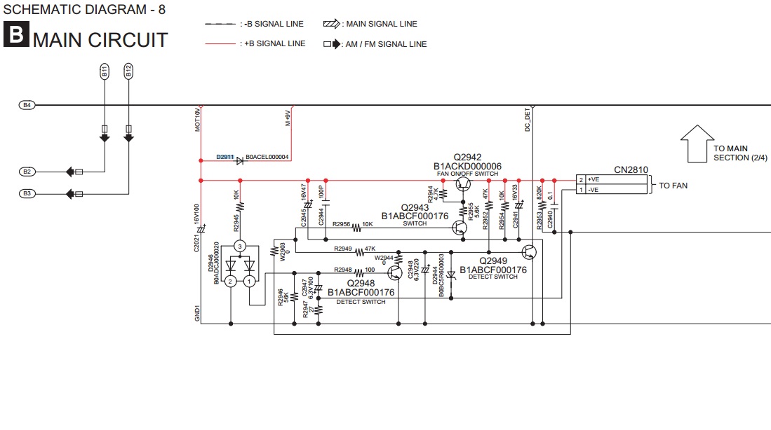
Взорвался диод на "Main Cirkuit" - D2911 B0ACEL000004 DIODE

  123jf.jpg  102.97 КБ  Скачано: 234 раз(а)
roges 
Передовик
Сообщения: 1197
 
Сообщение #2 От 22/03/2018 16:42 цитата  

KONONS писал:
Взорвался диод на "Main Cirkuit" - D2911 B0ACEL000004 DIODE

Там, кроме D2911, такие же диоды стоят в позициях: D2801, D2241, D2551, D2578, D2804 и т.д.
KONONS 
Заглянувший
Сообщения: 2
 
Сообщение #3 От 23/03/2018 09:15 цитата  

на них надписей нет недовольство, огорчение
roges 
Передовик
Сообщения: 1197
 
Сообщение #4 От 23/03/2018 11:47 цитата  

KONONS, лак сними и ещё раз посмотри.

Перейти: 
Следующая тема · Предыдущая тема
Показать/скрыть Ваши права в разделе

Интересное от ESpec


Другие темы раздела Даташиты

LED


Rambler's Top100 Рейтинг@Mail.ru liveinternet.ru