ESpec - мир электроники для профессионалов


опознать смд транзистор ZH35 и HA 6B

  Список форумов » Даташиты

Следующая тема · Предыдущая тема
АвторСообщение
goric 
Завсегдатай
Сообщения: 654
 
Сообщение #1 От 01/12/2024 22:38 цитата  

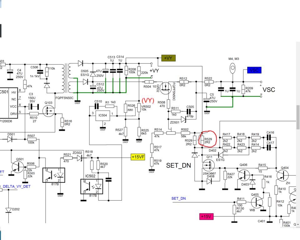
на транзисторе надпись ZH с низу 35, и второй HA--6B, стоят в плате Y EAX61332701-регулировка SET_DOWN/
Q404(ZH), Q403 (HA)




  11.jpg  87.38 КБ  Скачано: 83 раз(а)
  =1.jpg  88.75 КБ  Скачано: 125 раз(а)
adam7 
Участник
Сообщения: 114
adam7
 
Сообщение #2 От 03/12/2024 18:08 цитата  

Вот так выглядит твой транзистор HA_6B ?





Перейти: 
Следующая тема · Предыдущая тема
Показать/скрыть Ваши права в разделе

Интересное от ESpec


Другие темы раздела Даташиты



Rambler's Top100 Рейтинг@Mail.ru liveinternet.ru