ESpec - мир электроники для профессионалов


TOSHIBA 40XV733R шасси: PE0840 Короткое по деж. 5 вольта

  Список форумов » LCD-телевизоры и плазменные панели

Следующая тема · Предыдущая тема
АвторСообщение
dim_71 
Заглянувший
Сообщения: 2
 
Сообщение #1 От 03/11/2015 09:31 цитата  

TOSHIBA 40XV733R шасси: PE0840 Короткое по деж. 5 вольта.
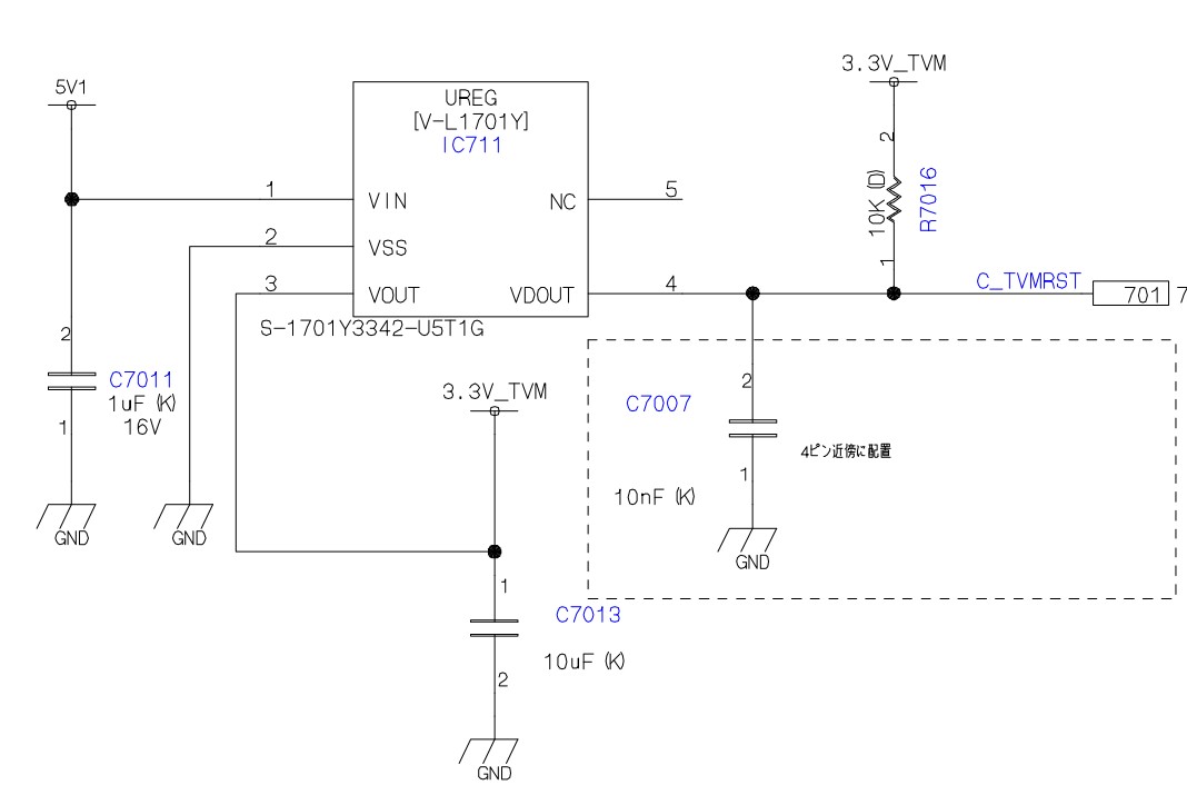
Пришел с кз по деж. 5 вольтам, дефект локализовали на IC711 S-1701Y334 (короткое по входу на 1 ноге), выпаял - кз пропало, у неё в нагрузке по шине питания 3,3 V_TVM относительно земли подозрительно большое сопротивление (больше 1 Мом, может так надо)?, как понял - роль данной IC формирование напряжения 3.3 V_TVM и формирование сигнала RESET CPU по линии C_TVMRST. Поиск для покупки данной IC результатов не дал, на разборке не нашел(, вопрос собственно к спецам - принцип функционирования данной зверюшки в данном месте схемы и есть ли возможность собрать функциональный аналог из того что есть?, телевизор уже довольно долго ждет решения, а его все нет)), всем спасибо, кто откликнулся.

  2015-11-03_pdf_ic.jpg  65.01 КБ  Скачано: 396 раз(а)
  2015-11-03_ic711.jpg  61.2 КБ  Скачано: 399 раз(а)
Yuritsh 
Фанат форума
Сообщения: 18498
Yuritsh
 
Сообщение #2 От 03/11/2015 12:26 цитата  

Еще в старых CRT телевизорах применялись стабилизаторы с ресетом.

Можно попробовать два отдельных узла. Трёхногий RESET из какого нибудь CRT TV и какой нибудь DC\DC на 3,3V.

Если не найдешь ничего более подходящего, вот на эти взгляни.
даташит на NCV4275A
даташит на TPS7A6033-Q1 TPS7A6050-Q1 TPS7A6133-Q1 TPS7A6150-Q1
даташит на MAX6329 MAX6349
даташит на TLE4275
dim_71 
Заглянувший
Сообщения: 2
 
Сообщение #3 От 03/11/2015 12:47 цитата  

спасибо за идею Yuritsh, буду пробовать, поискал аналогичные 78MR03 стабилизатор +3В/0.5А +reset ...

Перейти: 
Следующая тема · Предыдущая тема
Показать/скрыть Ваши права в разделе

Интересное от ESpec


Другие темы раздела LCD-телевизоры и плазменные панели



Rambler's Top100 Рейтинг@Mail.ru liveinternet.ru