ESpec - мир электроники для профессионалов


LCD LG 43LJ500V опознать стабилитрон ШИМ 3S121

  Список форумов » LCD-телевизоры и плазменные панели

Следующая тема · Предыдущая тема
АвторСообщение
TRIPLEX 
Передовик
Сообщения: 2529
TRIPLEX
 
Сообщение #1 От 10/11/2020 18:30 цитата  

БП 715G7574-P01-W07-0H2H
пробиты 8R1KOCE Q9101 и ШИМ 3S121
по 5 пину стоит ZD9102 на какое напряжение должен стоять?
в схеме 715g7574p0b0 его нет
Витькан 
Завсегдатай
Сообщения: 610
 
Сообщение #2 От 10/11/2020 18:42 цитата  

http://monitor.espec.ws/section31/topic312758.html
В последнем сообщении есть PDF со схемой... Но надо проверить, подходил ли она!!
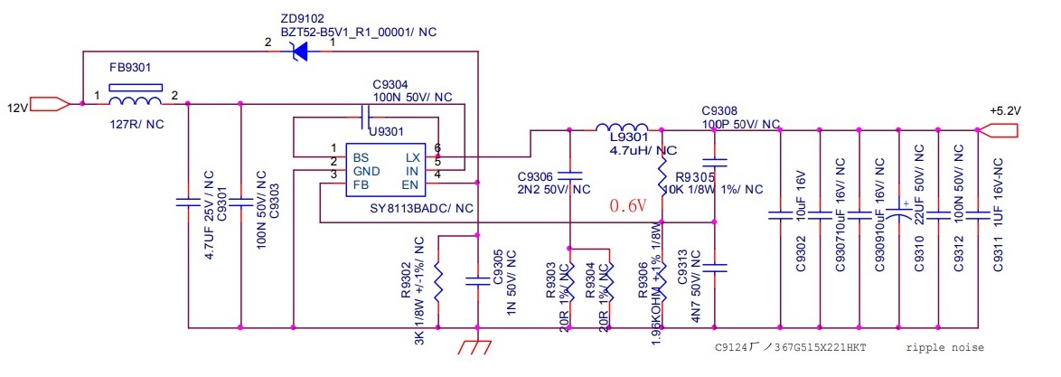
В соответствии с той схемой ZD9102 - на 5.1В...

  ZD9102.jpg  97.06 КБ  Скачано: 1453 раз(а)
Некто Никто 
Фанат форума
Сообщения: 5011
Некто Никто
 
Сообщение #3 От 10/11/2020 21:36 цитата  

TRIPLEX, не имеет большого значения. Я ставил, что было под рукой в SMD-исполнении (3V3)
foxter-x 
Передовик
Сообщения: 1503
 
Сообщение #4 От 10/11/2020 22:29 цитата  

По DRV стабилитрон 3.3?
TRIPLEX 
Передовик
Сообщения: 2529
TRIPLEX
 
Сообщение #5 От 10/11/2020 22:36 цитата  

поставил на 5.1в
По +12_А висит 16,5
по 12в два раза дёрнется около 10-12в и падает до нуля.

Будем дальше разбираться.

Спасибо!

ДОБАВЛЕНО 10/11/2020 23:37

foxter-x писал:
По DRV стабилитрон 3.3?


да
foxter-x 
Передовик
Сообщения: 1503
 
Сообщение #6 От 10/11/2020 22:38 цитата  

TRIPLEX, фото БП скинь?
Некто Никто 
Фанат форума
Сообщения: 5011
Некто Никто
 
Сообщение #7 От 10/11/2020 22:42 цитата  

foxter-x, извините, невнимательность. Я ставил по 6pin (OCP)
TRIPLEX 
Передовик
Сообщения: 2529
TRIPLEX
 
Сообщение #8 От 13/11/2020 13:17 цитата  

дело было ещё и в оптроне. Звонился как исправный.
после его замены стало стабильно 12в
уже пару часов ТВ работает.

Всем спасибо!
foxter-x 
Передовик
Сообщения: 1503
 
Сообщение #9 От 13/11/2020 14:20 цитата  

TRIPLEX писал:
ДОБАВЛЕНО 10/11/2020 23:37

foxter-x писал:
По DRV стабилитрон 3.3?


да

Бздешь.
is_bas 
Заглянувший
Сообщения: 1
 
Сообщение #10 От 12/01/2022 14:12 цитата  

foxter-x писал:
По DRV стабилитрон 3.3?


по OCP, параллельно токовому резистору.

Перейти: 
Следующая тема · Предыдущая тема
Показать/скрыть Ваши права в разделе

Интересное от ESpec


Другие темы раздела LCD-телевизоры и плазменные панели



Rambler's Top100 Рейтинг@Mail.ru liveinternet.ru