LED LG 32CS460 Нет логотипа и изображения

Борис19
27/01/2022 22:34
Майн LD21C/LC21B EAX64910001(1.0) 12.04.19
Dsplay LC320WXN (SC)(A4)

Друзья купили на АВИТО. "Включался через раз", и уходил в выключение
Купил ему точно такую майн, но как оказалось, на тикон там выход с разъёма P703 - с большим количеством ножек.
На старой плате, выход с P705, стоящей рядом.
Перепаял P705 со старой на новую.
Работает только включение и подсветка. Сигналы на P705 есть.
Майн - от другого дисплея?
Нужна перепрошивка купленого майна под этот LG32CS460?
Все питаюшие напряжения соответствуют указанным еа разъёме.

Некто Никто
27/01/2022 23:35
Борис19, сервис-мануал и изучай расположение опционных резисторов

den7777777
28/01/2022 11:05
опционники смотри

Некто Никто
28/01/2022 14:08
den7777777 писал:
опционники смотри

дерзко, мощно, стремительно! классно! браво!
По теории жанра сейчас должен кто-нибудь ещё подтянуться и сказать уже в конце концов про опционные резисторы. Непонятно, почему до сих пор о них не упоминали... гы-гы гы-гы

Борис19
29/01/2022 08:20
7777777, благодарю за ссылку!
Про опционники ищу везде. Информация общего порядка. Понятен только принцип в общих чертах - процессору необходимы другие уровни под другую матрицу. На плате и схеме пока не нашел. Но теперь хоть знаю ка должны на схеме выглядеть. Какие под эту модель должны быть уровни, и в каких точках, тоже мало кто знает, а кто знает, придерживается педагогической методики намеков. Картина "веселая" - майн не вернуть по причине паяного разъема. Поиски продолжаю, деться некуда, вот еще кое что нашел -
LG 55UK6750PLA - замена матрицы (опционные резисторы)
http://monitor.espec.ws/section31/topic319906.html

ДОБАВЛЕНО 29/01/2022 09:27

И ещё - я так понимаю, что кроме подбора опционников, необходима и перепрошивка?

bumbox1974
29/01/2022 09:36
Микросхемы памяти переставляешь со своей старой платы и все дела. Кроме опционных резисторов там еще дроссель по питанию матрицы может отсутствовать.

Некто Никто
29/01/2022 11:41
Борис19 писал:
7777777, благодарю за ссылку!
Про опционники ищу везде. Информация общего порядка. Понятен только принцип в общих чертах - процессору необходимы другие уровни под другую матрицу. На плате и схеме пока не нашел. Но теперь хоть знаю ка должны на схеме выглядеть. Какие под эту модель должны быть уровни, и в каких точках, тоже мало кто знает, а кто знает, придерживается педагогической методики намеков.

- отлично, что понятен принцип в общих чертах
- про поиски на схеме и плате - не утруждайтесь. Ща добрые самаритяне кинут фотку области на плате
- про уровни и точки - это глыбоко и мочно. Никак не можно взять в руки родную плату и купленную и сравнить
- про намёки - однозначно правы. Всеобщая жажда халявы и нежелание приложить хоть мало-мальские усилия самому делает такую методику абсолютно неэффективной. Легче ж выждать 2-3 дня, чем скачать суперзасекреченный мануал, который можно найти на любом углу, найти в схеме позиционные номера упоминаемых элементов, найти их на плате и сравнить с родной. Архисложная задача. На всё про всё - полчаса. Но тут минус - ни в носу не поколупаться, ни в потолок поплевать. Нет! Такие пути нам не нужны!

den7777777
29/01/2022 11:55
что мешает посмотреть как расположены опционники на старой плате
Борис19 писал:
7777777, благодарю за ссылку!
Про опционники ищу везде. Информация общего порядка. Понятен только принцип в общих чертах - процессору необходимы другие уровни под другую матрицу. На плате и схеме пока не нашел. Но теперь хоть знаю ка должны на схеме выглядеть. Какие под эту модель должны быть уровни, и в каких точках, тоже мало кто знает, а кто знает, придерживается педагогической методики намеков. Картина "веселая" - майн не вернуть по причине паяного разъема. Поиски продолжаю, деться некуда, вот еще кое что нашел -
LG 55UK6750PLA - замена матрицы (опционные резисторы)
http://monitor.espec.ws/section31/topic319906.html

ДОБАВЛЕНО 29/01/2022 09:27

И ещё - я так понимаю, что кроме подбора опционников, необходима и перепрошивка?


Некто Никто
29/01/2022 12:00
den7777777, пездетс просто. Ты моё эхо, чтоль?
Выложи уже фотку платы с участком опционников, не мучь ТС.

Борис19
29/01/2022 14:22
Мужики, прошу простить и поверить - не от лени и хитрости это все.. Приходится крутиться, с утра за баранку, не только ж телевизорами заниматься приходится. Советы правильные усёк, вечером засяду. Платы сравнивал конечно, но наверное недостаточно внимательно. А главное подгонять майн к экрану приходится впервые.

Борис19
29/01/2022 17:33
Сравнил места с опционными резисторами.
На обоих майнах, стоят однокилооники на одних и тех же местах.
Сниму напряжения, выложу. Выложу и фото участка плат.

ДОБАВЛЕНО 29/01/2022 18:39

Да! На старой плате стоит резистор 0ом. Идет на корпус с 2й ноги разъема. Замыкал, без результата.
Спасибо за подсказку перекинуть пмять!), не сообразил просто. Это - по любому надо, возможно этого будет достаточно.

Борис19
29/01/2022 20:41
На разъёме Р705
6. 1,3
7. 1,0
9. 1,2
10, 1,1
12.1,1
13. 1,2
15. 1,3
16. 1,1
18. 1,2
19. 1,1

Борис19
29/01/2022 21:15
В общем, я в тупике. Память переставил, Что делать с этими опциоными резисторами одинаковыми на обоих платах, похоже никто не знает.

bumbox1974
29/01/2022 21:31
Питание на разъем LVDS уходит? Я про дроссель писал.

Борис19
29/01/2022 21:59
Похоже, что нет! Там нигде нет болше полутора вольт. Дросель, т.е. место, где он должен стоять, ищу..

ДОБАВЛЕНО 29/01/2022 23:01

Опа, нашел! L701 Там 12в, ставлю

ДОБАВЛЕНО 29/01/2022 23:06

т.е. L702. ЕГО НАДО ПРОСТО ПЕРЕСТАВИТЬ НА СОСЕДНЮ ПЛОЩАДКУ

ДОБАВЛЕНО 29/01/2022 23:12

Питание на тикон подал, изображения нет.

ДОБАВЛЕНО 29/01/2022 23:15

Так и не понятно с опциоными резисторами. Очевидно, что новый майн снят с другого дисплея, а расположение и номиналы резисторов на обоих платах одинаковы.

ДОБАВЛЕНО 29/01/2022 23:27

Вообще то полное наименование модели 32CS460-ZA, да еще и BEYLJP какой то.
Может это соотносится с опционным набором, что на схеме http://monitor.espec.ws/download.php?id=211338

Некто Никто
29/01/2022 22:32
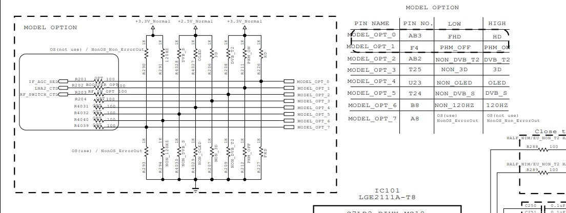
Борис19, извениця, что отрываю Вас, занятого чилавека, от дела своими пустыми разговорами. Просто хотел бы уточнить, где в приведённом на фото Вами участке платы обозначены R226, R227. Своим скудным умишком я, в соответствии с сервисмануалом, понимаю, что именно оне должны определять разрешение матрицы.

Борис19
29/01/2022 22:42
Мне ли, недоумку, возражать)) .Осилить бы ещё - каким образом. Кто то наверное знает, я пока нет(, но ещё немного, и кажется узнаю классно!

Некто Никто
29/01/2022 22:55
Борис19 писал:
В общем, я в тупике. Память переставил, Что делать с этими опциоными резисторами одинаковыми на обоих платах, похоже никто не знает.

остальные ходютъ, х__ пинают, нет бы помочь занятому чилавеку... Ну што эта за мрази такия...





Борис19
29/01/2022 22:56
Тружусь, изучаю эту часть мануала, что бы понять, что с этими резисторами делайт

Некто Никто
29/01/2022 23:07
если Вы правша, то взять в ПРАВУЮ руку ПАЯЛЬНИК или воспользоваться ФЕНОМ. Аккуратно передвинуть на 1 мм в сторону SMD-резистор с позиции R227 на позицию R226.
ПыСы. специально для этих тормозов, которые ищо здесь в этой теме тусуются я кинул фотки с примечанием, где FHD, где HD, а то оне фсё вокруг да около. А сами то и не знают, даром что на аве обезьяна. Но Вам-то, как умному и продвинутому спецу, это ни к чему. Вы ж это как орешки...

Борис19
29/01/2022 23:14
Так. На старой плате 226й 1 ком, 227й 4,7ком
На новой сответствено 3,6ком, и 1ком. т.е. наоборот стоят
На новой сделать как на старой?
Где то читал, что этим надо на разъеме какие то правильные напряжения обеспечить... Так?

ДОБАВЛЕНО 30/01/2022 00:20

Понял) Рядом пустая площадка, а я килоомы намерял, не разглядел).

Некто Никто
29/01/2022 23:24
Борис19, Вы не волнуйтесь так, это с возрастом не проходит.

Борис19
29/01/2022 23:30
Глаза боятся, руки из жопы растут, но упорства нам не занимать!

ДОБАВЛЕНО 30/01/2022 00:48

Спасибо, отцы! Картинка есть, но искаженые краски, видимо подбирать уровни напряжений таки надо.

Борис19
30/01/2022 00:13
Завтра выложу картинку и уровни на P705. Еще раз спасибо!

ДОБАВЛЕНО 30/01/2022 01:35

Уровни напряжений на P705

6. 1,08V усреднёно
7. 1,25V
9. 1,09V -.-.-.-.
10 1,09V -.-.-.-.
12 1,00V -.-.-.-.
13 1,25V
15 1,00V -.-.-.-.
16.1,25V
18.1,00 -.-.-.-.
19.1,25

Борис19
30/01/2022 16:44
Наверное надо в сервисном меню поменять разрешение. Ищу как войти.

Евгений373
30/01/2022 17:13
Борис19, не разрешение, а битность и свою модель выставить, заинстопить ну и ПО накатить родное.

Борис19
30/01/2022 19:44
Евгений, пульт привезут только на днях. Войду, буду разбираться осторожно.
Память поставил с родного - не достаточно?

ДОБАВЛЕНО 30/01/2022 20:46

Если не ту битность по ошибке поставлю, смогу снова меню увидеть?

Евгений373
30/01/2022 20:52
Битность 8-10, картинка не пропадёт, не переживай. Память(еепром) родная хорошо, но лучше заинстопить.

Борис19
30/01/2022 21:25
Ок. Спасибо!

mastak1972
31/01/2022 15:49
Евгений373 писал:
Битность 8-10

Эт не битность, эт JEIDA\VESA.

Борис19
04/02/2022 20:09
Вошел наконец в сервис. В пятой опции имеется битость, но если в других опциях я передвигаюсь вверх-вниз, то в пятой "приклеен" к пункту Mirror Mode !!!
Скажите пож. как подняться к битности. А если не в ней дело, то что поменять?

mastak1972
16/02/2022 15:52
Борис19 писал:

Скажите пож. как подняться к битности. А если не в ней дело, то что поменять?

Не в ней, или не только в ней.
Опционником на тиконе нужно поменять формат LVDS.
И, если изо будет нормальным, но малоконтрастным, то поменять битность, опять же, на тиконе.

Борис19
17/02/2022 21:03
Спасибо!
Совет учту, но этот майн пойдёт в ЗИП... Нет ни времени больше ни терпения, ни ума...
Бог сжалился... На вс.сл., вернул родному майну его память, поставил на место, включил - работает уже неск дней!!!
Отдаю нахрен.

liveinternet.ru Rambler's Top100 –ейтинг@Mail.ru