| Автор | Сообщение |
|
Andrey@@Andrey
|
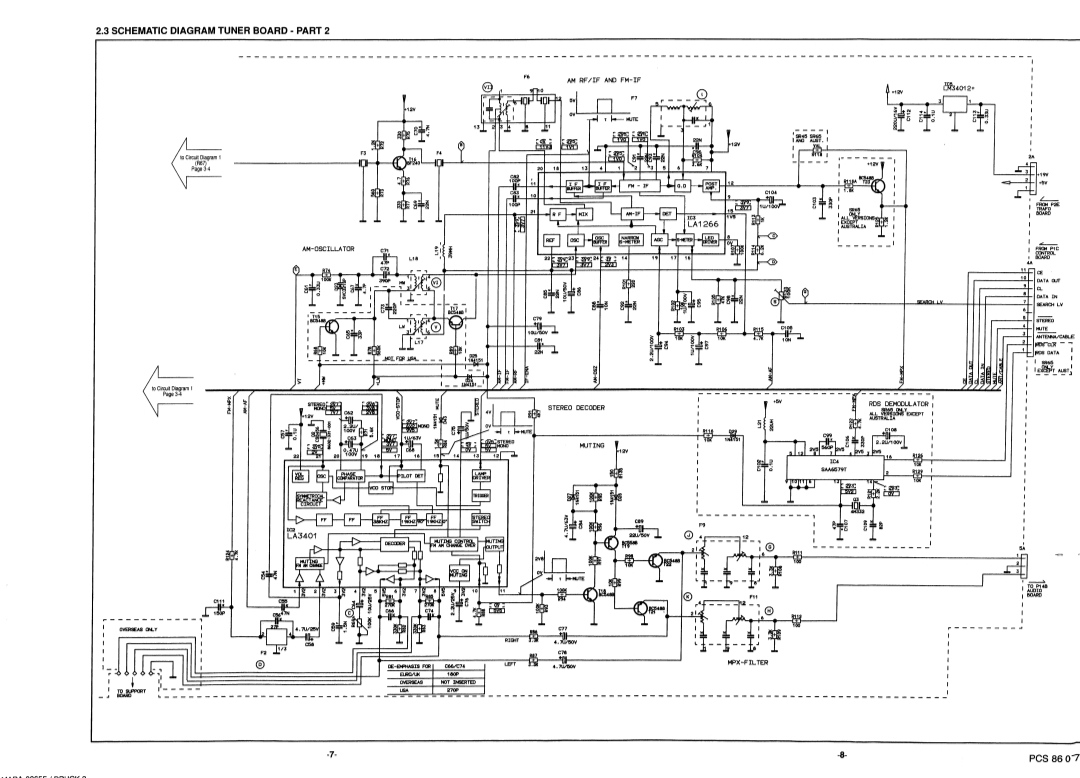
Здравствуйте.Есть ресивер марантз ср65,в режиме радио нет стерео вещания.При нажатии на кнопку mono на дисплее высвечивается mute и stereo,на стерео декодере напряжения все согласно мануала.Может кто сталкивался.Заранее спасибо.
| IMG_20210323_211905.jpg |
| Описание: |
|
| Размер файла: |
247.82 КБ |
| Просмотрено: |
250 раз(а) |

|
|
|
TO(Nic)
Завсегдатай
Сообщения: 996
|
| Может сигнал слабоват, тогда не будет stereo |
|
|
Andrey@@Andrey
|
| На другом приемнике есть стерео,тем более что чуствительность у ресивера хорошая.Радио ловит даже без антенны. |
|
TO(Nic)
Завсегдатай
Сообщения: 996
|
| Andrey@@Andrey, На другом, таком же ? Подай сигнал минуя входные разьемы. |
|
DEE
Завсегдатай
Сообщения: 378
|
Все, все радиостанции идут без стерео-режима?
Этот ресивер, точно для европейского рынка?
Он, когда либо, принимал в стерео-режиме, ваши местные станции?
Проверить уровень принимаемого сигнала. Проверить соответствие частоты пилот-тона.
Сложная задачка, вообще... |
|
|
Andrey@@Andrey
|
Все радиостанции идут без стереорежима.А вот по поводу принимал ли стерео ранее это я не в курсе.Насторожило то что когда нажимаем кнопку mono на екране засвечивается сразу (stereo/mute).
ДОБАВЛЕНО 25/03/2021 09:44
И при нажатии кнопки mono звук ищезает совсем |
|
DEE
Завсегдатай
Сообщения: 378
|
Да, это выглядит странно...
Советую уточнить это поведение у владельцев подобного ресивера....
И уточнить его рынок сбыта, возможно, он настроен на иную частоту пилот-тона. |
|
|
Erik2002
|
Частота сбита. Например в Техниксе такое часто бывает. Исправляется легко. Включается аппарат и подкручивается резак(у каждого аппарата свой) до появления режима Стерео.
Удачи. |
|
|
Andrey@@Andrey
|
| Связался с парнем который продает такой жэ самый,говорит все работает. |
|
|
Andrey@@Andrey
|
| Неисправность устранена,путем замены стереодекодера. |
|