| Автор | Сообщение |
|
Seti_99
|
День добрый, подскажите пожалуйста что за зверь и есть ли у него аналог и распиновку или datasheet на усилитель WH4025 y0526

|
|
|
Seti_99
|
Помогите подобрать аналог или как подключить похожие НЧ к этой схеме



|
|
GruVital
Не фанат форума
Сообщения: 4794
|
| Seti_99, Что-то похожее на TDA1558Q. Можно применить с переделкой. |
|
|
Seti_99
|
| переделка в каком плане если можно |
|
GruVital
Не фанат форума
Сообщения: 4794
|
| Seti_99 писал: | | переделка в каком плане если можно | коррекция ПП или навесной монтаж, см. даташит. |
|
|
Seti_99
|
| tda1558 прикрепил, звука нет, при отключении питания с сети 220 проскакивает звук. |
|
GruVital
Не фанат форума
Сообщения: 4794
|
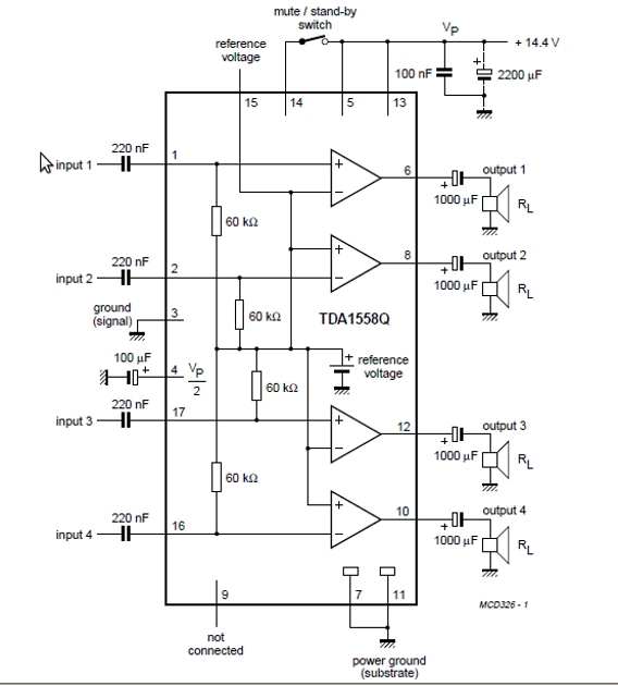
Seti_99, Что непонятно в схеме включения TDA1558Q?
TDA1558Q.jpg 84.9 КБ Скачано: 3638 раз(а)
|
|
|
ANATOLISTESLA
|
| Seti_99 писал: | | tda1558 прикрепил, звука нет, при отключении питания с сети 220 проскакивает звук. | Подбирай микросхему,учитывая напряжение питания[судя по емкостям на 35v] TDA 1558 может не пойти. |
|
GruVital
Не фанат форума
Сообщения: 4794
|
Seti_99, Для полной ясности выкладывай замер напруги питания
ДОБАВЛЕНО 13/10/2010 09:22
| ANATOLISTESLA писал: | | Seti_99 писал: | | tda1558 прикрепил, звука нет, при отключении питания с сети 220 проскакивает звук. | Подбирай микросхему,учитывая напряжение питания[судя по емкостям на 35v] TDA 1558 может не пойти. | Ну, а на выходные банки обрати внимание 16В , Выходное напряжение, как минимум может достигать 6-7,5В (половина напруги питания), запас по напряжению в 2-ва раза. |
|
|
Seti_99
|
| так и в чем смысл, было предлагать tda1558? Если знали что не пойдет. Питание на нее подается 20V, а в схеме включения у меня вопросов и не возникало! |
|
GruVital
Не фанат форума
Сообщения: 4794
|
| Seti_99 писал: | | так и в чем смысл, было предлагать tda1558? | Предложили, как более доступный вариант замены! Напруга отсечки TDA1558 до 18В
| Seti_99 писал: | | Питание на нее подается 20V | Почему мы только сейчас узнаем о напруге? Это должно было быть в первом твоем посте! Здесь ясновидящих и экстрасенсов нет!
ДОБАВЛЕНО 13/10/2010 13:27
Seti_99, Могу предложить более "простое" решение, влипить туда 4-ре или все 6-ть TDA2050 с обвесом + ограничить уровень. выходной амплитуды + ST, MUTE (если делать по уму)! И вообще переделать весь УМЗЧ, тогда акустика встанет золотой. По сути можно применить любою из современных микросхем, применяемых в автомагнитолах, при условии понижения напряжения питания до оптимального значения и так же ограничить уровень выходного сигнала, если конечно транс потянет. |
|
|
Seti_99
|
| Так там фото прекрасно видно, что конденсаторы по 35В можно и догадаться что там не 12В. Если бы 12В стояло тогда конденсаторы на 16В или 25В стояли. Может TDA 8947J подойдет? Только с Mode1 и Mode2 не совсем ясно как включать. |
|
GruVital
Не фанат форума
Сообщения: 4794
|
| Seti_99 писал: | | Может TDA 8947J подойдет? |
Пойдет. Используется как трехканальный УМЗЧ! Хотя тебе три канала и нужно! Вот кусочек схемы на этой микросхеме.
ДОБАВЛЕНО 14/10/2010 12:24
| Seti_99 писал: | | Только с Mode1 и Mode2 не совсем ясно как включать. | Пользуйся переводчиком. В даташите все понятно написано.


|
|
|
Seti_99
|
| Выложи полную схему (subwoofer) если есть, не datasheet (ы) |
|
|
Seti_99
|
| Блин, у нас в городе нет такой микросхемы TDA8947J есть какой-нибудь аналог ее |
|
Freddy
Передовик
Сообщения: 2750
|
| Seti_99, подскажу идею.... теперь можно через интернет заказывать детальки....или почты тоже нет? |
|
|
Seti_99
|
| Проблему решил подошла TDA8947J. Всем большое спасибо за активное участие |
|