ESpec - мир электроники для профессионалов


проэктор NEC VT48 две фазы

  Список форумов » Другая аппаратура

Следующая тема · Предыдущая тема
АвторСообщение
master-ziv 
Бывалый
Сообщения: 60
 
Сообщение #1 От 26/04/2011 14:11 цитата  

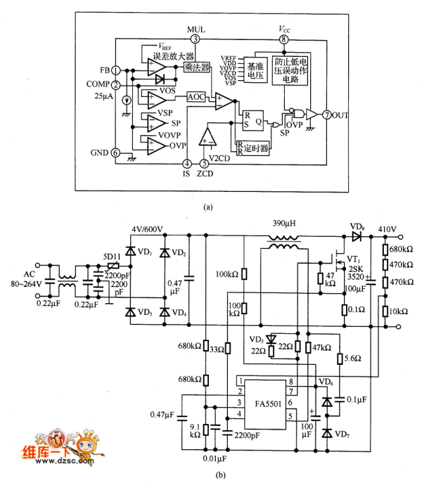
принесли на ремонт, сказали что после того как фаза упала на ноль пошёл дым, и не включается. вскрытие показало что в блоке питание много неисправных элементов. большую часть почти восстановил, но один восьминожечный элемент взорвался выдни только в конце по одной цыфре в каждой строчке 4 и 8 рядом стоит такаяже микросхема 5501A привожу обвязку первого элемента: (расположение (наименование) элементов будет не по плате, OP- оптопара (их три, в обвязке используется только два), U-нулевой резистор.),*-общая точка соединение неких элементов (не земля)
1ножка- OP1, С1
2ножка- ОР2 С2 С4
3ножка- С2
4ножка- ОР2 С2 С1 R1 C3 U1
5ножка- R4 D1
6ножка- С5
7ножка- не используется
8ножка- R2
С4+R1


*R3+пятая ножка 5501А
U1*C5
U2*ножка ТР
*R3+четвёртая ножка 5501А
что за элемент взорвался? если обвязка не понятна то буду переводить на лист (щас нет возможности)

  FA5501.gif  59.07 КБ  Скачано: 1155 раз(а)
master-ziv 
Бывалый
Сообщения: 60
 
Сообщение #2 От 28/04/2011 07:39 цитата  

Ну неужели ни у кого не валяется в ремонте этот мультимедийный проэктор? мож схема есть. помогите плиз недовольство, огорчение

Перейти: 
Следующая тема · Предыдущая тема
Показать/скрыть Ваши права в разделе

Интересное от ESpec


Другие темы раздела Другая аппаратура



Rambler's Top100 Рейтинг@Mail.ru liveinternet.ru