ESpec - мир электроники для профессионалов


Схемы CM501G5562A MAX17126B MAX17114

  Список форумов » Схемы и сервис-мануалы

Следующая тема · Предыдущая тема
АвторСообщение
Sakaban 
Участник
Сообщения: 117
 
Сообщение #1 От 13/03/2018 10:50 цитата  

Подскажите может у кого есть схема с любой из этих микросхем.

CM501G5562A MAX17126B MAX17114

ДАТАШИТЫ не интересуюет.

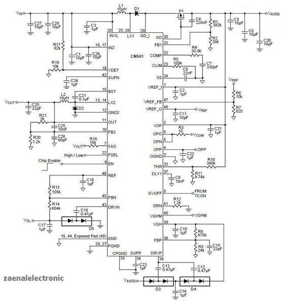
К примеру вот кусочек желаемой схемы

  AVDD.JPG  99.48 КБ  Скачано: 1437 раз(а)
komrad.sidorow2017 
Бывалый
Сообщения: 96
komrad.sidorow2017
 
Сообщение #2 От 22/03/2018 21:13 цитата  

Sakaban,

CM501.png
 Описание:
 Размер файла:  256.08 КБ
 Просмотрено:  1978 раз(а)

CM501.png



Перейти: 
Следующая тема · Предыдущая тема
Показать/скрыть Ваши права в разделе

Интересное от ESpec


Другие темы раздела Схемы и сервис-мануалы



Rambler's Top100 Рейтинг@Mail.ru liveinternet.ru