ESpec - мир электроники для профессионалов


Нужна схема Braun Combimax 700 - не работает регул. оборотов

  Список форумов » Схемы и сервис-мануалы
На страницу Пред.  1, 2, 3
Следующая тема · Предыдущая тема
АвторСообщение
tigrr 
Новичок
Сообщения: 16
tigrr
 
Сообщение #41 От 28/07/2017 18:32 цитата  

Winlooker писал:
shuren64: зачем было так скоро удалять схему?(https://yadi.sk/i/S26TQMrMfZoGk)
Может кто выложит полну юсхему,а то все ссылки на ветке нерабочие недовольство, огорчение

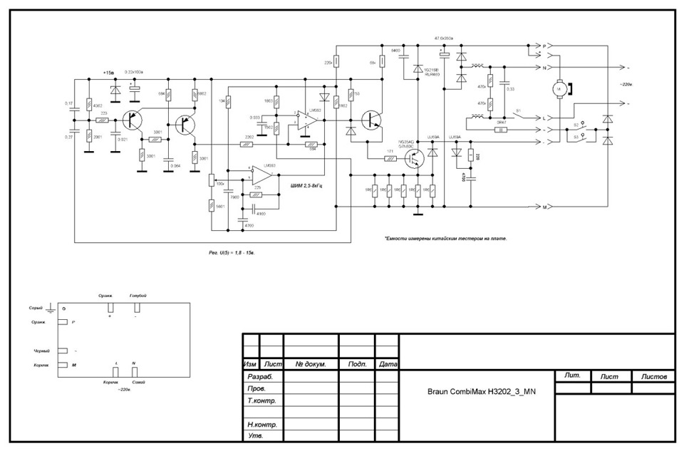
Схема:
Rubak 
Заглянувший
Сообщения: 1
 
Сообщение #42 От 18/10/2017 12:06 цитата  

Доброго времени суток!
Комбайн не набирает обороты после 7 скорости.
Меряю сопротивление на резисторе под регулятором скорости, так до 7 скорости сопротивление растет до 47 кОм, а с 7 по 14 только до 57 кОм.
Может быть причина в этом резисторе? Какое сопротивление должно быть на максимальных оборотах?

Диод RUR460 и резистор на 220 кОм рабочие.
tigrr 
Новичок
Сообщения: 16
tigrr
 
Сообщение #43 От 14/11/2017 12:26 цитата  

Дублирую схему:

ozzy 
Бывалый
Сообщения: 58
 
Сообщение #44 От 02/12/2018 17:10 цитата  

кому еще нужна, упарился искать



  7d182das-960.jpg  88.84 КБ  Скачано: 1546 раз(а)
Дмитрий 52 
Заглянувший
Сообщения: 1
 
Сообщение #45 От 26/11/2024 07:34 цитата  

Всем здравствуйте. Схема не скачивается из постов выше. Может кто-нибудь поделиться?
У меня комбайн не включается совсем.
Куда копать?

Перейти: 
Следующая тема · Предыдущая тема
На страницу Пред.  1, 2, 3
Показать/скрыть Ваши права в разделе

Интересное от ESpec


Другие темы раздела Схемы и сервис-мануалы



Rambler's Top100 Рейтинг@Mail.ru liveinternet.ru