| Автор | Сообщение |
goric
Завсегдатай
Сообщения: 654
|
|
Бакум
Рождённый в СССР
Сообщения: 12733
|
|
Никола-борода
Передовик
Сообщения: 2946
|
|
goric
Завсегдатай
Сообщения: 654
|
| на бирке на задней крышке именно так он назван, а по ссылкам попадаю на страницу приветствия сайта |
|
Никола-борода
Передовик
Сообщения: 2946
|
|
JYRIJJ
Спец-агент
Сообщения: 4741
|
| Номер шасси если знаеш И внимательно перепеши модель |
|
goric
Завсегдатай
Сообщения: 654
|
| кинескоп не плоский , а обычная труба 54, от блока питания осталась одна микросхема, полевик разорвало, и резисторы почернели, для восстановления , нужна родная схема |
|
Никола-борода
Передовик
Сообщения: 2946
|
|
JYRIJJ
Спец-агент
Сообщения: 4741
|
| Никола-борода писал: | | goric, Vestel_11AK19Y11 |
 |
|
Бакум
Рождённый в СССР
Сообщения: 12733
|
Никола-борода, А почему не 11AK20SE-2 состав-то мы не видели  |
|
Никола-борода
Передовик
Сообщения: 2946
|
bakum, Каков вопрос, такой и ответ
* блок питания на MC44603 *
В данном шасси Бп на MC44603 . |
|
viktor_ramb
Сам себе начальник
Сообщения: 23835
|
| goric, состав полней напиши, а там и сам найдёшь! |
|
goric
Завсегдатай
Сообщения: 654
|
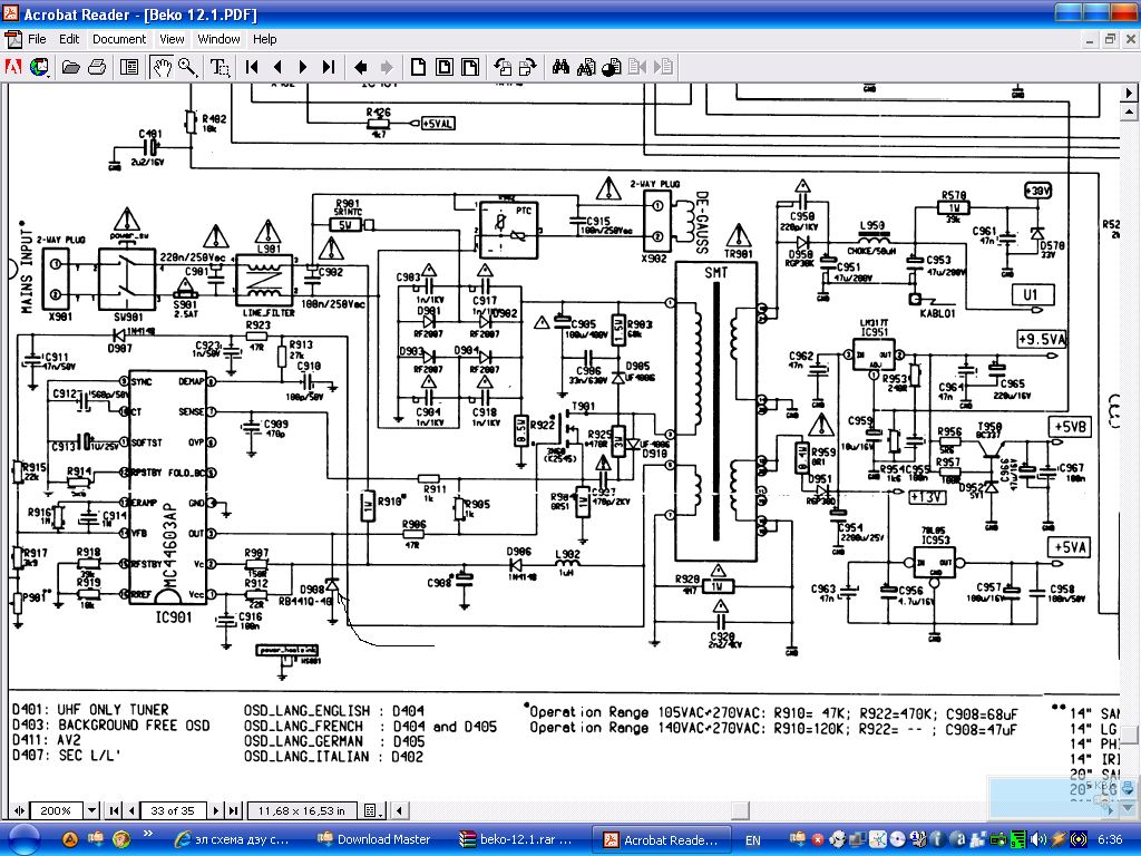
спасибо, всем , нашел сам, Beko, шасси 12.1, закосили под Электрон, подскажите какой стабилитрон по 3 н микросхемы MC44603, судя по выходу не больше 4в., хочется точнее
ДОБАВЛЕНО 07/05/2012 22:18
по схеме RB4410-46(или-8)
beko.jpg 194.38 КБ Скачано: 462 раз(а)
|
|
JYRIJJ
Спец-агент
Сообщения: 4741
|
|
goric
Завсегдатай
Сообщения: 654
|
| да эта схемка есть, вопрос , что за стабилитрон стоит RB441Q-40, тему закрываю -разобрался диод Шотки, для защиты полевика, в экстренных случаях можно и без него, полевик все равно спать пойдет |
|