| Автор | Сообщение |
БУНЯ
Верный друг сайта
Сообщения: 6874
|
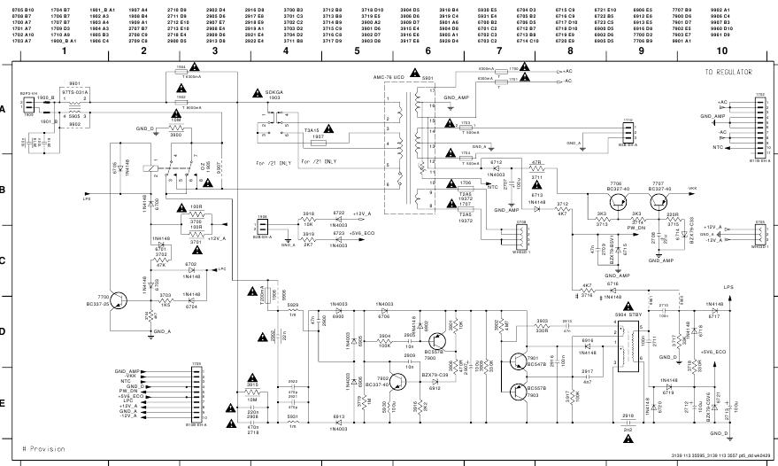
| Пропало питание (Дежурный режим) полностью в самом усилке (саббуфере) на управлении релюшкой, которая включает силовой транс. |
|
БУНЯ
Верный друг сайта
Сообщения: 6874
|
Ещё жду.


|
|
БУНЯ
Верный друг сайта
Сообщения: 6874
|
а я всё ещё жду Может у кого есть всё таки хоть ссылочка? |
|
|
Profy
|
| Есть весь мануал весит 7 метров. Надо? |
|
БУНЯ
Верный друг сайта
Сообщения: 6874
|
| Profy, конечно надо, а то знакомые, со своим этим аппаратом начали доставать, то им не надо, хотели новый купить, то опять надо стало. |
|
|
Profy
|
|
БУНЯ
Верный друг сайта
Сообщения: 6874
|
| Profy, не вижу, где забирать? |
|
|
Profy
|
| Сегодня еще раз отправил в ящик. Смотри. Если не дошло стучись в аську. |
|
БУНЯ
Верный друг сайта
Сообщения: 6874
|
Profy, спасибо большое.  |
|
|
Profy
|
|
|
valentin828282
|
Пропало питание (Дежурный режим) полностью в самом усилке на управлении релюшкой, которая включает силовой транс
ДОБАВЛЕНО 01/12/2012 15:51
pillips sw8300 Пропало питание (Дежурный режим) полностью в самом усилке (саббуфере) |
|
Никола-борода
Передовик
Сообщения: 2946
|
valentin828282
Это надо ?
Снимок.PNG 95.94 КБ Скачано: 1071 раз(а)
|
|
БУНЯ
Верный друг сайта
Сообщения: 6874
|
|