| Автор | Сообщение |
|
Andrey_L
|
| Друзья, нет ли у кого-нибудь принципиальной схемы радиоприемника Panasonic RF-2400 или, в крайнем случае, номинала переменного резистора регулятора громкости? Спасибо заранее. |
|
II3II
Передовик
Сообщения: 1052
|
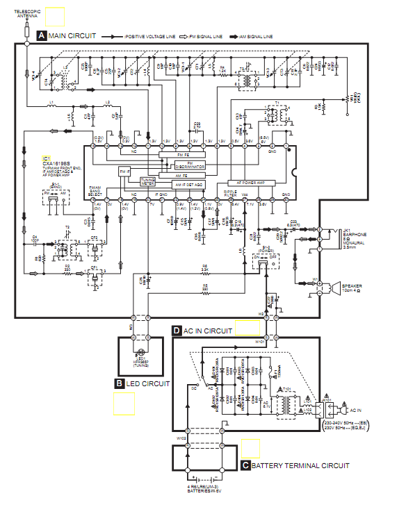
Схема РП Panasonic RF-2400. Резистор регулятора громкости-10 кОм.
RF-2400.png 91.85 КБ Скачано: 1869 раз(а)
|
|
|
Andrey_L
|
| Здорово. Спасибо большое! |
|
|
Andrey_L
|
| Купил на Юноне в СПб, поставил, не тещит. Спасибо еще раз. |
|
|
nautic
|
| Всем добрый день! Однажды при скачке напряжения сгорел подаренный сыном приемник Panasonic RF 2400 D. Решил попытаться восстановить ... Мной первично установлено и заменено:- два сгоревших диода (типа 1 N 4006) в диодном мосте после транса. Но приемник пока молчит (светодиод не горит) ... В ветке выложена схема - но я вижу что это не она (по мимо большой микросхемы в моей есть еще и 8 ногая (2070D J012B усилитель мощности)... На плате нашел подозрительный (с виду как диод D 3 рядом D 2 - имеет в обе стороны 122 Ом а D 1 - 584 Ом в обе стороны). |
|
Никола-борода
Передовик
Сообщения: 2944
|
| NJM207OD смотри даташит на эту микру. |
|
|
nautic
|
| Никола-борода писал: | | NJM207OD смотри даташит на эту микру. | это усилитель НЧ... и ?!
От наличия\ отсутствия его на схеме искомые детали на схеме не находятся... Возле Д 3 есть перемычка J10< возле Д1 ( 3-х ногий) есть С 70...
 |
|
Никола-борода
Передовик
Сообщения: 2944
|
nautic, Решил попытаться восстановить ..., ну попытался ? .Финиш пришел .
*Возле Д 3 есть перемычка J10< возле Д1 ( 3-х ногий) есть С 70..*
такой абракадабры редко встретишь, отнеси человеку , который на ты с такой техникой. |
|
|
nautic
|
| Диоды бы еще перепаял - дальше ( перепаивать микросхемы ) не стану... Эти D1 \ D3 - шоттки ?! |
|
|
Койкого21
|
nautic, | Цитата: | | На плате нашел подозрительный (с виду как диод D 3 рядом D 2 - имеет в обе стороны 122 Ом а D 1 - 584 Ом в обе стороны). | Вы какое отношение имеете к. Электроники ? Там может быть шунтировка этих диодов а может и нет чтобы проверить исправность нужно один выв поднять ( такие вещи интуитивно чувствуешь и меряешь цешкой а не китай цыфровиком херню всякую мож показать) |
|