| Автор | Сообщение |
|
skynet83
|
| Телевизор не включается, слышны попытки запуска (циканье), если откинуть строчку и подключить лампочку к B+ то бп запускается на его выходе 130в; 13v; 13v, на базе выходного транзистора строчной развертки переодически кажые 5 сек появляется импульсы, проверены емкости в цепи бп строчной и кадровой развертки, вых. транзистор строчки тоже проверен. Что еще может мешать запуску бп? Я надеюсь это не тдкс. |
|
iv-9
Фанат форума
Сообщения: 6356
|
| Как монашка, "надеюсь это не беременность". А проверить ОС, ТДКС, обвязку никак? |
|
|
skynet83
|
Забыл сказать, что опыта в ремонте таких телеков мало и попрошу не гнать к мастеру, запускал без ОС, поведение такое же, обвязку смотрел - криминального ничего не обнаружил, вопрос есть, возможно прозвучит глупо, но мне он не дает покоя, какое должно быть сопротивление по B+ ? на этой плате B+ идет непосредственно в тдкси на это линии сопротивление меньше ома примерно 0,1 может чуть больше. какое должно быть?
ДОБАВЛЕНО 26/02/2024 10:27
ТДКС как можно проверить? прикрепил похожую схему.
сервис мануал на английском Samsung CK-7202WTR шасси SCT12B.pdf 2.07 МБ Скачано: 168 раз(а)
|
|
Boris Gorbunkov
Семён Семёныч
Сообщения: 7524
|
| skynet83 писал: | | на это линии сопротивление меньше ома примерно 0,1 может чуть больше | У тебя КЗ по B+
Вот тебе и криминал...
| skynet83 писал: | | на этой плате B+ идет непосредственно в тдкси | А что бывает по другому?
Всегда так. |
|
|
skynet83
|
| Если вых.транзистор строчной развертки в норме, значит что то еще в обвязке садит на землю, возможно по другим цепям с той же обмотки только с других ответвлений, спасибо ребят, буду дальше проверять. |
|
Boris Gorbunkov
Семён Семёныч
Сообщения: 7524
|
| Откинь 3 ногу ТДКСа ( по твоей схеме ) и посмотри пропадёт КЗ или нет. |
|
|
skynet83
|
| Это было уже проверено, отключал строчку от бп, а имеено 3 ногу тдкс и подкидывал на B+ лампочку, бп работал и выдавал положенные 130V |
|
Boris Gorbunkov
Семён Семёныч
Сообщения: 7524
|
| Борис Горбунков писал: | | пропадёт КЗ или нет. | ???
Откинутая 3 нога на землю - КЗ или нет? |
|
|
skynet83
|
| при отключении 3 ноги, кз уходит. |
|
Boris Gorbunkov
Семён Семёныч
Сообщения: 7524
|
| skynet83 писал: | | при отключении 3 ноги, кз уходит. | Значит ТДКСу кирдык. |
|
|
skynet83
|
| Зачем так сразу тдкс приговаривать, посмотрите по схеме в тдкс на этой обмотке несколько ответвлений, на которых из них запросто может быть кз по линии. Мне стоит проверить цепи 1, 4, 5 ног тдкс. |
|
Boris Gorbunkov
Семён Семёныч
Сообщения: 7524
|
| Борис Горбунков писал: | | Откинутая 3 нога на землю - КЗ или нет? | 3 НОГУ ОТКИНУТУЮ ОТ ПЛАТЫ ПРОЗВОНИ НА ЗЕМЛЮ ПЛАТЫ. |
|
|
skynet83
|
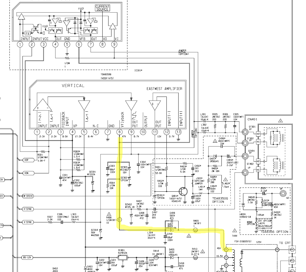
В общем выпаял Я тдкс и ситуация меня вовсе не радует, все печально с ним... обмотка 1, 3, 4, 5, дружит теперь с обмоткой 6, 7, 8, 9 а это значит 130V тайно встречается внутри тдкс с массой... как такое может произойти? на вид целый не пухлый, с далека посмотреть почти новый ) кто то из мастеров намотал на сердечнике тдкс 8 витков и пустил в разрыв 8 ноги тдкс, далее идет на мк кадровой развертки 8 нога(Vflyback) для чего это было сделано?
| Screenshot_2434.png |
| Описание: |
|
| Размер файла: |
692.46 КБ |
| Просмотрено: |
110 раз(а) |

|
| Screenshot_2.png |
| Описание: |
|
| Размер файла: |
990.01 КБ |
| Просмотрено: |
113 раз(а) |

|
Screenshot_1уц.png 134.35 КБ Скачано: 124 раз(а)
|
|
Boris Gorbunkov
Семён Семёныч
Сообщения: 7524
|
|
|
skynet83
|
|
|
skynet83
|
| или должен быть этот? FTH-29A001 |
|
Boris Gorbunkov
Семён Семёныч
Сообщения: 7524
|
|
|
skynet83
|
| Спасибо что разъяснили, теперь все встало на свои места, пазл сложен )) |
|
|
skynet83
|
| Можно еще вопрос, какое напряжение на коллекторе транзистора строчной развертки? какого уровня напряжение на коллекторе может достигать? |
|
Boris Gorbunkov
Семён Семёныч
Сообщения: 7524
|
В дежурном режиме В+
В рабочем - никогда не мерил. |
|