| Автор | Сообщение |
|
magi-85
|
| Здравствуйте, помогите пожалуйста, nokia 6120 включаю белый дисплей, сам дисплей рабочий, проверял, разъём и посадочное место почистил, не помогло. Кто знает в чём причина? |
|
|
Dimidrolik84
|
Фильтры дисплея заменяй перемычками, находяться возле конектора дисплея, не поможет, значит пропаять сам конектор а потом уж процессор.....
Надеюсь картинки поймеш??

6120.jpg 129.85 КБ Скачано: 397 раз(а)
|
|
|
magi-85
|
|
Сергей Козырев
Завсегдатай
Сообщения: 897
|
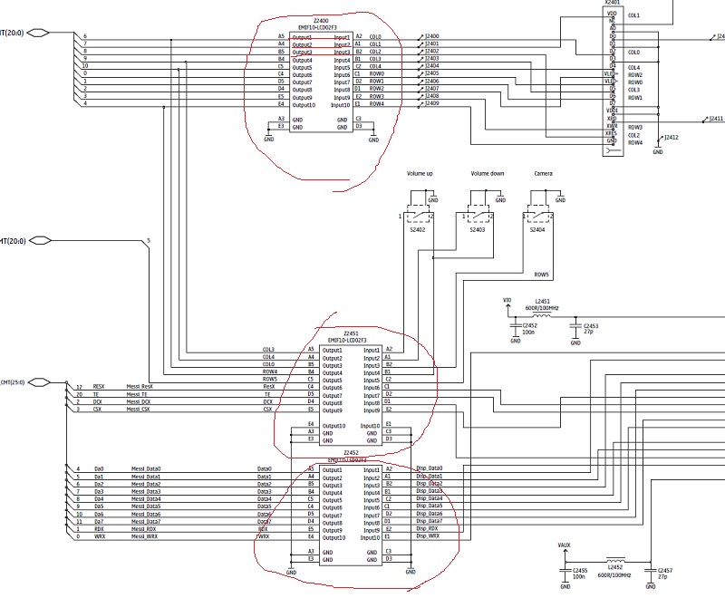
Dimidrolik84, А что же ты, мил человек, рекомендуешь менять все "стекло"?- каким боком к дисплею Z2400 ?
magi-85, Имей в виду, фильтры со старых "телов" не станут-EMIF-10-LCD02F3 нужны, и в работе дисплея участвует Z2452 и частично, Z2451 (она же отвечает за нек. "кнопки".)
Прогрей аккуратно 2 этих фильтра-только раз"ем дисплея укрой. Удачи.  |
|
|
Dimidrolik84
|
| Упс, невнимательно глянул... |
|
voffka
Фанат форума
Сообщения: 5417
|
| magi-85 писал: | | спасибо, попробую |
что ТЫ можешь попробовать ??!, у тебя кроме зубной щетки и нет никуя больше!.
попробует он..  |
|
|
magi-85
|
| Да ну накуй?! Как узнал?voffka, |
|
Сергей Козырев
Завсегдатай
Сообщения: 897
|
| magi-85 писал: | | Как узнал?voffka, |
Понимаешь, с такой неисправностью только оч. ленивые и оч. горящие желанием поговорить обращаются на форум с вопросами. Кто может читать уже неоднократно описанное, при наличии "базы" делает такое тело мах. за час. Вот сам и думай.  |
|
|
RoMaNыЧ
|
| Если тело водяное то лучше поставь мычки ! Z2400 вообще не трогай |
|
|
Enzo
|
| Сергей Козырев писал: |
Понимаешь, с такой неисправностью только оч. ленивые | +1
Я вот чего хотел спросить, а не лучше ли, при отсутствии подходящего стекла, и при условии что родное не полностью в обрыве, кидать параллельно оборваным пинам мычки, с дальнейшей установкой этого самого стекла? Надеюсь, вы меня правильно поняли. Как никак хоть какая то защита от статики, да и возиться с мычками меньше.
Лично сам так один раз делал, уже год как работает (Nokia 5610d) |
|
Сергей Козырев
Завсегдатай
Сообщения: 897
|
| Enzo писал: | | а не лучше ли, при отсутствии подходящего стекла, и при условии что родное не полностью в обрыве, |
Все просто- если нет "стекла"- тем паче на это тело и сейчас- тогда ты не мастер. 3 года тому- да- был "дифецит"-сейчас у любого мастера "трупов"с этими "стеклами" достаточно- только многим лень узнать- где что стоит. Ну а "мычки" от безысходности-да и смысл- копейки, а мороки....
ДОБАВЛЕНО 23/02/2012 20:32
| Цитата: | | Если тело водяное то лучше поставь мычки |
Во, еще один любитель "мычек"! RoMaNыЧ, Ну вот об"ясни, почему именно после воды, и обязательно "мычки"? И так , ненавязчево- фото , пожалуйста, "мычек".  |
|
|
DenDrugkov
|
доброго времени суток, я в этом деле новичек, по этому и решил переспросить, а то рунет полон всяческого хлама! у меня та же проблемма на nokia e66, какие конкретно стекляшки нужно менять или где мычки ставить и вообще в этом ли дело? дисплей и шлейф менял на 100% рабочие, разъём мыл спиртом, ну вообщем попробовал всё что мог. осталось наверное только это. зарание огромное мерсибо.
ДОБАВЛЕНО 30/05/2012 08:24
сори забыл сказать что он запускается и звонит |
|
Сергей Козырев
Завсегдатай
Сообщения: 897
|
| DenDrugkov писал: | | nokia e66, |
И что- схему посмотреть сложно, или вера не позволяет?
Влазим в старую тему- тем паче "тело" совершенно другое....  |
|
TRIPLEX
Передовик
Сообщения: 2529
|
ещё один, менятель стекляшек дедушкиным паяльником ) |
|