ESpec - мир электроники для профессионалов


13

  Список форумов » Нарушения правил

Следующая тема · Предыдущая тема
АвторСообщение
alexwo39 
Заглянувший
Сообщения: 4
 
Сообщение #1 От 31/03/2015 19:27 цитата  

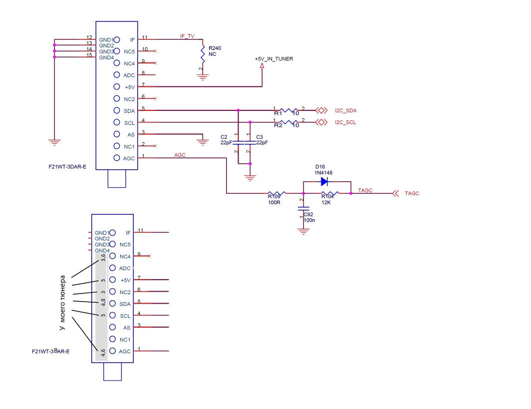
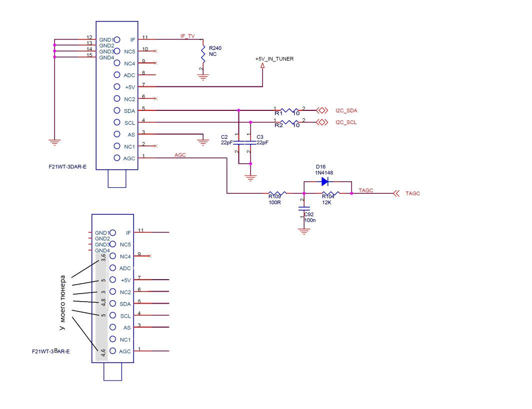
Телевизор Fusion FLTV-22W7

CVMV26L-B-30 main
TSUMV26KE-LF
F21WT-3BAR-E тюнер

Народ помогите я новичок.
При настройке на каналы шкала пробегает и только шум, ничего не находит.
Проверил напряжение на ножках (фото), подозрение на тюнер.
Нашел схему на main: cvtsumv26l-a-20 вроде все похоже.
Подскажите проблема в тюнере или в чем то еще?

  01.1.jpg  52.02 КБ  Скачано: 256 раз(а)
  02.1.JPG  126.44 КБ  Скачано: 261 раз(а)
alexwo39 
Заглянувший
Сообщения: 4
 
Сообщение #2 От 31/03/2015 19:38 цитата  

Телевизор Fusion FLTV-22W7
CVMV26L-B-30 main
TSUMV26KE-LF
F21WT-3BAR-E тюнер

Народ помогите я новичок.
При настройке на каналы шкала пробегает и только шум, ничего не находит.
Проверил напряжение на ножках тюнера (фото), подозрение на тюнер.
Нашел схему на main: cvtsumv26l-a-20 вроде все похоже. (она на фото)
Подскажите проблема в тюнере или в чем то еще?

  01.1.jpg  52.02 КБ  Скачано: 258 раз(а)
  02.1.JPG  126.44 КБ  Скачано: 246 раз(а)
alexwo39 
Заглянувший
Сообщения: 4
 
Сообщение #3 От 31/03/2015 20:00 цитата  

Телевизор Fusion FLTV-22W7
CVMV26L-B-30 main
TSUMV26KE-LF
F21WT-3BAR-E тюнер

Народ помогите я новичок.
При настройке на каналы шкала пробегает и только шум, ничего не находит.
Проверил напряжение на ножках тюнера (фото), подозрение на тюнер.
Нашел схему на main: cvtsumv26l-a-20 вроде все похожая.
Подскажите проблема в тюнере или в чем то еще?

  01.1.jpg  52.02 КБ  Скачано: 244 раз(а)
  02.1.JPG  126.44 КБ  Скачано: 246 раз(а)
Yuritsh 
Фанат форума
Сообщения: 18498
Yuritsh
 
Сообщение #4 От 31/03/2015 20:02 цитата  

alexwo39, прекращай засирать форум.

Перейти: 
Следующая тема · Предыдущая тема
Показать/скрыть Ваши права в разделе

Интересное от ESpec


Другие темы раздела Нарушения правил

000
000
123
123
13
67


Rambler's Top100 Рейтинг@Mail.ru liveinternet.ru