| Автор | Сообщение |
|
inf158704
|
Ardo WD800X с сушкой, блок управления ELMARC ANCONA 1 DMPA 8 H7 546013101 0943 (10/09/99) для асинхроного двигателя с обмоткой отжима... схема есть...
Судя по форуму все как обыно для этой модели, не работает отжим.
Был произведен ремон: заменен резистор 6,2кОм, заменено реле К2 так как долгая эксплуатация на пониженном напряжени привела к подлипанию реле (не работал реверс двигателя)... в следующий раз менять реле небуду достаточно сделать отверстие и надовить на него чем нибуть, отлипнет... была произведена поддтяжка ремня... паралельно реле К1 установлен светодиод через сопротивление 10кОм для понтроля перехода в режим отжима...
Имею на данный момент: двигатель не переходит в режим отжима в любых циклах стирки (светодиод не горид, оборотов нет), при ручном переводе в 7 и 13 режимы (1 щелчок до завершения) отключении и включении питания, во всех положенияхрегулятора температуры кроме MIN происходит включение отжима (обороты набираються, светодиод горит, К1 включен)... Подскажите пожалуста решение проблемы... не исключаю что недостаточно затянул ремень, но не имею представления как это могло повлиять... |
|
Мелиор
Старший модератор
Сообщения: 35551
|
| inf158704, читаем правила создания тем, исправляем заголовок, заполняем профиль |
|
|
inf158704
|
добавлю, конденсатор 25mF заменен на заведомо исправный
к сожалению никаких данных о стиральной машине больше нет, этикеткак потеряна... о модуле могу добавить только ELMARC ANCONA 1 DMPA 8 H7 546013101 0943 (10/09/99) |
|
Yaroslav
Передовик
Сообщения: 2188
|
| inf158704 писал: | | в следующий раз менять реле небуду достаточно сделать отверстие и надовить на него чем нибуть, отлипнет... |
После этого "перла", тебе на форуме помогать - себя не уважать  |
|
|
inf158704
|
| Yaroslav, чтоб тебя окончательно добить добарлю, что я замок двери тоже ремонтирую шкуркой с переворачиванием термоэлемента |
|
master.m
Терминатор
Сообщения: 1330
|
| inf158704 писал: | | Yaroslav, чтоб тебя окончательно добить добарлю, что я замок двери тоже ремонтирую шкуркой с переворачиванием термоэлемента |
Это где же такие замки дорогие,что их нерентабельно покупать - а дешевле восстанавливать???Сколько возвратов в месяц??? |
|
Рифат
Обыкновенный человек
Сообщения: 17778
|
inf158704, тэны с внешним расположением термопредохранителя ты тоже "лечишь", путем удаления термоэлемента и закручиваешь клемму на саморез? А то у меня такие после "мастера" приходить начали.  |
|
|
inf158704
|
master.m, а ты попробуй, узнаеш...
Рифат, я смотрю тут одни подебщики себе рейтинг набирают... ниче путного в ответах не вижу...
проблема зализанная как яйца у кота должна быть, только похоже никто ее не решил. натягивая ремень и меняя кондер всю жизнь а то что не лечиться выбрасывая с обоснованием старье... |
|
шайтан
Виртуоз болгарки
Сообщения: 5915
|
| inf158704 писал: | | я смотрю тут одни подебщики себе рейтинг набирают... ниче путного в ответах не вижу... |
а ты чего ожидал - халявы? Явился неизвестно откуда очередной инженер-электрик, переключающий зубочисткой релюхи и ждет, что весь расклад ему преподнесут на


|
|
|
inf158704
|
шайтан, я расклад уже весь раписал, или это прошивка сделаная неивестным мастером который по полсекунде импулся в начале цикла определяет загруженность по наклону барабана, по тахометру или проблемы на уровне неизвестного мне сигнала на входах, по причине каких то помех на входах (нет шунтирующего резистора), или замуть с контролем частоты сети (контроль прерывания)... датчиков нагрузи по которым могла быть отсечка я не вижу...
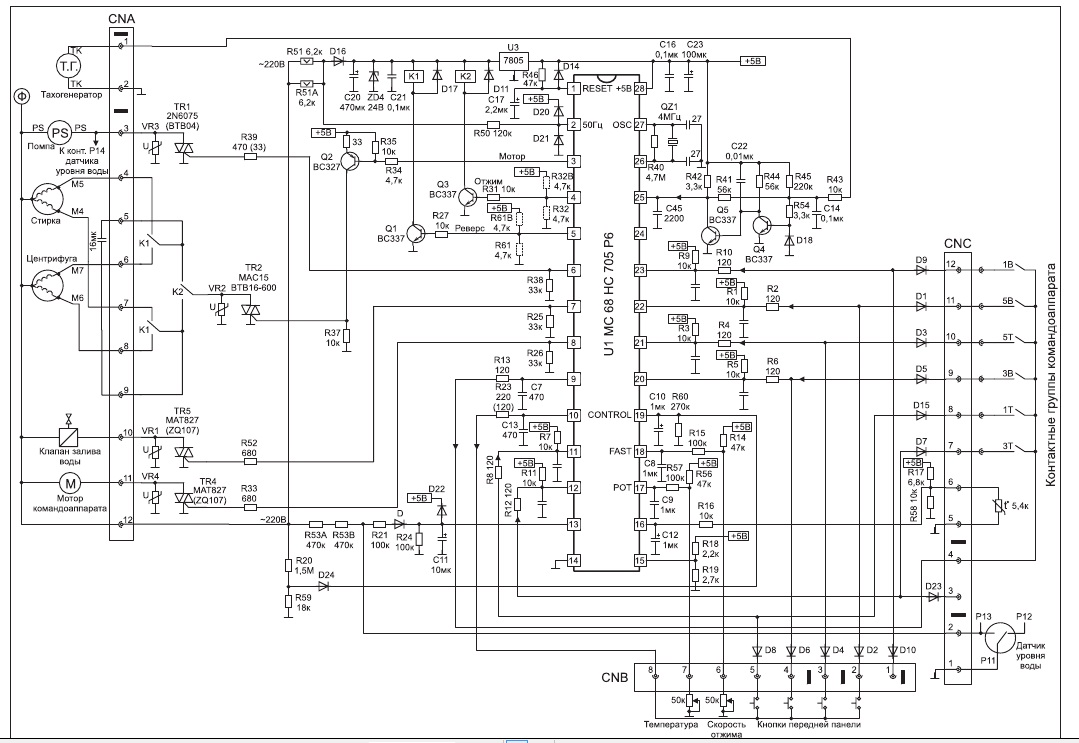
добавлю схему для себя любимого чтобы не потерять.
в схеме выявлены следующие ошибки на плате реле к1 отжим
реле к2 реверс, сути не меняет
| DMPA 8 H7.jpg |
| Описание: |
|
| Размер файла: |
204.43 КБ |
| Просмотрено: |
1079 раз(а) |

|
|
|
xarl
Модератор
Сообщения: 21873
|
inf158704, Откуда:...........................?  |
|
|
inf158704
|
| xarl, сам должен знат раз спрашиваеш, с журнала вырезано |
|
|
Алеkсандр
|
| inf158704 писал: | | xarl, сам должен знат раз спрашиваеш, с журнала вырезано |
Вот это ты зря пишешь
Xarl спросил от куда ты??? |
|
|
inf158704
|
Алеkсандр, солнечная Чувашия
добавлю пожалуй для себя любимого вход в тестовый режим который у меня не работает
Вход в тестовый режим :
ставишь ручку программатора ровно вниз (1 шаг перед стопом) нажимаешь все кнопки кроме отмены отжима, все регуляторы на минимум и включаешь стиралку. Если с термосенсором всё в порядке то мотор начинает медленно крутиться. Поворачиваешь регулятор температуры на 40 - мотор начинает крутиться быстрее. Отпускаешь все кнопки, поворачиваешь обратно на минимум - разгоняется на отжим. Если есть регулятор оборотов - то по нему регулируется скорость. |
|