| Автор | Сообщение |
|
QhU6Ep4m
|
Описание состава микросхем и схема
СХЕМА шасси SCT51A.
СОСТАВ ШАССИ:
CPU - CXP853-40A-302S
EEPROM - 24C08P
SMPS - даташит на STR-S6709
TR Chopper - AA26-2002Z
Video - TDA4780
Color Transient Improvement - TDA4566
AN5342K
Delay - даташит на TDA4665
Vertical - даташит на TDA8350Q
Tuner - TECC0889PA19C
Sound - TA8216
RGB Amp. - TDA6101Q
TXT - SAA5281P/R
RGB switching - TEA5114A
Tube - A68LEF78X01 + DCF-2912AL
Horizontal Driver - даташит на TDA8143
FBT - FTR25A002
HOT - 2SD1887
Пульт: - 3F14-00048-260
IC remote - KS51810-91
Other ICs - TDA9160A
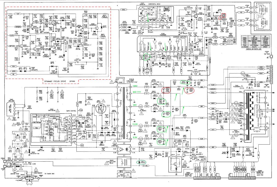
В приложенном файле PowerBoardTags2.jpg:
1. Зелёным отмечены те элементы и точки которые проверялись.
2. Красным отмечено то, что было заменено.
Так же при помощи осциллографа были проверены формы сигналов в контрольных точках ТР29, TP30, TP31, TP32, все они соответствуют.
Субъективно: очень сильно нагревается охлаждающая пластина TDA8143.
При попытке посмотреть форму сигнала в точке TP28 проскакивает искра и судя по всему срабатывает защита т.к. экран гаснет.
Похожее изображение наблюдал в теме Cлучаи из практики ремонта [РАЗНЫЕ ТВ] в сообщении про NOVEX CT2975FS МШ-79-2, но к сожалению не понял, о чём идёт речь.
Вопросы:
1. Что в данном случае проверить в первую очередь?
2. Как можно запустить powerboard отдельно от mainboard?
3. В каком направлении "копать"?
| PowerBoardTags2.jpg |
| Описание: |
|
| Размер файла: |
240.51 КБ |
| Просмотрено: |
906 раз(а) |

|
| DSC_0134_3.JPG |
| Описание: |
| Текущее изображение на экране. | |
| Размер файла: |
418.73 КБ |
| Просмотрено: |
358 раз(а) |

|
|
|
Yuritsh
Фанат форума
Сообщения: 18498
|
| QhU6Ep4m писал: | | Похожее изображение наблюдал в теме ... но к сожалению не понял, о чём идёт речь. |
| QhU6Ep4m писал: | | При попытке посмотреть форму сигнала в точке TP28 проскакивает искра и судя по всему срабатывает защита т.к. экран гаснет | При таком уровне знаний, как вообще у тебя возникла мысль, что ты способен отремонтировать ТВ?
| QhU6Ep4m писал: | | В каком направлении "копать"? | Копать однозначно сюдой. Там есть ответы и на ВСЕ твои вопросы  |
|
|
QhU6Ep4m
|
Yuritsh, 1. Мысль такая возникла от недостатка денежных знаков.
2. Прошу конкретно указать в каком месте, тема не соответствует правилам.
Осциллограммы сравнивал с предоставленными в документации. |
|
Yuritsh
Фанат форума
Сообщения: 18498
|
| QhU6Ep4m писал: | | Мысль такая возникла от недостатка денежных знаков. | Поверь мне, денег на ремонт, гораздо проще заработать в той области, в которой ты что-то умеешь. "Каждый должен заниматься своим делом". Думаю, с этим ты спорить не будешь.
| QhU6Ep4m писал: | | Осциллограммы сравнивал с предоставленными в документации. | Да не нужно там ничего сравнивать.
| QhU6Ep4m писал: | | Прошу конкретно указать в каком месте, тема не соответствует правилам. | А в каком она соответствует правилам? А ты их вообще читал? |
|
|
QhU6Ep4m
|
Пункт 1. В заголовке темы указать марку и модель ТВ языком и шрифтом оригинала (модель указана сзади на крышке ТВ), а так же тип шасси ТВ (обычно указывается на основной печатной плате, чаще под ТДКС, или сзади на крышке ТВ), и кратко описать неисправность.
Соответствует.
Пункт 2. В поле темы указать основной состав микросхем TB, указав при этом тюнер и ТДКС.
Соответствует т.к. вставлена ссылка на соответствующую тему.
Пункт 3. Полностью описать неисправность как можно подробнее, какие были произведены работы по поиску и устранению неисправности.
Соответствует: приложена фотография, приведено описание.
Пункт 4. Написать что Вы измеряли, результаты этих измерений, описать результаты визуального осмотра, замененные Вами радиоэлементы.
Соответствует. Результаты измерений во втором приложенном файле с отмеченными заменёнными элементами.
Пункты 5. Подробно и корректно отвечать на поставленные вопросы другими участниками конференции.
6. Следить за своей темой и отмечаться в ней не реже одного раза в двое суток.
Соответствует, чем сейчас и занимаюсь.
Прежде чем создать тему, обязательно воспользуйтесь:
а) ПОИСКОМ ПО САЙТУ: ВНУТРЕННИМ или ВНЕШНИМ
b) ПОИСКОМ СХЕМ ПО АРХИВУ
с) КАРТОЙ РАЗДЕЛА ЭНЦИКЛОПЕДИИ
d) ТЕЛЕВИЗОРЫ. НЕИСПРАВНОСТИ, СЛУЧАИ ИЗ ПРАКТИКИ РЕМОНТА
e) ПОИСК НЕИСПРАВНОСТИ НА ОСНОВЕ ИЗОБРАЖЕНИЯ
f) БАЗА ДАННЫХ ТВ С ФОТО ШАССИ
То же было проделано иначе вопросов бы не задавал. |
|
Yuritsh
Фанат форума
Сообщения: 18498
|
| QhU6Ep4m писал: | Пункт 2. В поле темы указать основной состав микросхем TB, указав при этом тюнер и ТДКС.
Соответствует т.к. вставлена ссылка на соответствующую тему. |
| Цитата: | | Уважаемые участники, пункты правил, обязывающие указывать модель ТВ, тип шасси, а так же заполнять состав телевизора, и писать языком оригинала (как правило латиница, большие буквы), это не формальность, и не каприз администрации, а необходимое условие для работы поисковых систем. |
| QhU6Ep4m писал: | Пункт 4. Написать что Вы измеряли, результаты этих измерений, описать результаты визуального осмотра, замененные Вами радиоэлементы.
Соответствует. Результаты измерений во втором приложенном файле с отмеченными заменёнными элементами. | выложи замеры на катодах кинескопа. |
|
viktor_ramb
Сам себе начальник
Сообщения: 23835
|
| QhU6Ep4m писал: | Пункт 1. В заголовке темы указать марку и модель ТВ языком и шрифтом оригинала (модель указана сзади на крышке ТВ), а так же тип шасси ТВ (обычно указывается на основной печатной плате, чаще под ТДКС, или сзади на крышке ТВ), и кратко описать неисправность.
Соответствует.
Пункт 2. В поле темы указать основной состав микросхем TB, указав при этом тюнер и ТДКС.
|
| Цитата: | | Соответствует т.к. вставлена ссылка на соответствующую тему. | - это ты себе на обоях напиши, а в теме извольте строго по правилам раздела! Для ленивых и хитрооттраханых на форуме корзинка организована! |
|
|
QhU6Ep4m
|
Yuritsh, выложи замеры на катодах кинескопа..
Это просьба или проверка 4 пункта.
Уважаемый, viktor_ramb, основным правилом форума является уважение к другим участникам.
Грубить, вам никто права не давал. |
|
goga_tv
Фанат форума
Сообщения: 4857
|
|
|
QhU6Ep4m
|
| goga_tv, Данная тема была уже просмотрена. Моего города нет в списке. |
|
goga_tv
Фанат форума
Сообщения: 4857
|
| QhU6Ep4m, заполните профиль, (т.е. укажите место жительства) и мы поможем Вам в поисках мастера! |
|
|
QhU6Ep4m
|
| goga_tv, я не ищу мастера. Я задал конкретные вопросы в шапке топика. |
|
KRAB
Распугиватель клиентов
Сообщения: 21704
|
| QhU6Ep4m писал: | | основным правилом форума является уважение к другим участникам | - а с чего ты решил, что с тобой, ХАЛЯВОИНТЕРНЕТНОВТЫЧНОРЕМОНТЕРОМ тут будут говорить? Форум не для Клиентов и примкнувших ... Гуляй ... за Мастером!
ДОБАВЛЕНО Апрель 19 2012
| QhU6Ep4m писал: | | я не ищу мастера | - а прийдется ... Жмотяра! |
|
LordLostr
Модератор
Сообщения: 8673
|
Это для кого:[url]Уважаемые участники, пункты правил, обязывающие указывать модель ТВ, тип шасси, а так же заполнять состав телевизора, и писать языком оригинала (как правило латиница, большие буквы), это не формальность, и не каприз администрации, а необходимое условие для работы поисковых систем. Тема созданная вами, существует не только для решения ваших проблем, но и участвует в поиске - проявляйте уважение к форуму и другим участникам. Если в поиске вы нашли решение вашего вопроса - это заслуга участника, правильно оформившего свою тему.
ВНИМАНИЕ! В случае невыполнения вышеперечисленных правил Ваша тема будет удалена в корзину.
[/url] |
|
|
QhU6Ep4m
|
KRAB, ваше сообщение ничего кроме улыбки не вызывает.
Вместо того, что бы ответить на вопрос вы разводите флуд в теме.
Флуд кстати правилами форума запрещён.
KRAB- а прийдется ... Жмотяра!, а это уже переход на личности, что характеризует вас совсем не с хорошей стороны.
Если вам нечего написать по теме, прошу вас её покинуть.
ДОБАВЛЕНО 19/04/2012 14:51
LordLostr, прошу конкретно указать, где тема не соответствует, приведённому вами пункту. |
|
LordLostr
Модератор
Сообщения: 8673
|
QhU6Ep4m, Так тебе же указали, пункт 4.Где измерения? Тебя что,по каждому пункту уговаривать?| LordLostr писал: | | Тема созданная вами, существует не только для решения ваших проблем, но и участвует в поиске - проявляйте уважение к форуму и другим участникам. | Сам подумай: зачем это всем надо. |
|
KRAB
Распугиватель клиентов
Сообщения: 21704
|
| QhU6Ep4m писал: | | Если вам нечего написать по теме, прошу вас её покинуть | - скорее ты побежишь строевым шагом с бубном и горном...
| QhU6Ep4m писал: | | прошу конкретно указать, где тема не соответствует, приведённому вами пункту | - | KRAB писал: | | ХАЛЯВОИНТЕРНЕТНОВТЫЧНОРЕМОНТЕР |
|
|
MASTER+
Фанат форума
Сообщения: 3299
|
QhU6Ep4m, таким как ты этот хороший телевизор в руки вообще запрещено давать, учись на кошках, студент.  |
|
RV6FT
радиолюбитель
Сообщения: 804
|
Ремонтит свой ящик !!!
С таким дефектом темы не создаются, QhU6Ep4m, ИДИ ЗАРАБОТАЙ ДЕНЕГ ДЛЯ МАСТЕРА ! |
|
LordLostr
Модератор
Сообщения: 8673
|
QhU6Ep4m, Дефект твоего телика,уже указан.Тебе объяснили,что форум для спецов,но ни как не для клиентов,кем ты являешься.Пора  |
|