ESpec - мир электроники для профессионалов


Philips 26pfl5320/10 на преконде 280в. а должно быть 400в.

  Список форумов » Нарушения правил

Следующая тема · Предыдущая тема
АвторСообщение
ТЕЛЕКИЛЛЕР 
Бывалый
Сообщения: 73
ТЕЛЕКИЛЛЕР
 
Сообщение #1 От 16/03/2014 21:27 цитата  

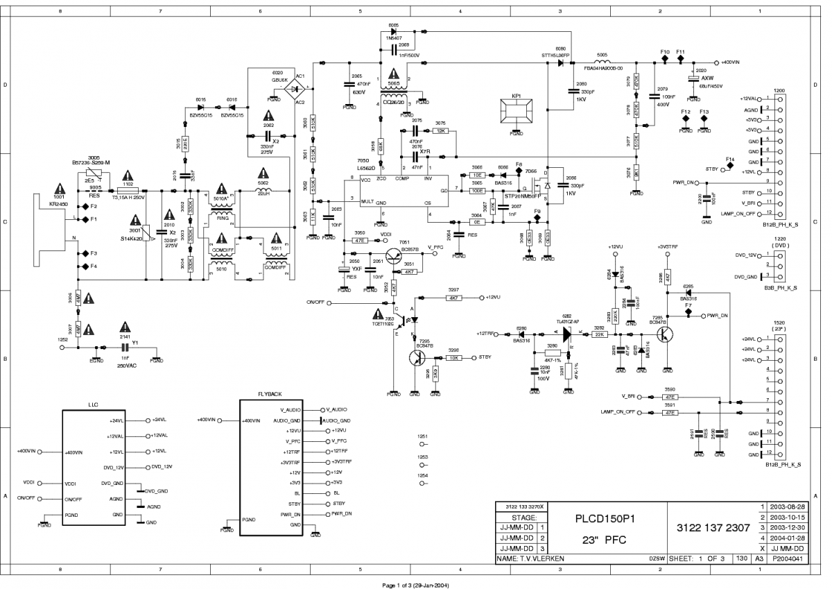
Состав: hercules TDA15021H/N1A11 скалер GM1501H-LF БП PLCD170P2, STBY-3.4V, pin 8-11.8V
Питание на 8-ю ногу L6562D приходит, но на 7 ноге никаких импульсов нет.
Проверил всю обвязку, заменил 6562 - на затвор полевика ничего не поступает, шим прекондея не генерит, импульсов ослик не показывает.
Вот схема.
Схема вроде простая, а вот не работает!
Где может быть собака, почему микра не выдает импульсы?
Обвязку всю проверил не один раз.
Уже моск закипает.

philips_plcd150p1.png
 Описание:
 Размер файла:  490.81 КБ
 Просмотрено:  624 раз(а)

philips_plcd150p1.png


ТЕЛЕКИЛЛЕР 
Бывалый
Сообщения: 73
ТЕЛЕКИЛЛЕР
 
Сообщение #2 От 17/03/2014 10:07 цитата  

А почему ТЕМУ сразу в НАРУШЕНИЯ снесли?
Rom-Zecs 
Передовик
Сообщения: 2900
 
Сообщение #3 От 17/03/2014 10:58 цитата  

измерения где? что именно проверено и каким образом?

Перейти: 
Следующая тема · Предыдущая тема
Показать/скрыть Ваши права в разделе

Интересное от ESpec


Другие темы раздела Нарушения правил

00
111
123
123
13
67
888
888
zzz
zzz


Rambler's Top100 Рейтинг@Mail.ru liveinternet.ru