| Автор | Сообщение |
vitamax
Завсегдатай
Сообщения: 684
|
меняй , типовой дефект.  |
|
БАРК
Старший модератор
Сообщения: 13337
|
| Верно!.. Приборы - ненужное загромождение стола! |
|
viktor_ramb
Сам себе начальник
Сообщения: 23835
|
| БАРК, Ну да! горка деталей к ТВ дешевле бесполезного после ремонта тестера, да и мозги парить зачем, бульдозер - самая надёжная техника! |
|
БАРК
Старший модератор
Сообщения: 13337
|
Чегой-то автор попался чересчур засекреченый, знает напруги, но тайну выдать боится...
Ну, пущай тема повисит ещё чуток, может уважаемый за тестером к соседу побежал... |
|
Yuritsh
Фанат форума
Сообщения: 18498
|
| griolservice писал: | | телевизор включается и работает |
| griolservice писал: | | У меня вообще даже подозрение на ТПИ | Что жара с людьми делает? или они и раньше такими были?
| griolservice писал: | | Может закорот витков какой ? | Ты считаешь "закорот витков" можно вылечить подвешиванием лампочки? Когда будут результаты замеров? ТЕБЯ УЖЕ В ПРАВИЛА ТЫКАЛИ - ТЫКАЛИ. Или еще надо?
| griolservice писал: | | Все обсмотрел и все элементы заменой заменил ... Полевик ... МС44608 ... подозрение на ТПИ | Скажи честно, это твой первый телик? Или себе чинишь? И что значит "service" в твоём нике?
| griolservice писал: | | работает но с полосами обратного хода и ярким экраном | Не совсем понятно - изображение при ЭТОМ есть?
| viktor_ramb писал: | | Сделай измерение питания видеоусилителей! | Надеюсь, дождёмся. |
|
|
griolservice
|
Телик не первый начинал с ламповых а потом перешел на компьютеры.
Ремонтирую соседке так как у них с деньгами туго а мне их жалко.
В нике service - так как работаю в этой компании. кому интересно наберите в интернете.
Сейчас все замеряю и напруги выложу.
ДОБАВЛЕНО 12/07/2010 03:35
vitamax,
аа что менять то ТПИ ? это типовой дефект именно с ТПИ ?
Поподробнее можно ? |
|
viktor_ramb
Сам себе начальник
Сообщения: 23835
|
griolservice, | Цитата: | | это типовой дефект именно с ТПИ ? |
Это типовой дефект не с ТПИ! |
|
aze1959
Распугиватель "гениев"
Сообщения: 6574
|
| БАРК писал: | | Верно!.. Приборы - ненужное загромождение стола! |
ДОБАВЛЕНО 12/07/2010 10:13
griolservice, проверь сетевой лит, замени если уже не заменил мелкий лит в первичке ИП и по питанию видеоусилителей. |
|
mileshca
Передовик
Сообщения: 2513
|
griolservice, проверь сетевой лит, замени .[/quote] и что это даст? если бы в нем дело то проблемы с запуском были бы если экран белый и обратный ход , нужно убрать ускоряющее скрин и посмотреть что будет, какое напряжение на пушках? |
|
киев
Прислонившийся
Сообщения: 6953
|
griolservice, да набери же ты в поиске свой 11AK30 или марку НОТа, а то все читают и ждут, когда же ты велосипед изобретешь а ткнуть пальцем в детальку никто не хочет.  |
|
viktor_ramb
Сам себе начальник
Сообщения: 23835
|
киев,| Цитата: | | а ткнуть пальцем в детальку никто не хочет. |
Как тут ткнёшь, когда с клиента инфы, что кот наплакал. Знаешь куда - ткни, а то простую АКашку раскатаем на 5 страниц.  |
|
alexmih
Передовик
Сообщения: 2195
|
| griolservice писал: | | Питание MC44608 |
параллельно такая же тема, почитай, поучительно |
|
makeym
Фанат форума
Сообщения: 9737
|
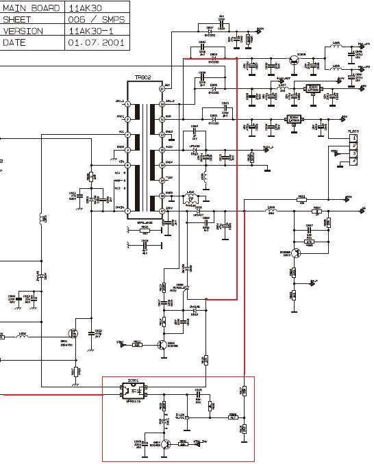
griolservice, проверь цепи стабилизации от D 803 - вплоть до 3 ноги ШИМки (кондюки ты надеюсь поменял) 431- заменой!
Снимокппппп.JPG 95.59 КБ Скачано: 1061 раз(а)
|
|
viktor_ramb
Сам себе начальник
Сообщения: 23835
|
alexmih,| Цитата: | | параллельно такая же тема, почитай, поучительно |
Аналогия неуместна!  |
|
alexmih
Передовик
Сообщения: 2195
|
| но не исключена и возможна в других вариациях! |
|
киев
Прислонившийся
Сообщения: 6953
|
viktor_ramb, ты в 11AK30 лампу допнагрузкой вешал не проверяя Cxxx? Вот и я не вешал. А меж тем в теме ни о нем ни о других литах в строке ни слова. Тока сомнительные утверждения, что менялись ВСЕ в БП. За измерения, которых нет ваще молчу. |
|
makeym
Фанат форума
Сообщения: 9737
|
киев, ну тут строка своеобразная и если он этого товаришся не поменял первым делом - тогдааа...???про стабилизацию молчю!!  |
|
viktor_ramb
Сам себе начальник
Сообщения: 23835
|
киев, | Цитата: | | ты в 11AK30 лампу допнагрузкой вешал не проверяя Сxxx? |
Я бы тему не начинал не поменяв сей лит! О нём только билборды не весят по улицам, а в инете все углы обклеены! Если действительно он окажится, то точно прокладку менять - и нах людям компы с инетом? |
|
alexmih
Передовик
Сообщения: 2195
|
|
viktor_ramb
Сам себе начальник
Сообщения: 23835
|
киев,| Цитата: | | не проверяя Сxxx? |
alexmih,
Дам на прокат ESRметр! Или бульдозер! Недорого!  |
|