ESpec - мир электроники для профессионалов


Nokasonic Nk-1300 Нет звука картинка в порядке .

  Список форумов » Нарушения правил

Следующая тема · Предыдущая тема
АвторСообщение
Валера12 
Участник
Сообщения: 205
 
Сообщение #1 От 09/09/2014 18:20 цитата  

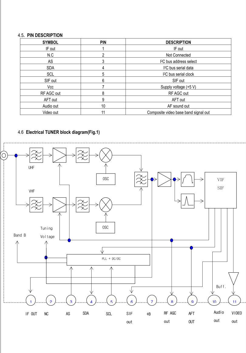
шасси KT5785 или 951-1A.pcb
состав: MTV512GMV, TVP5147, MTL015GF, 24С16, XF-6A (TDQ), 74HCT04D, TDA7496LK, CD4052BM .

Нет звука картинка в порядке .
Изменение стандартов звука в меню не влияет .
Подкинул пустую 24с16 без изменений
7 вывод + 4.95В .подкинул 100 мкф без изменений
С 10 вывода тюнера XF-6A нет звука (постоянный уровень 2.34В)
С11 вывода выход видео -норма.
С 6 вывода есть четкий SIF 6.5 Мгц . -в качестве эксперимента подал на вход УПЧЗ-1М - получил на выходе отличный звук

Что делать?

  тюнер 1.PNG  103.75 КБ  Скачано: 275 раз(а)
B.B. 
Мастер
Сообщения: 11576
B.B.
 
Сообщение #2 От 09/09/2014 18:30 цитата  

Валера12 писал:
С12 вывода выход видео -норма.
Откуда этот вывод?
Валера12 писал:
С 6 вывода есть четкий SIF 6.5 Мгц
И куда идет? + Дополни тему матрицей.


ДОБАВЛЕНО 09/09/2014 18:37

P.S. Ооооооо, дак ты с другой темы сдул состав. Так не пойдет. Тема уходит в мусорку. Читай правила.
Валера12 
Участник
Сообщения: 205
 
Сообщение #3 От 09/09/2014 19:11 цитата  

"С12 вывода выход видео -норма.
Откуда этот вывод? "
Потому что именно с него выводится на экран )))))))))))

"С 6 вывода есть четкий SIF 6.5 Мгц
И куда идет?"
а никуда не идет ! выход Sif не используется в даном ТВ !
С тюнера используется нч выход звука с которым собственно и проблемка

матрица шарп нет модели
Иван Зенин 
Модератор
<B>Модератор</B>
Сообщения: 6781
Иван Зенин
 
Сообщение #4 От 09/09/2014 19:16 цитата  

Валера12 писал:
С12 вывода выход видео -норма

А там жить всего 11 выводов-то. При настройке каналы не пролетают, часом?
Валера12 
Участник
Сообщения: 205
 
Сообщение #5 От 09/09/2014 19:34 цитата  

Иван Зенин,
Выход видео 11 надо исправить.
Каналы не пролетают.
Да и настройка точная .такой логический вывод по тому ,что звук полученный путем детектирования sif кристально чист..
было бы отклонение не пролез бы через фильтр PIF .
Такое впечатление что тупо сдох ЧМ демодулятор..Ведь нет же команды по шине отрубить чм дэм ?
В общем прийдется пустить обходной канал звука .

Перейти: 
Следующая тема · Предыдущая тема
Показать/скрыть Ваши права в разделе

Интересное от ESpec


Другие темы раздела Нарушения правил

111
13
2
2
33
67
888
888
888
99


Rambler's Top100 Рейтинг@Mail.ru liveinternet.ru