| Автор | Сообщение |
|
ВИТАЛИЙ 46RUS
|
всем добрый вечер.достался мне инвертор Packard Spence PSWI-80A на запчасти,но разбирать жалко,хочется вернуть его к жизни.Причиной его самоубийства стал вентилятор охлаждения,а датчик перегрева не сработал и пробило транзисторы N530AD.подскажете где найти схему.выходной каскад генератора собран на 610N60.[/img]


|
|
мастер-ломастер
Модератор
Сообщения: 9972
|
| ВИТАЛИЙ 46RUS, а зачем тебе схема, меняй пробитые детали. |
|
|
ВИТАЛИЙ 46RUS
|
| мастер-ломастер, Я не знаю номиналы конденсаторов которые были рядом с транзисторами(SMD) |
|
|
ВИТАЛИЙ 46RUS
|
|
KRAB
Распугиватель клиентов
Сообщения: 21704
|
| открой схему "гусеподобных" и смотри |
|
|
Vladman
|
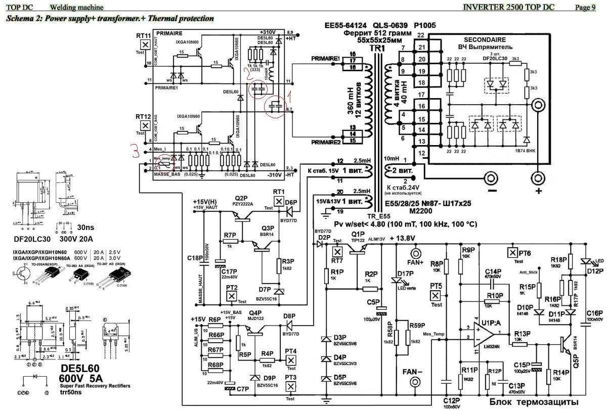
Здравствуйте. Нашел информацию, что аппарат является аналог Gysmi 125/Top DC 2500. Sla70 поделился схемой и подсказал, какие номиналы конденсаторов должны быть (на схеме обведены 1, 2) - 3n3, номинал термистора (на схеме 3) - 10k.
| GYSIM-125 TOP INVERTOR 2500 01.jpg |
| Описание: |
|
| Размер файла: |
294.48 КБ |
| Просмотрено: |
138 раз(а) |

|
| pswi-80a.jpg |
| Описание: |
|
| Размер файла: |
344.03 КБ |
| Просмотрено: |
134 раз(а) |

|
GYSIM-125 TOP INVERTOR 2500 02.jpg 176.52 КБ Скачано: 141 раз(а)
|
|
xarl
Модератор
Сообщения: 21874
|
Vladman, заполняете Профиль...  |
|