ESpec - мир электроники для профессионалов


удал

  Список форумов » Нарушения правил

Следующая тема · Предыдущая тема
АвторСообщение
KBV155 
Заглянувший
Сообщения: 1
 
Сообщение #1 От 03/09/2016 09:05 цитата  

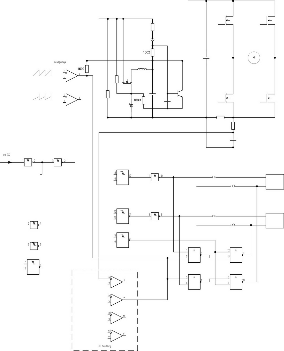
Схема нарисованная, неоконченная. Заменил компаратор.

  _горелки_новый размер.jpg  88.19 КБ  Скачано: 276 раз(а)
xarl 
Модератор
<B>Модератор</B>
Сообщения: 21874
xarl
 
Сообщение #2 От 03/09/2016 09:18 цитата  

KBV155, Откуда: ..........................?
Дмитрий 1987 
Заглянувший
Сообщения: 1
 
Сообщение #3 От 04/12/2016 12:16 цитата  

Газовая горелка mvl rg148. Вентилятор горелки запускается секунд на 5 и останавливается. В чем может быть неполадка?Где копать? Заранее спасибо!
xarl 
Модератор
<B>Модератор</B>
Сообщения: 21874
xarl
 
Сообщение #4 От 04/12/2016 14:41 цитата  

Дмитрий 1987, заполняйте Профиль!

Перейти: 
Следующая тема · Предыдущая тема
Показать/скрыть Ваши права в разделе

Интересное от ESpec


Другие темы раздела Нарушения правил

000
000
111
13
13
67
67


Rambler's Top100 Рейтинг@Mail.ru liveinternet.ru