| Автор | Сообщение |
|
Ustawitski
|
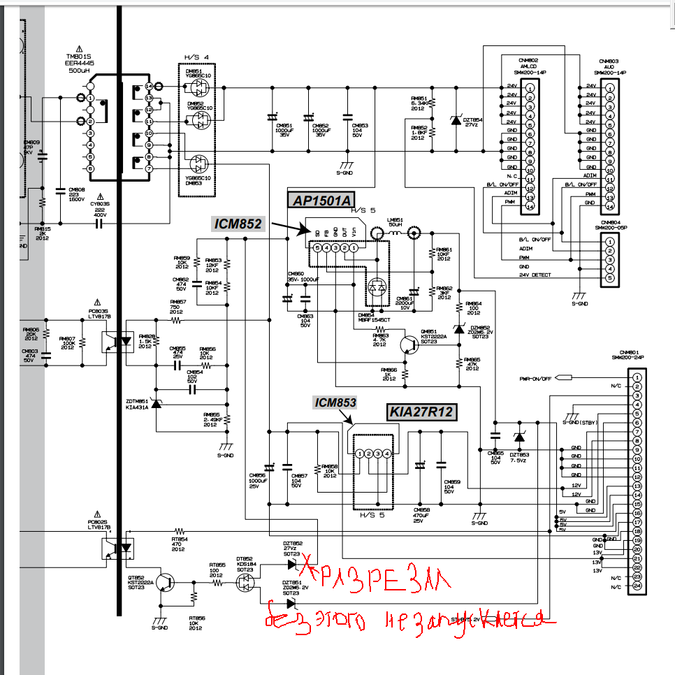
Доброго времени всем. Подарили мне телевизор , за ненадобностью.LCD samsung le32s81bs. Мастер видно его пытался сделать, но не так просто всё оказалось, так и избавились от него, но это не важно.
Не запускается блок питания.BN44-00156A
Горит светодиод на панели, дежурное питание работает. Историю поломки не знаю. Видно, что был згоревший резистор ,заменён, заменены два силовых транзистора в первичной цепи. При включении питание появляется и сразу уходит в защиту. Я поотключал все защиты, запустил принудительно. Получается такая картина. Вместо 24В на выходе 35В Ну 12В и 5В в норме потому что на них стабилизаторы стоят.
Вопрос. По какой причине может идти такое завышенное напряжение на вторичных обмотках? Где копать? все цепи прозвонил. Осцилографа нет. Может кто подскажет каким образом формируется выходное напряжение. чем регулируется и стабилизируется, кроме количества витков. Буду очень благодарен) Конечно можно на Али заказать за 1500 БП. Но есть спортивный интерес отремонтировать самому.

(205).png 194.71 КБ Скачано: 1145 раз(а)
|
|
Valeriynew
Передовик
Сообщения: 1792
|
| Для начала нужно изучить принцип работы ИБП, выяснить такой термин как "обратная связь", как она работает и лишь тогда приступать к ремонту ИБП. |
|
|
Andrey.ron
|
| Оптроны проверь. В первую очередь PC803S(LTV817B) , на всяк PC802S (LTV817B). И их обвязку. |
|
|
Ustawitski
|
Дело в том. что БП запустился только после разрезания дорожки ведущюю на транзистор перед оптроном. Разве оптроны влияют на величину выходного напряжения? я думал, что это просто защита. и Ещё я отключил питание микросхемы TDA/
ДОБАВЛЕНО 28/03/2019 08:09
Я фото вложил со схемой оптронов |
|
Valeriynew
Передовик
Сообщения: 1792
|
| Ustawitski писал: | | Разве оптроны влияют на величину выходного напряжения? я думал, что это просто защита. |
Для начала советую ознакомиться о основными принципамы работы ИБП и предназначении оптрона
http://radioginn.ucoz.ru/publ/1-1-0-1 |
|
|
Ustawitski
|
| Нашёл дохлую TL431 после изучения обратной связи. Поеду сегодня найду. Спасибо за наводку, отпишусь |
|
|
Ustawitski
|
| БП заработал, ура) Телевизор включился, звук включения идёт,но экран чёрный. Надо дальше изучать) Какие подсказки будут? |
|
|
Ustawitski
|
| Штекер не туда воткнул. Всё работает, тема закрыта |
|