| Автор | Сообщение |
|
icstarcom
|
| понятие о синхронизации строчной развертки есть,? |
|
|
Alexasha
|
|
viktor_ramb
Сам себе начальник
Сообщения: 23835
|
Семён46, | Цитата: | | кто знает-ответит сразу |
Ну я ответил сразу ... устно! Какая польза тебе от этого? На "слабо" будешь пацанов на пиво разводить, которые уважают старость и в ответ по шее не дадут. А здесь всерьёз нужно по правилам поступать, расчитывая на уважение. А лучше ТВ в мастерскую к спецам - у них вопросов будет минимум, самый главный о согласии оплатить ремонт согласно прейскуранта. |
|
|
Xarakiri
|
| киев писал: | | И шо - некому это убрать? |
Подскажи где на схеме расположен СИОХ
ДОБАВЛЕНО 16/01/2012 08:26
| KRAB писал: | | Xarakiri, ты опять тут ГАДИШЬ? Один раз снесли в Помойку - опять вылез? Тебе, идиот, сказано - СИОХ ищи! |
Нет чтоб на схеме показать где СИОХ находится он сразу оскарблять. Да я в этом деле профан но схему читать уменю
ДОБАВЛЕНО 16/01/2012 08:27
| Xarakiri писал: | | киев писал: | | И шо - некому это убрать? |
Подскажи где на схеме расположен СИОХ
ДОБАВЛЕНО 16/01/2012 08:26
| KRAB писал: | | Xarakiri, ты опять тут ГАДИШЬ? Один раз снесли в Помойку - опять вылез? Тебе, идиот, сказано - СИОХ ищи! |
Нет чтоб на схеме показать где СИОХ находится он сразу оскарблять. Да я в этом деле профан но схему читать умею |
|
|
zarah
Не фанат форума
Сообщения: 9825
|
| Цитата: | | Подскажи где на схеме расположен СИОХ | Рядом с магнетроном.
ДОБАВЛЕНО 16/01/2012 07:43
| Цитата: | | Чё камрады, забыли где кнопки у вас? | Кнопки дали, а как пользоватся не дали. А самим камрадам модерхату почитать ума не хватает.  |
|
валентин-сибиряк
Фанат форума
Сообщения: 9039
|
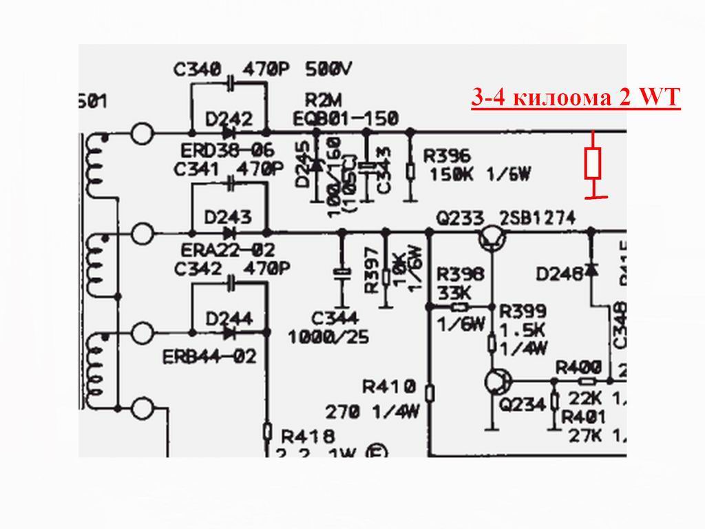
Греется в деж.режиме Q-504 2SB-698 F-причина половины неисправностей телевизора. Установка резистора МЛТ-2 на 3-4 ком в цепь +В решает проблему.Транзистор больше не греется в дежурке.
фрагмент.jpg 81.23 КБ Скачано: 262 раз(а)
|
|
viktor_ramb
Сам себе начальник
Сообщения: 23835
|
валентин-сибиряк, | Цитата: | | Установка резистора МЛТ-2 на 3-4 ком в цепь +В |
Как на счёт закона Ома? 112V x 112V / 3900Ом = 3.22W ! Лучше тогда парочку в паралель по 6.8 кОм, хотя на кой там грелка, может только для Сибири? |
|
валентин-сибиряк
Фанат форума
Сообщения: 9039
|
| viktor_ramb, Стоит нормально не чернеет,можно неделями лержать в дежурке. |
|
LordLostr
Модератор
Сообщения: 8673
|
валентин-сибиряк, Ты с номиналом сопр.не ошибся. МЛТ-2.3-4 ком. Мощьность расс. в районе 3вт.Закон ОМА. И это просто в уме посчитал.
ДОБАВЛЕНО 19/02/2012 20:26
| viktor_ramb писал: | | 112V x 112V / 3900Ом = 3.22W ! | Пока печатал,то же самое,но точнее.  |
|
валентин-сибиряк
Фанат форума
Сообщения: 9039
|
| LordLostr, я раньше в Самсунгах на SMR 40200 ставил 6-8ком 2вт.там грелись прилично,там и +В в дежурке под завязку 150 вольтов. |
|
LordLostr
Модератор
Сообщения: 8673
|
| валентин-сибиряк писал: | | Стоит нормально не чернеет,можно неделями лержать в дежурке | Сомнительно,или пока холодно.А в рабочем режиме?-Тумблер,для переключения?
ДОБАВЛЕНО 19/02/2012 20:34
валентин-сибиряк, Закон ОМА не отменялся,сам посчитай,и не смеши.  |
|
валентин-сибиряк
Фанат форума
Сообщения: 9039
|
| LordLostr, в рабочем напряжение +В не меняется =115вольт.Ставлю 3 резистора последовательно по 1к,1,3к,1,3к |
|
LordLostr
Модератор
Сообщения: 8673
|
валентин-сибиряк, | валентин-сибиряк писал: | | в рабочем напряжение +В не меняется =115вольт | Посчитай.и лучше больше не отвечай.Нарвёшься на комплименты. |
|
валентин-сибиряк
Фанат форума
Сообщения: 9039
|
| Ясно,модераторов прошу удалить тему в корзину,как не состоятельную. |
|
zarah
Не фанат форума
Сообщения: 9825
|
Из энциклопедии устроили выяснение истины и флудоперню во главе с модератором. Прикольно...  |
|
viktor_ramb
Сам себе начальник
Сообщения: 23835
|
валентин-сибиряк, | Цитата: | | Ясно,модераторов прошу удалить тему в корзину,как не состоятельную. |
валентин-сибиряк, свой совет подкорректируй в соответствии с рекомендациями Джеймса Уатта, а остальной флуд в мусор! |
|
Serg*
Передовик
Сообщения: 1683
|
валентин-сибиряк писал:
я раньше в Самсунгах на SMR 40200 ставил 6-8ком 2вт.там грелись прилично,там и +В в дежурке под завязку 150 вольтов
Еще одна не точность мягко сказать. Никогда при рабочем БП там не было 150V, так как по выходу вторички стоит защитный диод ( стабилитрон ) на 150V. Максимально допустимое напряжение в дежурке 140V , в рабочем режиме 120V. И ни как не пойму зачем ставить в эту схему еще какие то резисторы  |
|
Бакум
Рождённый в СССР
Сообщения: 12732
|
|
|
ШЫШОКЪ
|
Funai 2100A MK7 отсутствует регулировка звука
Main - BL7530F010B1-1-A
Micom - TMP47C434N-R214
Memory - TC89101P
SMPS - 2SD1710
TR Chopper - 00EP010
SAW - 38.0MH
Secam - CXA1214P
Video - CXA1213BS
VIF - A7530N
Vertical - LA7830
Sound -AN5265
Tuner - ENV-79838F2
FBT - 154-177T (HR7473)
HOT - 2SD2333
RGB Amp. - 2SC2271
Пришел этот ящик с вышибленной памятью, поменял память на чистую пропала кадровая оказалось, что она тоже вылетела, теперь на экране не появляется шкала регулировки звука. Да и самого звука нет. Искал на скарте-там он есть, на входе An5265 тоже есть а вот на выходе никого унч проверял выпаивая собирал на столе схему- рабочая питание УНЧ проверил всё в нормы 1 нога-12 В 9нога-15 вольт. Помогите кто сталкивался.  |
|
Nik_Al
Старый таёжник
Сообщения: 34281
|
| Yuritsh писал: | | ШЫШОКЪ, графика на экране присутствует? |
Ну там вроде как сказано на экране не появляется шкала регулировки звука, наверняка и другой графики тоже нет. Если телик пришел с вышибленой памятью... нельзя исключать тот факт, что проц тоже зацепило.
Я бы заменил процессор.
Хотя со слов автора непонятно - с вышибленой памятью он включался или нет? Если включался и была графика... надо искать в обвязке - диоды прверить не лишне. |
|