| Автор | Сообщение |
|
Knup
|
В (БП) 2368 чем заменить или подскажите другой вариант, очень надо!!!  |
|
|
MORGAN CTV
|
| А в чём проблема то - 2SD2368 1500V 3.5A 60W должен 508 подойти (1500V 8A 125W) |
|
Альберт.
Завсегдатай
Сообщения: 434
|
| Knup писал: | В (БП) 2368 чем заменить или подскажите другой вариант, очень надо!!!  |
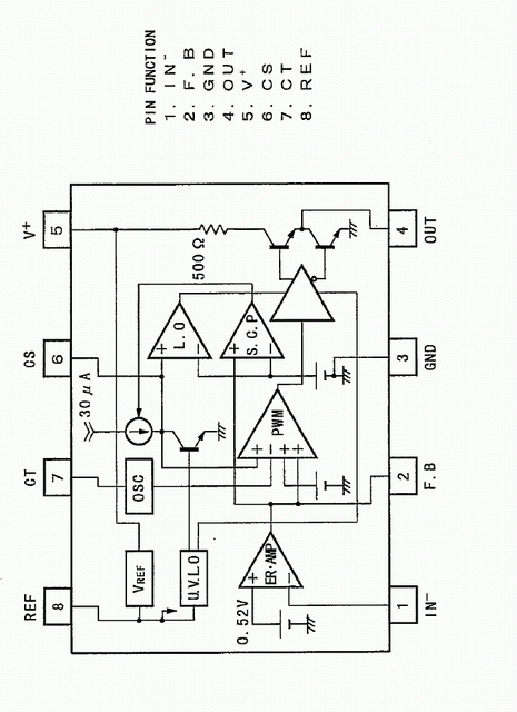
MORGAN CTV, наверное не прав. Речь о шим микрухе на 8pin?!
JRC2368 - шим-контроллер, он же NJM2368.
Image1.gif 90.88 КБ Скачано: 1644 раз(а)
|
|
|
kai
|
| FA7610=NJM2368 Только вот ни ту,ни другую в продаже вряд ли найдёшь.Проще с разбора где-нибудь взять. |
|
|
MORGAN CTV
|
NJM2368 в свитчах применяют, зайди к "локальщикам" мешок дадут горевших, правда там почти всегда она и горит до дыр.
Knup пиши подробнее в след раз |
|
|
Rec
|
И все же, у кого получилось заменить NJM2368?
Пытался UC3843, что то мощности не хватает.
Кто знает, емкость какая должна стоять на осциле UC3843?
По фото рассмотрел резистор 10кОм, а емкость не знаю. |
|