| Автор | Сообщение |
|
Дмитрий С
|
Blu Ray проигрыватель Sony BDP-S765 не включается после грозы.
REGULATOR, SWITCHING (SRV2183WW) или 1-474-150-41.
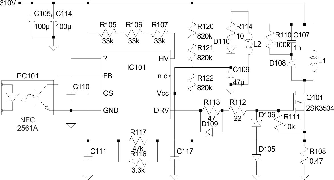
Похоже, что вышел из строя ШИМ-контроллер. На выводе 8 (HV) напряжение после цепочки R105-R107 скачет от 50В до 310В.
Вся беда в том, что Mutsimi затёрли наименование ШИМа и я не могу определить его "фамилию". Ещё смущает, что выв.1 соединён с землёй через конденсатор C110 - т.е. это не вход RT.
В остальном по цоколёвке всё вроде бы как совпадает с распространёнными контроллерами (типа NCP1271, LD7575 и т.д.):
1 - ?
2 - FB
3 - CS
4 - GND
5 - Drv
6 - Vcc
7 - n.c..
8 - HV
HV подаётся, как я уже написал через резисторы R105-R107 - 33кОм.
Коллеги, помогите опознать ШИМ.
Дмитрий.
| SRV2183WW_Down.jpg |
| Описание: |
|
| Размер файла: |
349.59 КБ |
| Просмотрено: |
321 раз(а) |

|
| SRV2183WW_Up.jpg |
| Описание: |
|
| Размер файла: |
304.55 КБ |
| Просмотрено: |
304 раз(а) |

|
|
|
vadim3008
Мастер Добрых Дел
Сообщения: 5819
|
| Дмитрий С, схемку, набросай! |
|
|
Дмитрий С
|
вот, не стал лишнее изображать:
bdp-s765.jpg 93.97 КБ Скачано: 351 раз(а)
|
|
Юрий 72
Передовик
Сообщения: 1397
|
Дмитрий С, если не Rt, значит Ct. А емкость какая?
ДОБАВЛЕНО 14/02/2017 10:42
Ncp бывают еще 1219 на 60 и 100kHz. Но чаще ставим обычную 1203. |
|
vadim3008
Мастер Добрых Дел
Сообщения: 5819
|
|
|
Дмитрий С
|
Установил NCP1203 на 60кГц.
Чваркнуло и унесло:
R108, R117,R116, R111, ну и Q101 естественно :-(
ШИМ скорее всего тоже мёртв.
Перед установкой 1203, измерял ёмкость C110 - 0,33 мкФ.
Вот теперь вопросов стало больше... Почему чваркнуло?
Посмотрите, мне не нравится эта цепь R120-R122, зачем она? Защита при обрыве R108?
Допустим, что C110 выполняет функцию софт-старта совместно с внутренними цепями ШИМ по ADJ (выв.1), но тогда зачем цепочка из R105-R107 по HV (выв.8), выполняющая ту же функцию?
Что посоветуете дальше предпринять? |
|
igorasrex
Завсегдатай
Сообщения: 635
|
Дмитрий С, Лучше оставил бы только то, что соответствует обвязке для NCP1203. И еще нужно проверять как поживают цепи обратной связи. Отследить по какому напряжению сконструирована стабилизация и подать такое же напряжение с ЛБП. На reference-пине tl-ки станет 2,5вольт(реже 1,25в.) а на свето-диоде опто-пары 1,05-1,15 вольт, а ее транзистор должен окткрываться(меньше 100 Ом при 1,15 в. на свето-диоде). Еще, если есть осциллограф можно проверить генерацию без полевика, и проверить демпферную цепь, и т. д. После того как все проверено, можно включать через лампу в обрыв плюса от сетевого конденсатора к катушке трансформатора. И лишь когда будут на выходе нужные напряжения завершить ремонт проверкой блока на нагрузку, ну или просто в аппарате.
 |
|