| Автор | Сообщение |
|
Evvgen
|
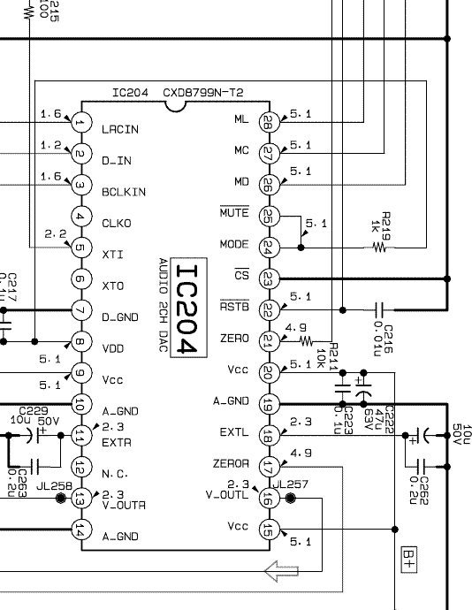
SONY DVP-7700 линейный выход, не работает левый канал, цифровой выход работает. Цап 1 х CXD8799N, операционные усилители 2 х OPA2134PA. Померял напряжение на выводах цапа, все совпадает кроме 2 ноги, на ней 0,8в вместо 1,2в. Так же проверил наличие переменного напряжения на 13 и 16 ногах, на 13 присутствует, на 16 отсутствует. При замыкании 13 и 16 в левом канале появляется сигнал.Что накрылось? Если ЦАП,то на что менять, или обязательно искать такой же. Знаний и опыта мало.
1.GIF 23.37 КБ Скачано: 1759 раз(а)
|
|
iga
Заместитель Администратора
Сообщения: 12524
|
| сопротивление при "висящих" ногах 13 и 16, на каждом какое? и с нагрузкой то же. - - - - - - - - - На форуме ESpec 2 414 739 сообщений в 228 172 темах.
|
|
|
Evvgen
|
Сопротивление на 13=4,62Мом,на16=5,52Мом ,аппарат отключен от сети. Сопротивление на 13=7,22Мом,на16=14,48Мом ,аппарат включен в сеть но кнопка включения в положении выключено. Сопротивление на 13=бесконечность,на16=бесконечность,аппарат включен в сеть кнопка включения в положении включено,диск не вставлен.
Сопротивление на 13=бесконечность,на16=бесконечность,аппарат включен в сеть кнопка включения в положении включено,диск крутится. Еще раз померял напряжения,на 16 ноге оно гуляет от 0до 2в,а в первый раз намерял 2,52 как и на 13 ноге. |
|
iga
Заместитель Администратора
Сообщения: 12524
|
| так. на 1 и 3 ногах осцилом смотри.что есть? - - - - - - - - - На форуме ESpec 2 414 739 сообщений в 228 172 темах.
|
|
|
Evvgen
|
Осцилографа нет,попробывал в спектролабе.


|
|
deny
Завсегдатай
Сообщения: 982
|
| а куда с выходов микры уходят сигналы?... |
|
|
Evvgen
|
|
deny
Завсегдатай
Сообщения: 982
|
| сложно сказать,надо изучить даташит на конвертер,может он работает в одноканальном режиме(тогда слёт прошивки,неисправность конвертера,процессора)...... |
|
|
Evvgen
|
| Даташита на cxd8799n пока не нашел. |
|
Иван Василич
Старший модератор
Сообщения: 5574
|
|