| Автор | Сообщение |
|
zoobnn
|
Добрый день. Имеется бесперебойник 24 В/220В 4 кВт фирмы ALS, внешне и сборка очень похожа на Леотон.
Проблема в следующем: на выходе выдает 420В. Схема платы управления почти совпадает с установленной платой управления.
Напряжение на выходе преобразователей ( на фото два спаренных трансформатора) 420В, частота 26кГц. Каждый трансформатор выдает 13В/виток. Измерял мотая один виток на каждый трансформатор. Это напряжение поступает на плату формирования выходного напряжения.
Удалось снизить напряжение на выходе до 240, уменьшив амплитуду задающей синусоиды 1 и 7 выходы ОУ для выходных транзисторов, но на выходе синусоиды и даже чистого прямоугольника нет. Преобразователь в таком режиме уходит в защиту, но можно произвести замеры.
Выходные транзисторы и обвязка + мощные резисторы проверены со снятием. Обрывов и отклонений от номиналов не замечено.
Может кто подскажет не много ли на выходе преобразователей 420В? Ток холостого хода 5А, даже с отключеной платой формирования выходного сигнала ~220/50Гц.
Может кто то поможет советом, в какую сторону глянуть.
Спасибо.
| IMG_20221024_112723.jpg |
| Описание: |
|
| Размер файла: |
256.12 КБ |
| Просмотрено: |
120 раз(а) |

|
| IMG_20221024_115011.jpg |
| Описание: |
|
| Размер файла: |
373.36 КБ |
| Просмотрено: |
167 раз(а) |

|
remont-ibp-leoton-500-ne-rabotaet-ot-akkumulyatora.pdf 1.31 МБ Скачано: 164 раз(а)
|
|
|
zoobnn
|
На выходе из преобразователя 12 В в высокое напряжение получаю кривую синусоиду, которая выпрямляется в 420 В. Ток холостого хода, без выходного преобразователя меньше 100мА.
При подключении выходного преобразователь, получаю потребление 5А, без нагрузки. Ничего существенного не греется.
Силовыми выходными транзисторами управляется драйверами IR2104. Сигналы на выходе драйверов корректные по нижним и верхним уровням. Осциллограммы прилагаю.[img][/img]
| IMG_20221030_214748.jpg |
| Описание: |
|
| Размер файла: |
360.77 КБ |
| Просмотрено: |
118 раз(а) |

|
| IMG_20221030_214718.jpg |
| Описание: |
|
| Размер файла: |
339.68 КБ |
| Просмотрено: |
123 раз(а) |

|
| IMG_20221030_214436.jpg |
| Описание: |
|
| Размер файла: |
356.32 КБ |
| Просмотрено: |
113 раз(а) |

|
| IMG_20221030_214239.jpg |
| Описание: |
|
| Размер файла: |
319.88 КБ |
| Просмотрено: |
117 раз(а) |

|
| IMG_20221030_214519.jpg |
| Описание: |
|
| Размер файла: |
401.98 КБ |
| Просмотрено: |
124 раз(а) |

|
| IMG_20221030_214328.jpg |
| Описание: |
|
| Размер файла: |
343.59 КБ |
| Просмотрено: |
111 раз(а) |

|
|
|
|
zoobnn
|
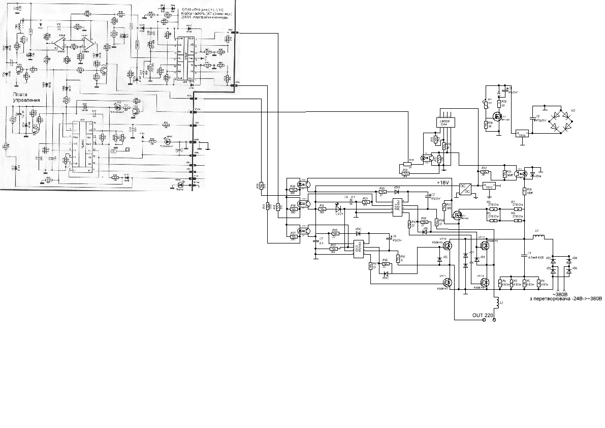
Спасибо всем, кто откликнулся. На выходе по прежнему 380В 50Гц прямоугольники и срисованная схема платы.
ALS_4000+.JPG 140.01 КБ Скачано: 159 раз(а)
|
|

|