| Автор | Сообщение |
|
tarikOk
|
На блоке питания надпись PE-3131-02UN-LF. Нужно опознать элементы. На плате их нет, ковыряли до меня. Самое главное это ШИМка, резистор уже как-то подберу. Или может у кого-то схемка есть...Буду оооочень благодарен!

|
|
Бакум
Рождённый в СССР
Сообщения: 12732
|
|
|
B.B.
|
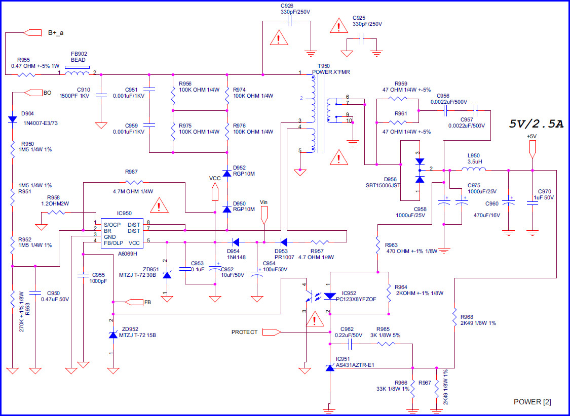
tarikOk, вот тебе участок схемы с этой ШИМ
A6069H..jpg 239.22 КБ Скачано: 6512 раз(а)
|
|
|
tarikOk
|
|
|
tarikOk
|
| а есть у кого схема всей платы блока питания? |
|
|
B.B.
|
| tarikOk писал: | | а есть у кого схема всей платы блока питания? |
Так а что у тебя не идет? |
|
|
tarikOk
|
| там бахнул кандёр на 450В, резистор нак 1 ноге ШИМа и сам ШИМ. Всё поменял, а плата не работает. На выходе ничего нет. |
|
|
B.B.
|
| tarikOk писал: | | там бахнул кандёр на 450В, |
А сколько же вольт на кондере было?| tarikOk писал: | | Всё поменял, а плата не работает. |
Так осцилограф зачем у тебя? |
|
|
tarikOk
|
| так что ж им мерять? схему ж надо.... |
|
vebs
Белгородец
Сообщения: 2751
|
НЕ схему тебе надо, а перечислить все ШИМ, т.е. состав. Хочешь знать от чего емкость взорвалась? Что в схеме хотел увидеть, сколько на банке, ШИМ PFC присутствует?
| tarikOk писал: | | На плате их нет, ковыряли до меня. | + ты поковырял. Клиент завязывает глаза или пьян, когда отдает на ремонт гарантийный телевизор?
ред. Иван Зенин
Иван, тем более, какая ему тут схема!?!? |
|
|
tarikOk
|
| А чем вам моя тема не нравиться? Клиент отнёс в ремонт, там у него с платы сняли ШИМку STR A6069H, и отдали телек назад, сказали что сделать не могут. Принес мне, там был взорван кандёр и резистор возле ШИМ. Я всё поменял, поставил тот ШИМ который сняли, а плата далее не работает. А без схемы даже мастер не всегда сделает, на то она и схема. Я хотел пройтись по схеме, проверить где какие напряжения есть а каких нет. Прозвонил мультиметром все элементы, пробит не обнаружено. Так как телевизоры не мой основной профиль, ремонтирую их ооочень редко, точнее вообще не ремонтирую, по этому и не могу с первого взляда так как "опытный мастер" определить характерную поломку конкретной модели. |
|
|
B.B.
|
| tarikOk писал: | | ремонтирую их ооочень редко, точнее вообще не ремонтирую |
Здесь только могут направление указать, а тебя надо еще и за руку водить.  |
|
vebs
Белгородец
Сообщения: 2751
|
| tarikOk писал: | | А чем вам моя тема не нравиться? | мне похрену, как ты составил тему. гадай дальше сам, почему емкость взорвалась, вряд ли помощи получишь.
| vebs писал: |
| tarikOk писал: | | На плате их нет, ковыряли до меня. | + ты поковырял. |
| tarikOk писал: | | Так как телевизоры ...вообще не ремонтирую |
Привет хозяину телевизора!  |
|
|
tarikOk
|
За руку водить меня не надо..я думаю со схемой в силе сам разобраться. Вы бы чем нибудь полезным помогли...а не только обсуждали кого и куда водить |
|
vebs
Белгородец
Сообщения: 2751
|
tarikOk, огрызаешься дальше? Тебе написали, перечисли состав БП. Ремонт тебе нужен, в твоих интересах отвечать на вопросы. Вопросы проигнорировал, толку Тебе, от твоих огрызаний!?! | tarikOk писал: | | Самое главное это ШИМка | самое главное, как оказалось - голова. Твои предшественники, на том же споткнулись.Отсутствуют не только знания принципа работы ИБП, но и логика ума. => Клиент!  |
|
|
tarikOk
|
| Какой именно состав перечислить? С явных микросхем только STR A6069H и FSFR1800ю Есть один K6A60D. Остальное пасивные елементы. НА 1 и 2 ноге STR A6069H есть 300В, идёт на трансформатор, так должно быть? |
|
vebs
Белгородец
Сообщения: 2751
|
| tarikOk писал: | | есть 300В, идёт на трансформатор, так должно быть? |
| tarikOk писал: | | бахнул кандёр на 450В | вопрос не возник, почему?
Уверен, что все перечислил? Фото в хорошем качестве, с обратной стороны делай, в архив и сюда.
Вот тебе схема FSFR1800 Смотри на скрин. Предполагаю, что у тебя не только STR A6069H вылетела, но FSFR1800 уже дохлая.

|
|
|
tarikOk
|
| с обратной стороны есть FAN7930. Фото сейчас сделать не могу, выложу позже. На плате сзади и спереди не видно ничего горелого. |
|
vebs
Белгородец
Сообщения: 2751
|
Теперь уже фото не особо нужно, (хотя для истории сделай). после написания FAN7930! Теперь гугли что это такое и для чего она нужна (потом изложи свои мысли тут, чтобы видно было, что ты работаешь) .
Блюдца с золотой каймой, извини закончились. |
|
Nik_Al
Старый таёжник
Сообщения: 34281
|
| tarikOk писал: | | Так как телевизоры не мой основной профиль, ремонтирую их ооочень редко, точнее вообще не ремонтирую, |
Букварь тебе в зубы
ДОБАВЛЕНО 29/10/2013 22:37
| vebs писал: | | после написания FAN7930! Теперь гугли что это такое и для чего она нужна . |
Славик, на прекондей намкаешь?  |
|