ESpec - мир электроники для профессионалов


UNIVERSUM FT5917 - прошивку ищу

  Список форумов » Прошивки

Следующая тема · Предыдущая тема
АвторСообщение
GIII 
Новичок
Сообщения: 12
 
Сообщение #1 От 29/05/2004 00:16 цитата  

Вышлите, пожалуйста, прошивку на NVM3060
для UNIVERSUM FT5917
Спасибо
SERGE 
Передовик
Сообщения: 1640
SERGE
 
Сообщение #2 От 29/05/2004 00:38 цитата  

GIII, очень возможно , что этот UNIVERSUM известен под другим именем. Весь перечень микрух давай
GIII 
Новичок
Сообщения: 12
 
Сообщение #3 От 07/06/2004 09:13 цитата  

TDA3857
TDA4504
TDA3301B
MC44130P
SM90-06
zeppelin 
Завсегдатай
Сообщения: 451
zeppelin
 
Сообщение #4 От 07/06/2004 20:39 цитата  

GIII,
Это кажись BS700 итальянские Селеко производные .
SM90-06 это проц аналог TVPO . А в чем проблема ? Не можеш в настройку войти или как ?
Там в прошивке - только настройки на каналы и все - никаких размеров и никаких др опций .
Заготелен ?
zeppelin 
Завсегдатай
Сообщения: 451
zeppelin
 
Сообщение #5 От 08/06/2004 00:07 цитата  

Вот только MC44130P этой микры нету в BS700 .
Пардон вот BS990 шасси это .
GIII 
Новичок
Сообщения: 12
 
Сообщение #6 От 10/06/2004 09:19 цитата  

Да, есть такая надпись...
kulek 
Передовик
Сообщения: 1250
kulek
 
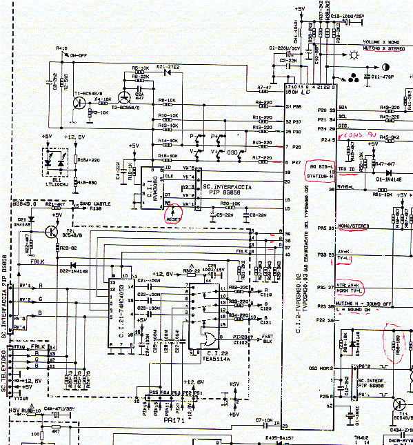
Сообщение #7 От 10/06/2004 09:30 цитата  

http://monitor.espec.ws/viewtopic.php?t=21535&highlight=bs990
это?

  TVPO.gif  115.42 КБ  Скачано: 1483 раз(а)

Перейти: 
Следующая тема · Предыдущая тема
Показать/скрыть Ваши права в разделе

Интересное от ESpec


Другие темы раздела Прошивки



Rambler's Top100 Рейтинг@Mail.ru liveinternet.ru