ESpec - мир электроники для профессионалов


Нужна прошивка флеш Philips 20PFL3403S/60 S TCM1.0E LA

  Список форумов » Прошивки

Следующая тема · Предыдущая тема
АвторСообщение
Olegga 
Новичок
Сообщения: 25
Olegga
 
Сообщение #1 От 02/04/2012 12:35 цитата  

Калининградская сборка. Proc. MT8200ATE 0822-BDSL B182941, HDMI MT8293AE, Flash AM29LV160M наклейка PLH800461A V8-P20MT00-LF1V512-RU, SDRAM K4S64 1632K-UC50, EEPROM 24C32 24C08 и две H81202B, TUNER TEDE9-2C2B, Stby F9222, панель LC201V02. Включаю в сеть, светодиод горит красным, нажимаю P+ или P-(на пульте или на панели) он тухнет и больше не реагирует на команды. U +12v, +5v с б.п. в норме, на майне +3,3v, +1,8v присутствуют, кварц 27000 подкидывал(генерация есть). Принудительно инвертор запускал, лампы зажигаются, экран тёмный. Менял прошивку eeprom24C32, ставил чистую-тоже самое. На квадрат. шине(135,136 ноги MT8200 )- логический ноль. С помощью MtkTool слил флеш, оказалась пустой(result ---ManuId: FF, DevId: FF, DevId2: FF). Залил флеш отсюда-http://monitor.net.ru/forum/viewtopic.php?p=2565925&highlight=tcm1, аппарат стал влючаться-светодиод загорается голубым, влючается подсветка, экран тёмный, затем выдаёт 4 мырга(ошибкаI2C). Проверил шину-MT8200, SDA(135нога)-высокий уровень, SCL(136нога)-низкий. На EEPROM 24C32 тоже самое. Возможно прошивка флеш не подходит?
Pioner 
Simplicity
Сообщения: 264
Pioner
 
Сообщение #2 От 03/04/2012 18:22 цитата  

EEPROM обратно родную поставил?
Olegga 
Новичок
Сообщения: 25
Olegga
 
Сообщение #3 От 04/04/2012 12:00 цитата  

Да, сейчас eeprom 24C32 обратно родную поставил с родной прошивкой. Так-же - влючается подсветка, экран тёмный, затем выдаёт 4 мырга.
Vladimir91 
Заглянувший
Сообщения: 9
 
Сообщение #4 От 20/04/2012 07:58 цитата  

Olegga писал:
С помощью MtkTool слил флеш

Как соединился, шнуром или soft jig. Если шнуром - дай схему. а то моник лежит мертвый, надо прошить
Olegga 
Новичок
Сообщения: 25
Olegga
 
Сообщение #5 От 20/04/2012 13:10 цитата  

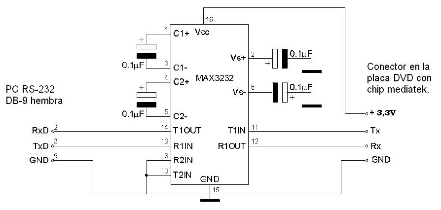
лови, дерзай. 3,3v от TV, DVD. не забудь только соединить корпус компа с корпусом прошиваемого аппарата прежде чем включать.

  INTERFACE-MT1389.jpg  93.2 КБ  Скачано: 1130 раз(а)
  MAX3232.rar  7.31 КБ  Скачано: 889 раз(а)
  Список FLASH-памяти поддерживаемой MTKTool.rar  1018 Байт  Скачано: 982 раз(а)

Перейти: 
Следующая тема · Предыдущая тема
Показать/скрыть Ваши права в разделе

Интересное от ESpec


Другие темы раздела Прошивки



Rambler's Top100 Рейтинг@Mail.ru liveinternet.ru