ESpec - мир электроники для профессионалов


нужна помощь в прошивке nand flash

  Список форумов » Прошивки

Следующая тема · Предыдущая тема
АвторСообщение
in log 
Бывалый
Сообщения: 48
 
Сообщение #1 От 25/05/2017 22:52 цитата  

всем привет !
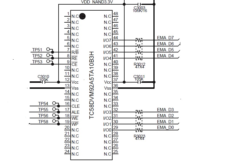
прошу помочь с прошивкой tc58dvm92a5ta10b3h корпус tsop48
собственно ищу человека в москве или в области у кого есть программатор nand и сможет прошить данную микросхему.естественно не бесплатно .
дамп который нужно залить тоже есть.
у меня из прогеров ezp2010 ,octapus, superpro 500p и как я понял они с нанд не работают .очень надеюсь на помощь !

  .jpg  104.24 КБ  Скачано: 223 раз(а)
in log 
Бывалый
Сообщения: 48
 
Сообщение #2 От 27/05/2017 01:13 цитата  

эх,по ходу не кто не поможет недовольство, огорчение

Перейти: 
Следующая тема · Предыдущая тема
Показать/скрыть Ваши права в разделе

Интересное от ESpec


Другие темы раздела Прошивки



Rambler's Top100 Рейтинг@Mail.ru liveinternet.ru