| Автор | Сообщение |
|
gusmakous
|
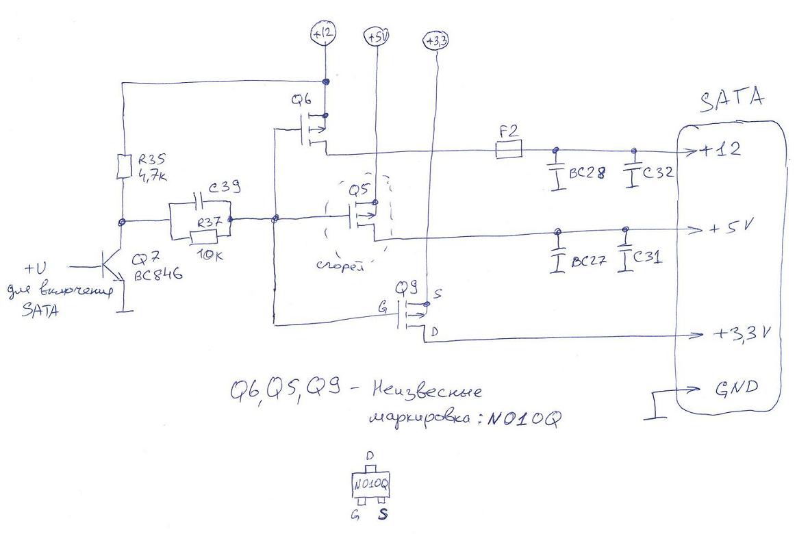
имееться док станция для винчестеров Zalman Dual HDD dosk station ZM-MH200 U3. (для 3,5 и 2,5 винчестеров)
Имеються на ней пробитые транзисторы SMD SOT-23 маркировка N010Q. Используються в качестве ключей по одной штуке на каждое питание SATA винчестера, тоесть на 3.3, 5, 12В (надеюсь не ошибся с напряжениями).
ПО шине 5 вольт на каждом из каналов питания эти транзюки выгорели.
Это полевые транзисторы (исходя из прозвонки тестером).
Как я понимаю P-канальные, так как стоят между "+" источника питания и потребителем (не уверен в правильности своих рассуждений).
Должны выдерживать ток необходимый для запуска SATA винчестера.
Имеет встроенный защитный диод.
Возможно кто поможет опознать, или аналог на вскидку предложит более менее доступный.
Фотки выложу через пару дней, если потребуется.
| IMG_7961.JPG |
| Описание: |
|
| Размер файла: |
243.26 КБ |
| Просмотрено: |
379 раз(а) |

|
|
|
serega-64
Старший модератор
Сообщения: 10180
|
| gusmakous, На материнках ищи, могут стоять по упр. питанием USB. |
|
мастер-ломастер
Модератор
Сообщения: 9972
|
| gusmakous, надо сперва найти причину вылета онных транзисторов. |
|
serega-64
Старший модератор
Сообщения: 10180
|
| мастер-ломастер писал: | | надо сперва найти причину вылета онных транзисторов. |
Этт в первую очередь, хотя возможно впихнули неисправный "винт". |
|
TE
Старший модератор
Сообщения: 10199
|
| gusmakous писал: | | Это полевые транзисторы (исходя из прозвонки тестером). Как я понимаю P-канальные, так как стоят между "+" источника питания и потребителем (не уверен в правильности своих рассуждений). |
Мультиметром можно определить проводимость канала или написать сток подключен к источнику или исток. |
|
|
gusmakous
|
|
TE
Старший модератор
Сообщения: 10199
|
| По рисунку Р-канальные. Можно использовать любые с током порядка 5А и напряжением 30В. На рисунке маркиоровка N010Q, а в заголовке A010N. Где правильно? |
|
|
gusmakous
|
Блин вот это я затупил с маркировкой. в понедельник разберу по новый и сфотографирую.
Ок теперь имеем 5 ампер, 30В, корпус SOT-23. о например Si2323 Vishay http://www.vishay.com/docs/65700/si2323cd.pdf и вроде даже как есть в киеве. ПРавда тут 20В. |
|
TE
Старший модератор
Сообщения: 10199
|
| Можно и с меньшим допустимым током, например AO3401, есть в IMRADe. |
|
|
gusmakous
|
| ну я так поглядел внимательно на плату. и дорога толстенная которая идет к истоку на одном транзисторе милиметра на 2 от него отвалилась, и лак под этим транзистором очень хорошо подгорел, так что аж волокно наружу было. тоесть горели эти транзисторы видно дооолго. |
|
makeym
Фанат форума
Сообщения: 9737
|
gusmakous, или текстолит говённый или температурный режим ...... не "соблюдённый"  |
|
|
gusmakous
|
| TE писал: | | По рисунку Р-канальные. Можно использовать любые с током порядка 5А и напряжением 30В. На рисунке маркиоровка N010Q, а в заголовке A010N. Где правильно? |
.видно "пьян" был и неправильно обозвал тему. возможно ее переименовать? правильная маркировка N010Q.
Был на рынке. ни si2323 ни AO3401 не оказалось. зато на дохлой матери от ноута было SI4835. и 30В и амперов 7-9 держит. неочень красиво, зато хрен сгорит и работает  |
|