| Автор | Сообщение |
|
Runner_N
|
Приветствую всех участников форума!!!
Я тут человек новенький, прошу сильно не обижать...
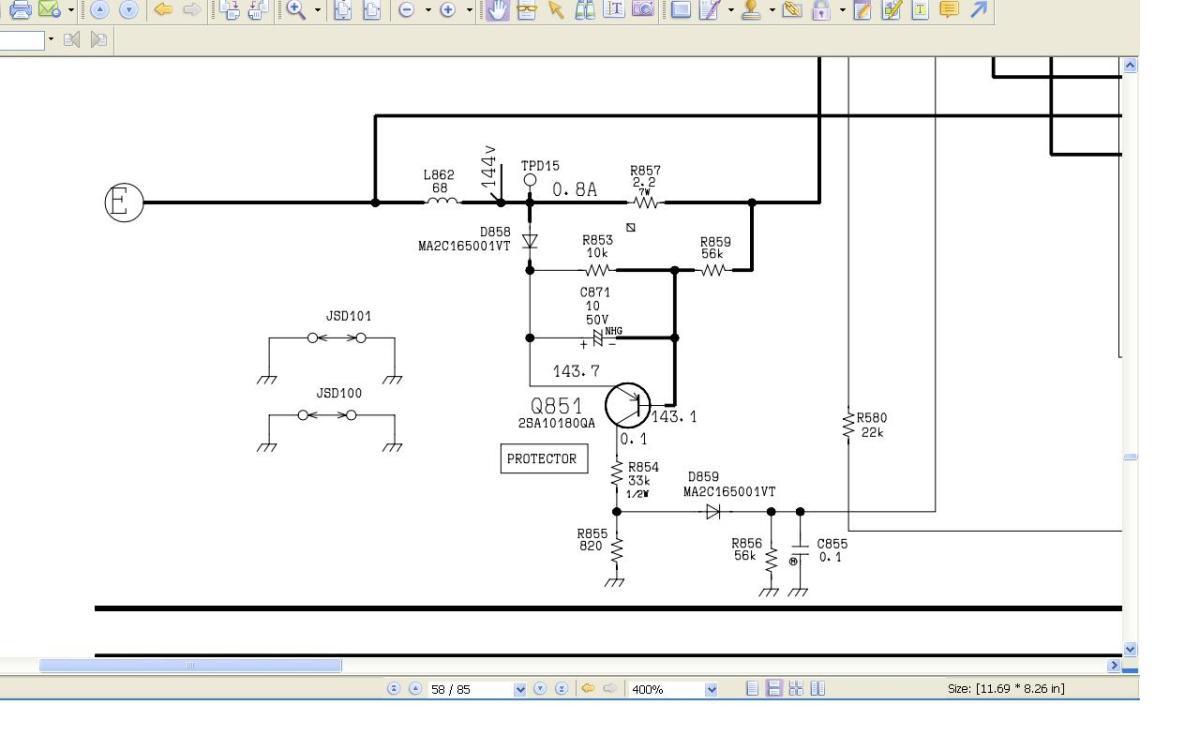
Имеем Panasonic TX-34P250T шасси EURO7.
Заявленный деффект - "Не включается"
Визуальный осмотр выявил выгорание шунтирующего конденсатора с858 1800рF и снижение номинальной ёмкости с866 560mkf 160v.
Диод d855 fmgg2cs прозванивается нормально.
Транзистор Q851 2sa10180qa не прозванивается на базу.
Вопрос, каким аналогом можно заменить Q851 2sa10180qa и на всякий случай аналог d855 fmgg2cs (в продаже их нигде нет).
Спасибо!
С уваженем, Алексей.
Panasonic TX-34P250T шасси EURO7_1.JPG 90.84 КБ Скачано: 337 раз(а)
Panasonic TX-34P250T шасси EURO7_2.JPG 69.31 КБ Скачано: 322 раз(а)
|
|
VOLOCHA
Завсегдатай
Сообщения: 772
|
| Цитата: | Вопрос, каким аналогом можно заменить Q851 2sa10180qa и на всякий случай аналог d855 fmgg2cs (в продаже их нигде нет).
Спасибо! |
Сходите сюда и поищите: http://www.alldatasheet.com/  |
|
LordLostr
Модератор
Сообщения: 8673
|
| Runner_N, Поиск аналогов,другой раздел. Перенесу. |
|
|
Runner_N
|
|
|
Runner_N
|
Аналог транзистора нашёл!
Аналог диода fmgg2cs не ищет, подскажите кто знает плз. |
|
|
Runner_N
|
Огромное спасибо за дельный совет!
Телевизор работает!!!
Диод был цел, аналог транзистора подошёл...
Не могу вспомнить как прикрепить к теме "Решено"
Прошу модератора закрыть тему.
С уважением, Алексей. |
|