| Автор | Сообщение |
|
alesei21
|
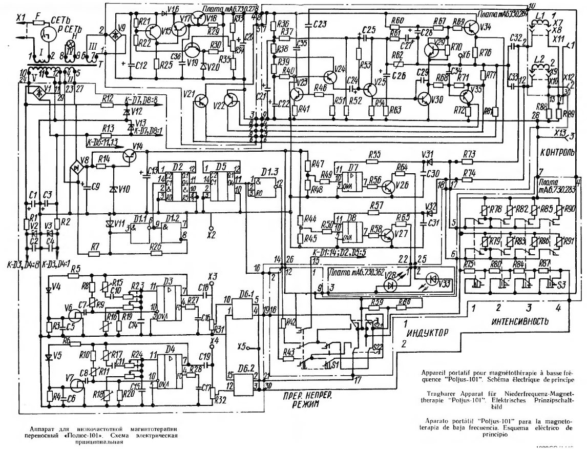
Уважаемые форумчане,подскажите как поднять напряжение на первом генераторе частоты микросхема D3 (вывод 7).На ней напряжение 2.2 в что отражается на стабильности сигнала.А на микросхеме D4 (вывод 7) напряжение 3.6в. сигнал стабильный.Поможет ли изменение номинала резистора R5?
| 2026-01-01_10-56.png |
| Описание: |
|
| Размер файла: |
632.01 КБ |
| Просмотрено: |
46 раз(а) |

|
|
|
|
Ur1ch
|
На остальных выводах D3, D4 напряжения сравнивали?
Тип их какой? R9 регулировали? |
|
|
alesei21
|
| Да сравнивал,они не одинаковые как я и писал выше.4,7 вывод синусоида 1кгц на D3.R9 заменил на подстроечник регулируется только частота. |
|
|
alesei21
|
| Может кому понадобится,решение проблемы увеличение сопротивления R5 до 470ком.Хотя по схеме стоят какие положено R3 и R4 по 1мом,а R6 R5 по 120ком.Так вот на генераторе D4 при этих номиналах напряжения на выводах 4,7 3.64вольт,а на D3 2.28вольт,.Когда поднял R5 со 120ком на 470 ком стало тоже ровно 3,64вольт.Хотя не понимаю почему так получается,оба генератора одинаковые. |
|