| Автор | Сообщение |
|
asa
|
шасси GLP21: мануал есть в ф.обменнике
PSU- TNP8EPL50 on F9222L
MAIN-BOARD: TNP8EAL40 on VCT6973G (стр 45 мануала)
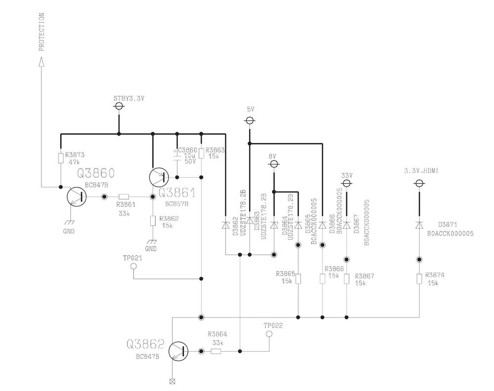
При включении появляется изображение, звука нет, на кнопки не реагирует. Через 3 сек перезагружается. Дефект PSU исключается, аппарат работает с другим main. Проверен RESET, отключил Protection (замыканием Б-Э Q3860 стр 41 мануала).
Кто знаком с этим камнем, какие цепи ещё посмотреть? |
|
REKKA
Фанат форума
Сообщения: 3722
|
| asa писал: |
При включении появляется изображение, | фото бы
, | asa писал: | | звука нет, на кнопки не реагирует., | чаго? Что смотрел ,что измерял, что делал ? |
|
REKKA
Фанат форума
Сообщения: 3722
|
| Я бы предложил сразу прогреть феном и пропаять Свято помогает За одно и дефект вылезит на ружу |
|
Feuerbard
Завсегдатай
Сообщения: 597
|
| Для начала надо питания все на плате проверять и особенно ядро и драм а не греть |
|
|
asa
|
Проверка питаний проводилась во время проверки схемы защиты, отклонений от схемы не выявлено. Питание ядра = 1V8.
Panasonic ch_GLP21.jpg 42.21 КБ Скачано: 336 раз(а)
|
|
Feuerbard
Завсегдатай
Сообщения: 597
|
|
|
ПЕТЬКА
|
| asa, а в питателе AC детект проверен??? |
|
Евгений373
Фанат форума
Сообщения: 3907
|
| ПЕТЬКА, у него с другим майном работает. Раз нет реакции на внешние воздействие и отсутствует звук, то первым делом рыть надо в сторону квадратной шины. |
|
|
ПЕТЬКА
|
| Евгений373, пардон , невнимательный |
|
Евгений373
Фанат форума
Сообщения: 3907
|
Ничего страшного, тоже в спешке иногда читаю по диагонали.
ДОБАВЛЕНО 26/09/2017 18:44
asa, дай ссылку на сервис мануал, камень пробовал перешивать? |
|
Feuerbard
Завсегдатай
Сообщения: 597
|
| Если другой майн есть надо с него попробовать нанд пересадить , и еепром тоже можно попробовать |
|
|
asa
|
|
|
jigulin
|
| Feuerbard писал: | | Если другой майн есть надо с него попробовать нанд пересадить |
А она в этом шасси есть?...  |
|
|
asa
|
| Да и еепром в современных телах используется для хранения пользовательских настроек. Ну я конечно попробовал , но чуда не произошло, хотя этот камень стартует и без неё. |
|
|
ПЕТЬКА
|
| ашдимиай???? а если поднять??? |
|
Feuerbard
Завсегдатай
Сообщения: 597
|
| jigulin писал: | | Feuerbard писал: | | Если другой майн есть надо с него попробовать нанд пересадить |
А она в этом шасси есть?...  |
А пох нанд там или нор , смысл понятен |
|