ESpec - мир электроники для профессионалов


PHILIPS 19PFL3405/60 не включается, лампочка даже не моргает

  Список форумов » LCD-телевизоры и плазменные панели

Следующая тема · Предыдущая тема
АвторСообщение
elexa 
Заглянувший
Сообщения: 7
 
Сообщение #1 От 06/11/2015 18:04 цитата  

Блок питания 715G3879-P1A-W20-002U
Main 715G3891-M1C-000-004X
Шасси tpn1-1e
Добрый день, телевизор с led подсветкой, на кнопку включения реакции нет.
На выходе БП +5v есть, +24v выдает чуть больше 26 вольт.
Думаю проблема в мейн плате, поэтому начал копать в эту сторону. Опыта по ремонту техники почти нет, поэтому прошу простить за ранее за глупые вопросы.
Сделал некоторые замеры:
напряжения на дросселях
L7202 – 3.3v
L1602 -5v
L6201 -нет
L6202 -нет
L6203 -нет
L6204 -нет

Напряжения на ключах
Q7106 на стоке есть +5v вроде работает

на стоках ключей Q7104 и Q6101 нет напруги, почему-то не открываются (думаю от сюда нада начинать копать)

все три ключа имеют маркировку AO4435.

Замеры на ногах Q6101, с 1,2,3 - 26 вольт, 4 - 25 вольт 5,6,7,8 - нет напруги. Я так понимаю что 4 нога управляющее напряжение 25 вольт по моему многовато.

Замеры на ногах Q7104, с 1,2,3 - 5 вольт, 4 - 5 вольт 5,6,7,8 - нет напруги.

Куда копать дальше не пойму, может стоит заменить Q7104 и Q6101 но не уверен что проблема с ними.
Помогите советом, пожалуйста

  philips_chassis _tpn1-1e.pdf  6.51 МБ  Скачано: 1673 раз(а)
  6101.jpg  69.73 КБ  Скачано: 773 раз(а)
  u4101.jpg  97.05 КБ  Скачано: 629 раз(а)
B.B. 
Мастер
Сообщения: 11578
B.B.
 
Сообщение #2 От 06/11/2015 19:14 цитата  

Совет для заглянувших !
REKKA 
Фанат форума
Сообщения: 3722
REKKA
 
Сообщение #3 От 06/11/2015 21:07 цитата  

отдай его мастеру он знает куда и как
iv-9 
Фанат форума
Сообщения: 6360
iv-9
 
Сообщение #4 От 06/11/2015 22:52 цитата  

Питание ядра нашел?
elexa 
Заглянувший
Сообщения: 7
 
Сообщение #5 От 07/11/2015 06:07 цитата  

iv-9 писал:
Питание ядра нашел?
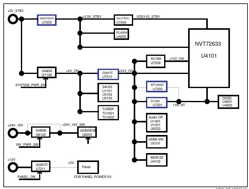
Сделал замеры питания процессора по схемке приведенной выше, u4101 все напряжения в норме. т.е.
VDD1V2_STBY=1.2 В
+1V2_ON=1.28 В
+3V3_ON= 3.3 В
1V8_NT = 1.8 В
Юрий 72 
Передовик
Сообщения: 1397
 
Сообщение #6 От 07/11/2015 13:19 цитата  

То есть он у тебя в рабочем режиме и в дежурку не переводится?
elexa 
Заглянувший
Сообщения: 7
 
Сообщение #7 От 07/11/2015 14:32 цитата  

Пару дней назад делал замеры, +3V3_ON появлялось только после нажатия power, а теперь есть постоянно походу перестал уходить в дежурку.
Юрий 72 
Передовик
Сообщения: 1397
 
Сообщение #8 От 07/11/2015 14:36 цитата  

Раздели проблему, БП, майн, прошивка.
elexa 
Заглянувший
Сообщения: 7
 
Сообщение #9 От 07/11/2015 15:42 цитата  

Как проверить прошивку я не знаю.
elexa 
Заглянувший
Сообщения: 7
 
Сообщение #10 От 07/11/2015 16:28 цитата  

Заметил, что при подключении шнура питания, лампочка загорается и сразу тухнет
Юрий 72 
Передовик
Сообщения: 1397
 
Сообщение #11 От 07/11/2015 20:27 цитата  

Состав майна?

ДОБАВЛЕНО 07/11/2015 21:28

Вот прошивка
http://remont-aud.net/dump/lcd_pdp_tv/philips/philips_19pfl3405_12_shassi_tpn1_1e_la/239-1-0-19497

ДОБАВЛЕНО 07/11/2015 21:31

Бп переводится в др и рр?
elexa 
Заглянувший
Сообщения: 7
 
Сообщение #12 От 04/12/2015 05:57 цитата  

Пару недель назад перевозил свой телевизор в машине при -20 на улице, после этого стала загораться лампа дежурки и телевизор стал включаться (удивлению не было придела). После поездки он проработал 2 дня после чего ситуация повторилась т.е. включаться отказался лампа дежурки не горит. Раз такое дело решил повторить эксперимент вынес телек на на холод на 15 мин. занес включил - работает.
Юрий 72 
Передовик
Сообщения: 1397
 
Сообщение #13 От 04/12/2015 06:51 цитата  

К мастеру.
elexa 
Заглянувший
Сообщения: 7
 
Сообщение #14 От 04/12/2015 08:51 цитата  

Двое суток опять включался, на третьи отказался работать. Решил провести диагностику не научным способом. Сначала вынес на мороз мейн отдельно после этого эффекта - нет, не включается, тогда вынес на мороз БП после чего он включился и работает по сей день. Значит причина все же в БП. Думаю подождать пока опять заглючит и буду менять все кондеры по очереди пока не заработает.

ДОБАВЛЕНО 04/12/2015 08:54

Если б я хотел отдать мастеру здесь бы не просил помощи. И опять же к какому мастеру этот телек имеет признаки ремонта уже, есть следы пропая мейна. Мастер значит пройденный этап.
Юрий 72 
Передовик
Сообщения: 1397
 
Сообщение #15 От 04/12/2015 09:13 цитата  

Хорошо хоть догадался разделить проблему, дальше локализуй.

Перейти: 
Следующая тема · Предыдущая тема
Показать/скрыть Ваши права в разделе

Интересное от ESpec


Другие темы раздела LCD-телевизоры и плазменные панели



Rambler's Top100 Рейтинг@Mail.ru liveinternet.ru