|
~WARlock~
|
День добрый.
Телевизор Ролсен RL-17D40D, подали 220в вместо 12в. Вышли из строя Q803, Q806, Q807, вздулся конденсатор C812, заменил
перечисленные детали, плюс два конденсатора С805 и С814. Сейчас, при включении загорается синий светодиод на передней панеле (режим ожидания).
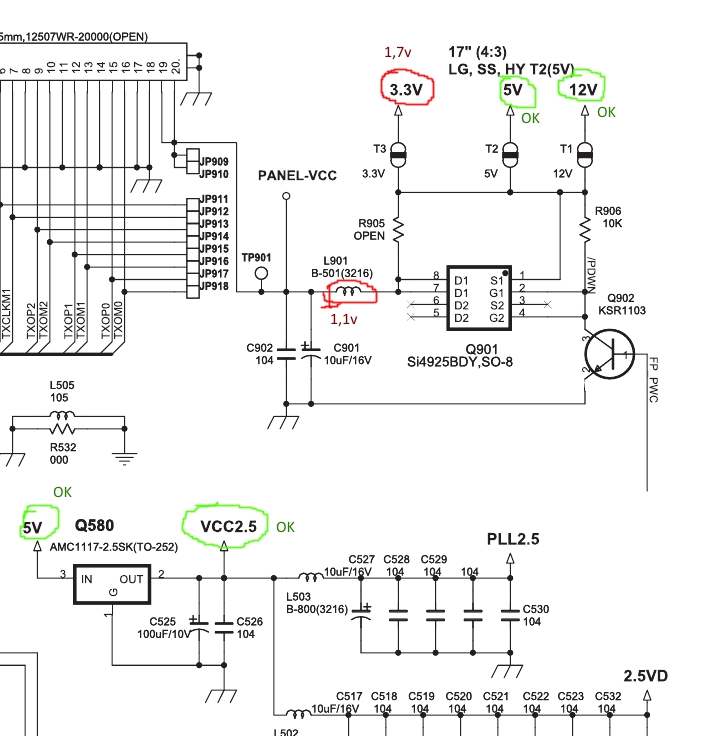
Напруги на выходе до выхода из режима ожидания:
Q807 (5v) - 4,8v
Q806 (3,3v) - 1,6v
Q801 (5v) - 4,8v
Q803 (12v) - 12v
Q808 (8v) - 0v
Q580 (2,5v) - 2,3v
Q082 (1,8v) - 1,6v
Q081 (3,3v) - 3,1v
После нажатия кнопки переключения каналов, экран не загорается, проседает 5v, появляется 3,3v, напруги:
Q807 (5v) - 0,5v
Q806 (3,3v) - 3,1v
Q801 (5v) - 5v
Q803 (12v) - 12v
Q808 (8v) - 0v
На плате ничего не греется, Q808 пока не менял.
Может кто сталкивался с такой неисправностью?
На картинках по отмечал точки замеров, чтоб наглядно было:

5.jpg 156.68 КБ Скачано: 339 раз(а)
2.jpg 189.06 КБ Скачано: 296 раз(а)
|
|