| Автор | Сообщение |
kulek
Передовик
Сообщения: 1250
|
toshiba свежая.
оказался битый модуль телетекста.
После удаления аппарат работает, но через какое то время вылазит проблема:
может сам отключится и постоянно пока не выключишь сетевой кнопкой происходит вкл-выкл. выключается в момент появления звука.
в стендбай можно в этот момент его отключить(если успеешь)
вывести из комы получается отключив сеть и подождав некоторое время.
Если ящик заглючило и его отключить в стендбай , то даже через полчаса работать он не хочет (повторяется вкл-выкл).
Самое интересное , что никаких проблем других нет ( только почему то автонастройка не идет) и работать может несколько часов подряд.
Пропаял весь - аппарат не падал и трещин никаких не обнаружил.
 |
|
Светослав
Завсегдатай
Сообщения: 385
|
kulek, в телетекстах кварц 27MHz часто глючит, можно проц постоянно ищет телетекста (OSD через него?) и если не находит . . . . .  |
|
kulek
Передовик
Сообщения: 1250
|
Светослав, если бы он " искал телетекст" , то я думаю это никак нельзя увязать с :
1. Проблема проявляется только с прогревом.
2. аппарат может без глюков проработать 8 часов.
3. вызов телетекста на программе с телетексом не приводит к зависанию процессора.
Глюк можно ускорить если после получаса работы телика несколько раз включить выключить в стендбай - он после этого уже самостоятельно начинает глючить и в рабочий режим его можно после этого перевести отключив полностью сеть и дав отдохнуть несколько минут. |
|
Rottor
Передовик
Сообщения: 1600
|
kulek,
В таких случаях я ставлю вентилятор от компа для обдува платы с процессором.
Включается синхронно с телевизором. |
|
GOSHA
Передовик
Сообщения: 1033
|
kulek, | Цитата: |
1. Проблема проявляется только с прогревом.
|
а если попробовать локальное охлаждение? Правда из собственного опыта знаю, что результат не всегда бывает правильным.  |
|
kulek
Передовик
Сообщения: 1250
|
| GOSHA писал: | | а если попробовать локальное охлаждение? |
я думаю в моем случае наоборот нагревать нужно....грел полночи все подряд - пока без результата.
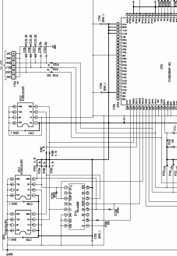
попробую вокруг памяти походить.....вообще накрутили с памятью - голова кругом идет...вот как это выглядит - правда у меня на двух корпусах (24С64 и 24С256)
01_1.gif 32.83 КБ Скачано: 3266 раз(а)
|
|