| Автор | Сообщение |
GruVital
Не фанат форума
Сообщения: 4794
|
Ноут ASUS N61VG - битый LAN, вероятно после грозы.
Вскрытие показало, сгорела сбора резисторов 4x75 Ом, в первичной цепи трансформатора развязки GST5009LF.
LAN контроллер AR8131-AL1E - у него порты звонятся на короткое. (с контроллером всё понятно)
Вопрос в другом, что за 2-ва элемента в корпусе SOT-23L-6
Маркировка выглядет так....................или так
Спасибо!




|
|
LESHIY
Леший форума
Сообщения: 3605
|
| GruVital, а как на плате обозначены? |
|
GruVital
Не фанат форума
Сообщения: 4794
|
| LESHIY, Обозначений и позиционных номеров нет! |
|
LESHIY
Леший форума
Сообщения: 3605
|
нашел похожую сборку написано 20(77)p
написано RN на плате
набор резюков
маркодер чет по этим маркировкам молчит, час тестером замерю
чуть погодя поищу твою сборку
ДОБАВЛЕНО 31/05/2011 14:58
ха а на другой плате обозначена каки диодная сборка |
|
SBA
Передовик
Сообщения: 1293
|
|
LESHIY
Леший форума
Сообщения: 3605
|
IP4223-CZ6 в маркодере обозначена как 20(64)P
хотя...................... |
|
GruVital
Не фанат форума
Сообщения: 4794
|
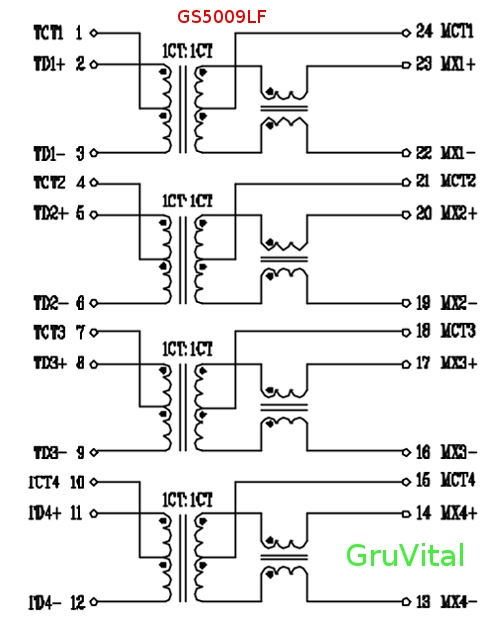
Вот фото в более высоком разрешении! Уже все поиски перепробовал, что это за х...? Может схема (кусок схемы) подобного бука или на базе этого контроллера, у кого имеется?

GS5009LF.jpg 84.98 КБ Скачано: 2505 раз(а)
|
|
pabel
Фанат форума
Сообщения: 5471
|
GruVital, А что там за микра квадратная,рядом дроссель,к ней же идут проводники от этих элементов?.
Может даташет на нее есть?!. |
|
GruVital
Не фанат форума
Сообщения: 4794
|
| pabel писал: | GruVital, А что там за микра квадратная,рядом дроссель,к ней же идут проводники от этих элементов?.
Может даташет на нее есть?!. |
pabel, Это и есть контроллер LAN AR8131-AL1E 1Gbit
Даташита естественно нет.  |
|
pabel
Фанат форума
Сообщения: 5471
|
| GruVital, А номера ножек у микры скажи,к каким подходят эти проводники. |
|
GruVital
Не фанат форума
Сообщения: 4794
|
| pabel писал: | | GruVital, А номера ножек у микры скажи,к каким подходят эти проводники. | с 17 по 24 ноги микры, все они на коротыше. |
|
pabel
Фанат форума
Сообщения: 5471
|
GruVital, А если их выпаять,коротыш с ног уйдет?.
Как вы их "ремонтите",ни схем,ни даташитов.?
В мануалах только 10 мегабайт как разбирать ноут и партномера!.  |
|
|
Сергей из Солнечногорска
|
| Очень часто,после грозы, горят эти GST5009, что бы особо не тратить время на поиски я перепаиваю их со старых сетевых карт цена которым по 250р за ведро. |
|
GruVital
Не фанат форума
Сообщения: 4794
|
Тело на работе, посмотрю после выходных. Сегодня не добрался до него.
SBA, Спасибо за инф! Да, это сборка стабилитрона и диодов на IP4223-CZ6 , только судя из моей маркировки это IP4221-CZ6
SBA, LESHIY, pabel, спасиб, буду ремонтировать. Результаты отпишу.


|
|
GruVital
Не фанат форума
Сообщения: 4794
|
Проверил сборки, сними все норм. На контроллере битые 2-ва порта. Буду заказывать!

|
|